电脑桌面
添加小米粒文库到电脑桌面
安装后可以在桌面快捷访问

关于进一步加强横向项目质量保证体系

关于进一步加强横向项目质量保证体系_第1页
1/12
关于进一步加强横向项目质量保证体系_第2页
2/12
关于进一步加强横向项目质量保证体系_第3页
3/12
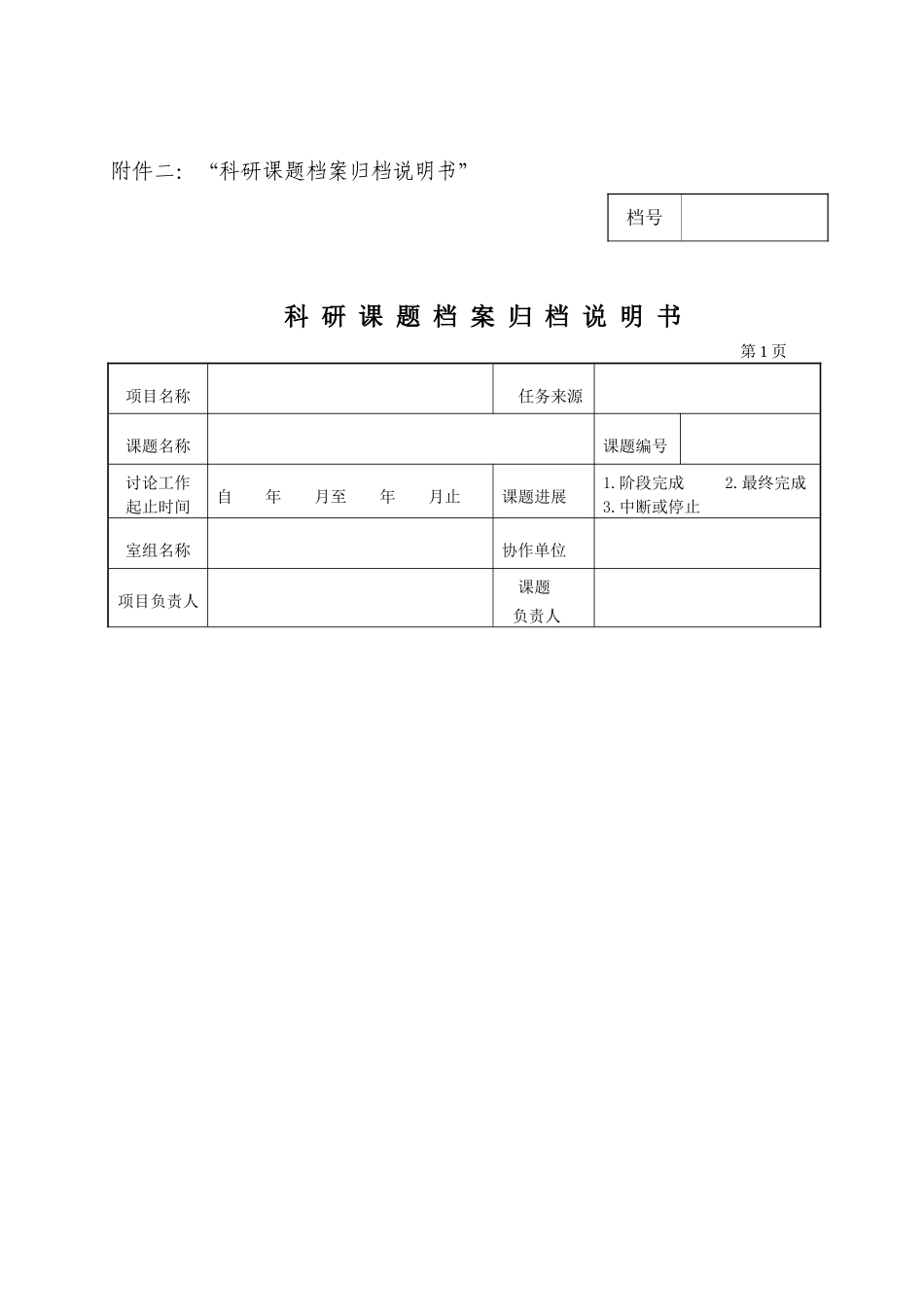
关于进一步加强横向项目质量保证体系文件记录及项目归档管理的通知各项目组、各项目负责人:(一)为进一步加强横向项目的过程管理,有效实施质量监控,根据所管理者代表对横向项目质量保证体系文件记录的管理要求,自 2024 年 6月签订的所有横向项目均需根据《质量管理体系 ISO9001:2000》的要求完善所有过程控制的质量记录,并按时间、过程节点逐步审核(见“质量记录编目目录”)。项目组在成果、报告等提交前,须将所有过程质量控制记录交予质量管理部审核,由质量管理部在“调查过程与室内分析质量统计表”中审核签字后,方能进行部门的审核签章工作。我处将依照项目实施进程开展对顾客满意度的调查工作,收集委托方对我所横向项目合作情况的意见,以达到持续改进,提高技术水平与服务质量的目的。(二)为进一步加强横向项目的归档管理工作,凡 2024 年 1 月起签订的所有横向项目,在项目完成后均须按时、按归档要求提交项目归档材料(参见“科研课题档案归档说明书”),交由我处审核后归档。横向项目质量保证体系文件记录及项目档案归档工作是项目有效完成与否的重要组成部分,请各项目组仔细落实相关工作,有何问题及时与我处联系。相关质量记录表格可从所网“院地合作”中下载。附件一:“质量记录编目目录”;附件二:“科研课题档案归档说明书”。院地合作与开发处2024 年 8 月 25 日附件一: 质量记录编目目录(2024 版)编号记录名称备注页码1项目委托书(假如有)2技术服务(咨询)合同书3合同评审记录(项目组)表 SMP064合同评审记录(质管部)表 SMP065合同评审记录(人教处)表 SMP066合同评审记录(工程中心)表 SMP067合同评审记录(设备管理组)表 SMP068合同评审报告(开发处)表 SMP069文件和资料发放清单(开发处)10项目调查实施计划程序 SMP0811项目质量保证大纲程序 SMP0512项目调查方案审批记录表表 SMP0813项目调查方案交底会议记录(签到)表 SMP08,签到表14船舶租用评价记录表表 SMP0715海洋调查日志与现场采样记录表 SMP0916调查过程质量监督记录表表 SMP0917外业调查资料、样品验收与评定记录表 SMP0918室内分析检查记录表 SMP0919样品/标本变质、损坏处理报告(假如有)表 SMP0920样品/标本送检登记表表 SMP1021样品分析数据表22不合格品报告(假如有)表 SMP1423纠正/预防措施报告(假如有)表 SMP1624调查过程与室内分析质量统计表表 SMP0925成果评审记录表、专家审核...

1、当您付费下载文档后,您只拥有了使用权限,并不意味着购买了版权,文档只能用于自身使用,不得用于其他商业用途(如 [转卖]进行直接盈利或[编辑后售卖]进行间接盈利)。
2、本站所有内容均由合作方或网友上传,本站不对文档的完整性、权威性及其观点立场正确性做任何保证或承诺!文档内容仅供研究参考,付费前请自行鉴别。
3、如文档内容存在违规,或者侵犯商业秘密、侵犯著作权等,请点击“违规举报”。

碎片内容

关于进一步加强横向项目质量保证体系

您可能关注的文档

确认删除?
VIP
微信客服
  • 扫码咨询
会员Q群
  • 会员专属群点击这里加入QQ群
客服邮箱
回到顶部