电脑桌面
添加小米粒文库到电脑桌面
安装后可以在桌面快捷访问

分类制造业审核作业指导书VIP专享

分类制造业审核作业指导书_第1页
1/8
分类制造业审核作业指导书_第2页
2/8
分类制造业审核作业指导书_第3页
3/8
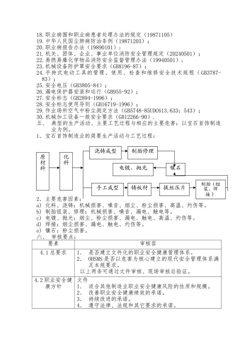
其他未分类制造业审核作业指导书专业代码:其他制造业(20.4)BCC/AG/S-20.4/00 邱筱燕 操圣祥 操圣祥2024 年 6 月 22 日一、 目的:指导审核人员有效地对其他制造业职业安全健康管理体系审核工作。二、 适用围: 适用于其他未分类制造业 20.4 其他制造业。三、 引用标准:职业安全健康管理体系审核规。四、 相关职业安全健康法律、法规与其他要求:1. 中华人民国劳动法(19950101);2. 中华人民国消防法(19980901);3. 工厂安全卫生规程(19560525);4. 国务院关于加强企业生产中安全工作的几项规定(19630330);5. 厂机动车辆安全管理规定(19950407);6. 重大事故隐患管理规定(19951001);7. 危险化学品安全管理条例(20240315);8. 劳动部关于重伤事故围的意见(19600523);9. 企业职工伤亡事故报告和处理规定(19910301);10.企业职工伤亡事故分类标准(GB6441-86);11.企业职工伤亡事故调查分析规则(GB6442-86);12.女职工劳动保护规定(19880721);13.女职工禁忌劳动围的规定(19900118);14.企业职工劳动安全卫生教育管理规定(19951108);15.特种作业人员安全技术培训考核管理办法(19990712);16.特种作业人员技术考核管理规则(GB5306-85);17.仓库防火安全管理规则(19900322);18.职业病围和职业病患者处理办法的规定(19871105)19.中华人民国尘肺病防治条例(19871203);20.职业病报告办法(19890101);21.机关、团体、企业、事业单位消防安全管理规定(20240501);22.易燃易爆化学物品消防安全监督管理办法(19940501);23.机械设备防护罩安全要求(GB8196-87);24.手持式电动工具的管理、使用、检查和维修安全技术规程( GB3787-83);25.安全电压(GB3805-84);26.漏电保护器安装和运行(GB955-92);27.安全标志(GB2894-1996);28.安全标志使用导则(GB16719-1996);29.作业场所空气中粉尘测定方法(GB5748-85UDC613.633:543);30.机械加工设备一般安全要求(GB12266-90).五、 典型的生产活动、主要工艺过程与相应的主要危害:以宝石首饰制造业为例。1.宝石首饰制造业的简要生产活动与工艺过程:2.主要危害因素:a) 化料、浇铸:机械损害、噪音、烟尘、粉尘损害、高温、灼伤等。b) 制胎组装、修理:机械损害、噪音、漏电、触电等。c) 电镀、抛光:烟尘、粉尘损害、漏电、触电、高温、灼伤等。d) 焊接:烟尘损害、漏电、触电、灼伤等。e) 镶石:粉尘损害。六、...

1、当您付费下载文档后,您只拥有了使用权限,并不意味着购买了版权,文档只能用于自身使用,不得用于其他商业用途(如 [转卖]进行直接盈利或[编辑后售卖]进行间接盈利)。
2、本站所有内容均由合作方或网友上传,本站不对文档的完整性、权威性及其观点立场正确性做任何保证或承诺!文档内容仅供研究参考,付费前请自行鉴别。
3、如文档内容存在违规,或者侵犯商业秘密、侵犯著作权等,请点击“违规举报”。

碎片内容

分类制造业审核作业指导书

确认删除?
VIP
微信客服
  • 扫码咨询
会员Q群
  • 会员专属群点击这里加入QQ群
客服邮箱
回到顶部