电脑桌面
添加小米粒文库到电脑桌面
安装后可以在桌面快捷访问

品管部岗位职责与任职要求内容VIP专享

品管部岗位职责与任职要求内容_第1页
1/11
品管部岗位职责与任职要求内容_第2页
2/11
品管部岗位职责与任职要求内容_第3页
3/11
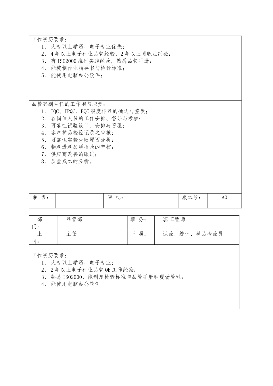
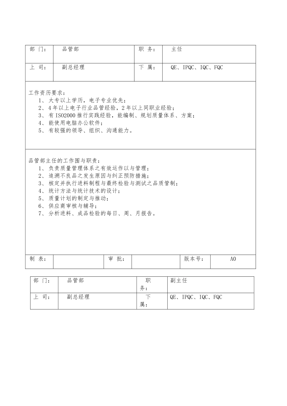
部 门:品管部职 务:主任上 司:副总经理下 属:QE、IPQC、IQC、FQC工作资历要求:1、 大专以上学历,电子专业优先;2、 4 年以上电子行业品管经验,2 年以上同职业经验;3、 有 ISO2000 推行实践经验,能编制、规划质量体系、方案;4、 能使用电脑办公软件;5、 有较强的领导、组织、沟通能力。 品管部主任的工作围与职责:1、 负责质量管理体系之有效运作以与管理;2、 追溯不良品之发生原因与纠正预防措施;3、 核定并执行进料制程与最终检验与测试之品质管制;4、 统计方法与统计技术的设计;5、 质量计划的制定与推动;6、 供应商审核与辅导;7、 分析进料、成品检验的每日、周、月报告。制 表:审 批:版本号:A0部 门: 品管部职 务:副主任上 司:副总经理下 属: QE、IPQC、IQC、FQC工作资历要求:1、 大专以上学历,电子专业优先;2、 4 年以上电子行业品管经验,2 年以上同职业经验;3、 有 ISO2000 推行实践经验,熟悉品管手册;4、 能编制作业指导书与检验标准;5、 能使用电脑办公软件;品管部副主任的工作围与职责:1、 IQC、IPQC、FQC 限度样品的确认与签发;2、 各岗位人员的工作安排、督导与考核;3、 可靠性试验设计、安排与管理;4、 客户样品检验记录之审核;5、 可靠性实验失败原因分析;6、 物料进料品质检验的审核;7、 供应商改善的跟进;8、 质量成本的分析。制 表:审 批:版本号:A0部 门: 品管部 职 务:QE 工程师上 司:主任下 属:试验、统计、样品检验员工作资历要求:1、 大专以上学历,电子专业;2、 2 年以上电子行业品管 QE 工作经验;3、 熟悉 ISO2000,能制定检验标准与品管手册和现场管理;4、 能使用电脑办公软件。品管部 QE 工程师的工作围与职责:1、 制程检验标准制定;2、 制程品质异常处理、跟踪与预防;3、 客诉原因调查、分析、处理与跟踪;4、 量规、检验仪器的校正与控制;5、 部质量计划与追踪;6、 在岗员工的培训;7、 质量计划的执行;8、 新产品开发、客户样品、新产品试产的跟进。制 表:审 批:版本号:A0部 门:品管部职 务: 统计员 上 司:QE下 属:工作资历要求:1、中专以上学历;2、一年以上数据统计工作经验;3、熟悉电脑办公软件,熟练绘制各种统计图品管部统计员的工作围与职责:1、 使用统计技术进行各质量数据统计;2、 文件、品质资料的汇合、汇总、分析、管理;3、 部门信息传递;...

1、当您付费下载文档后,您只拥有了使用权限,并不意味着购买了版权,文档只能用于自身使用,不得用于其他商业用途(如 [转卖]进行直接盈利或[编辑后售卖]进行间接盈利)。
2、本站所有内容均由合作方或网友上传,本站不对文档的完整性、权威性及其观点立场正确性做任何保证或承诺!文档内容仅供研究参考,付费前请自行鉴别。
3、如文档内容存在违规,或者侵犯商业秘密、侵犯著作权等,请点击“违规举报”。

碎片内容

品管部岗位职责与任职要求内容

确认删除?
VIP
微信客服
  • 扫码咨询
会员Q群
  • 会员专属群点击这里加入QQ群
客服邮箱
回到顶部