电脑桌面
添加小米粒文库到电脑桌面
安装后可以在桌面快捷访问

干作业法钻孔桩施工交底

干作业法钻孔桩施工交底_第1页
1/10
干作业法钻孔桩施工交底_第2页
2/10
干作业法钻孔桩施工交底_第3页
3/10
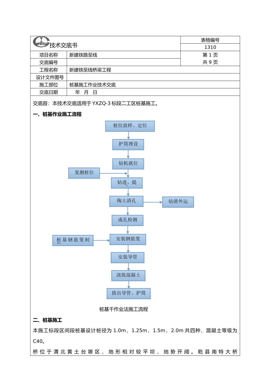
技术交底书表格编号1310项目名称新建铁路至线第 1 页共 9 页交底编号工程名称新建铁至线桥梁工程设计文件图号施工部位桩基施工作业技术交底交底日期 年 月 日交底容:本技术交底适用于 YXZQ-3 标段二工区桩基施工。一、桩基作业施工流程 桩基干作业法施工流程二、桩基施工本施工标段区间段桩基设计桩径为 1.0m,1.25m,1.5m,2.0m 共四种,混凝土等级为C40。桥 位 于 渭 北 黄 土 台 塬 区 , 地 形 相 对 较 平 坦 , 地 势 开 阔 。 乾 县 南 特 大 桥桩位放样、定位护筒埋设钻机就位钻进、提土掏土清孔复测桩位成孔检测桩 基 钢 筋 笼 制作安装钢筋笼安装导管浇筑混凝土拔出导管、护筒钻渣外运(DK71+444~DK73+290)桥址区地层主要为第四系上、中更新统风积黏质黄土。该土层底部分分布有一层古土壤,厚度约 0.5~1.0m,浅棕红色,偶见小石。厚度大于 70m,分布于第四系上更新统黏质黄土下部,棕黄-褐黄色,主要成份以粉粒为主,土质均匀,土体结构紧密,中间夹有多层浅棕红色古土壤。桥址区地表水不发育。地下水为第四系空隙潜水,赋寸于中更新统黏质黄土中,埋深 17.6~30.4m。漠谷河 1#特大桥(DK74+741.13~DK77+484.87),桥址区地层主要为第四系全新统冲积粘质黄土、细圆砾土、卵石土、上、中更新统风积黏质黄土。其中 35#、62#墩位置处有两处空洞,基础施工前因探明具体位置、大小与规模并进行回填夯实处理。DK74+641.65~DK335.56 段为不良地质,属中级自重式湿陷类型。77#墩至 80#桥台(台)因缺少地质钻孔报告,因此不在此围。标段桥址区地表水不发育,地下水位较低。羊毛湾干渠中桥 DK70+796~DK70+862,桥址区地层主要为第四系上、中更新统风积黏质黄土。该土层底部分分布有一层古土壤,厚度约 0.5~1.0m,浅棕红色,偶见小石。厚度大于 70m,分布于第四系上更新统黏质黄土下部,棕黄-褐黄色,主要成份以粉粒为主,土质均匀,土体结构紧密,中间夹有多层浅棕红色古土壤。根据地形、地貌与地质情况,设计图纸与规要求,结合现场实际施工条件,钻孔场地应平整场地,清除杂物,更换软土,夯填密实。钻机座不宜直接置于不坚实的填土上,以免产生不均匀沉陷。修通旱地位置便道,为施工机具、材料运送提供便利。钻孔场地在陡坡时,应挖成平坡。如有困难,可用排架或枕木搭设工作平台。1.材料准备干作业旋挖钻孔时,必须根据要求准备泥浆池与造浆用设备、材料,备足造浆用水。钻进过程...

1、当您付费下载文档后,您只拥有了使用权限,并不意味着购买了版权,文档只能用于自身使用,不得用于其他商业用途(如 [转卖]进行直接盈利或[编辑后售卖]进行间接盈利)。
2、本站所有内容均由合作方或网友上传,本站不对文档的完整性、权威性及其观点立场正确性做任何保证或承诺!文档内容仅供研究参考,付费前请自行鉴别。
3、如文档内容存在违规,或者侵犯商业秘密、侵犯著作权等,请点击“违规举报”。

碎片内容

干作业法钻孔桩施工交底

确认删除?
VIP
微信客服
  • 扫码咨询
会员Q群
  • 会员专属群点击这里加入QQ群
客服邮箱
回到顶部