电脑桌面
添加小米粒文库到电脑桌面
安装后可以在桌面快捷访问

建筑施工现场临时用电组织设计编制示范VIP专享

建筑施工现场临时用电组织设计编制示范_第1页
1/9
建筑施工现场临时用电组织设计编制示范_第2页
2/9
建筑施工现场临时用电组织设计编制示范_第3页
3/9
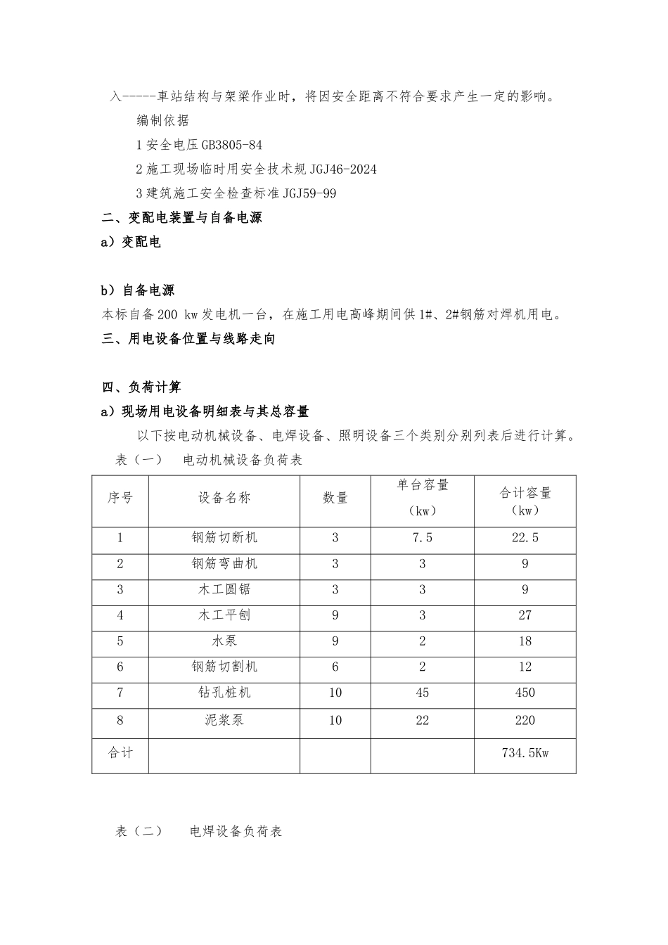
临时用电组织设计项目经理部一、现场勘测:本工程处于---------,自原有人行道的位置起,向西拆迁约---m,为本标段施工宽度的红线围,全长约 1.4km,包含---车站一座。经现场勘测:.本标段原地下管线复杂,管线搬迁工作跟不上工程进度。道路上有 220kv 高压线路,该高压线路未涉与下部结构的施工,当上部结构进入-----車站结构与架梁作业时,将因安全距离不符合要求产生一定的影响。编制依据1 安全电压 GB3805-842 施工现场临时用安全技术规 JGJ46-20243 建筑施工安全检查标准 JGJ59-99二、变配电装置与自备电源a)变配电b)自备电源本标自备 200 kw 发电机一台,在施工用电高峰期间供 1#、2#钢筋对焊机用电。三、用电设备位置与线路走向四、负荷计算a)现场用电设备明细表与其总容量以下按电动机械设备、电焊设备、照明设备三个类别分别列表后进行计算。表(一) 电动机械设备负荷表序号设备名称数量单台容量(kw)合计容量(kw)1钢筋切断机37.522.52钢筋弯曲机3393木工圆锯3394木工平刨93275水泵92186钢筋切割机62127钻孔桩机10454508泥浆泵1022220合计734.5Kw表(二) 电焊设备负荷表序号设备名称数量单台容量(kw)合计容量(kw)1钢筋对焊机31003002沟通电焊机2426624合计924Kwb)办工、生活区域用电设备与照明负荷明细表与其总容量表(三) 照明负荷表序号室外照明灯具名称数量单台容量(w)合计容量(kw)1碘钨灯301000302镝灯9350031.5合计61.5Kw1室照明办公室日光灯45482.22办公室空调(1)3300093生活区4010044办公室空调(2)121500185本部食堂8500.461#、2#生活区食堂205017食堂热水器39000278食堂蒸饭箱390002791#、2#生活区吊扇401104.410食堂空调16150017.511食堂电扇211102.3112标养室空调215003合计103.8Kwc)总负荷计算总系数:1.05 需用系数:0.6 进展系数:0.7计算公式:总负荷计算:综合表(一)、表(二)、表(三)所确定该施工现场用电总容量为:P 总=1.05×(K1∑P1+ K2∑P2+K3∑P3+ K4∑P4) =1.05×(0.6×734.5+0.6×924+0.8×61.5+1.0×103.8) =1205.5KVA通过以上列表、计算,说明施工用电的高峰已可能超过 1000KVA 业主提供的装接容量,此时必须实行计划用电的控制措施:即尽量压缩钢筋对焊机的同时使用,在钻孔桩施工期间对三台钢筋对焊机实行交替错时使用的方法,那么将空余 200KVA 的容量,来确保供用电的安全。五、变压器选择变压器容量的确定与安装位置本标的施工临时用电电源,...

1、当您付费下载文档后,您只拥有了使用权限,并不意味着购买了版权,文档只能用于自身使用,不得用于其他商业用途(如 [转卖]进行直接盈利或[编辑后售卖]进行间接盈利)。
2、本站所有内容均由合作方或网友上传,本站不对文档的完整性、权威性及其观点立场正确性做任何保证或承诺!文档内容仅供研究参考,付费前请自行鉴别。
3、如文档内容存在违规,或者侵犯商业秘密、侵犯著作权等,请点击“违规举报”。

碎片内容

建筑施工现场临时用电组织设计编制示范

确认删除?
VIP
微信客服
  • 扫码咨询
会员Q群
  • 会员专属群点击这里加入QQ群
客服邮箱
回到顶部