电脑桌面
添加小米粒文库到电脑桌面
安装后可以在桌面快捷访问

房屋与设备维修养护管理方案说明

房屋与设备维修养护管理方案说明_第1页
1/27
房屋与设备维修养护管理方案说明_第2页
2/27
房屋与设备维修养护管理方案说明_第3页
3/27
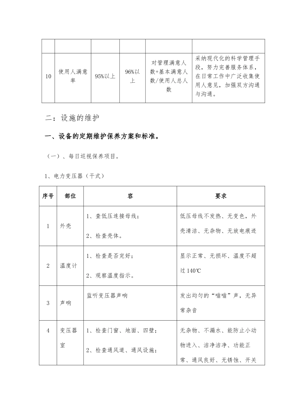
一:楼宇的维护质量目标共分十项,以表格的形式在下列项中概述以与保障各项质量目标完成的实施措施。序号指标名称国家标准管理标准测算依据管理主要措施1房屋与配套设施完好率98%98%以上完好房建筑面积+基本完好房建筑面积/房屋总建筑面积建立日常检查制度;定期进行全面分项检修;严格日常管理,无人为损坏事件。2房屋零修、急修与时率100%100%与时维修次数/应计报维修次数建立严格的修缮制度,维修人员接到《维修通知单》后需带工具 10 分钟到现场,小修 8 小时完成,并建立回访制度和回访记录。3维修工程质量合格率99%99%以上维修合格工程项次/维修工程项次建立合理有效的工作质量监督机制和回访制度、考核制度和奖罚制度。回访率25%25%以上维修工程回访次数/维修工程项次照明灯与疏散灯完好率95%98%以上完好照明灯、疏散灯数量/照明灯、疏散灯总数量4主要机电设备完好率99%99%以上完好的大型与重要机电设备/大型与重要机电设备总计完善机电设备的运作制度和维护保养制度,配备专业工程技术人员,所有机电保养维修人员全部持证上岗;实施 24 小时专人值班;出现故障与时排除。5消防设备完好率100%100%完好消防设备/大学城消防设备总数实行巡查制度,建档记录。6火灾发生率1‰以下(年)1‰以下(年)发生火灾面积/大学城物业使用大学城管理部经理为责任消防员下属全体员工均为义务消防员;落实防火安全三级检查制度;消防中心 24 小时值班,统一调动人员。7有效投诉率2‰以下(年)2‰以下(年)有效投诉次数/使用人总数做好做细日常工作,实行措施,加强与使用人的沟通,定期走访使用人,征求管理意见,强化服务意识,提高员工素养;投诉处理有结果、有记录、有回访。有效投诉处理率95%100%处理的有效投诉数量/有效投诉总计8管理人员专业培训合格率100%100%培训合格人员/培训人员总计人员培训自学与培训相结合;抓好上岗培训、在职培训、特别岗位人员培训;培训考核制度与奖罚相结合;强化培训结果。9服务回访率25%25%以上回访次数/服务次数建立健全回访制度,做好服务回访记录,加强服务队伍服务意识。10使用人满意率95%以上96%以上对管理满意人数+基本满意人数/使用人总人数采纳现代化的科学管理手段,努力完善服务体系,在日常工作中广泛收集使用人意见,加强双方沟通与沟通。二:设施的维护一、设备的定期维护保养方案和标准。(一)、每日巡视保养项目。1、电力变压器(干式)序号部位容要求1外壳1、查低压连接母线;2、检查壳体...

1、当您付费下载文档后,您只拥有了使用权限,并不意味着购买了版权,文档只能用于自身使用,不得用于其他商业用途(如 [转卖]进行直接盈利或[编辑后售卖]进行间接盈利)。
2、本站所有内容均由合作方或网友上传,本站不对文档的完整性、权威性及其观点立场正确性做任何保证或承诺!文档内容仅供研究参考,付费前请自行鉴别。
3、如文档内容存在违规,或者侵犯商业秘密、侵犯著作权等,请点击“违规举报”。

碎片内容

房屋与设备维修养护管理方案说明

确认删除?
VIP
微信客服
  • 扫码咨询
会员Q群
  • 会员专属群点击这里加入QQ群
客服邮箱
回到顶部