电脑桌面
添加小米粒文库到电脑桌面
安装后可以在桌面快捷访问

摩托车维修教学计划

摩托车维修教学计划_第1页
1/8
摩托车维修教学计划_第2页
2/8
摩托车维修教学计划_第3页
3/8
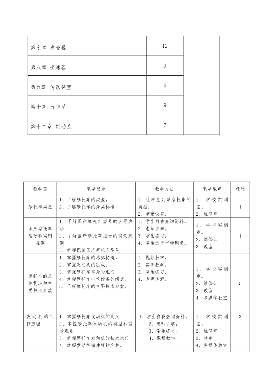
宁阳县职业教育中心《摩托车维修》教学计划主编:郭正月参编:孟峰 永立 胡培新 军(小)许林 忠斌 王会新 胜刚《摩托车维修》教学计划课时总学时:144执笔人:郭正月 编写日期:2024、7、18一、课程性质和任务《摩托车维修》是中等职业技术学校机电专业摩托车领域的一门选修专业课教材,用以讨论摩托车发动机、电气、车身结构和工作原理。本课程的教学以学生就业为导向,以培育学生的学习兴趣、扩大专业知识的应用为基本要求紧密结合当前机电专业生产行业的实际,立足于培育技能型的摩托车制造、加工为主的技术人员。在教学容的选取上,从岗位的实际需要出发,体现学以致用的原则,基础理论知识以必须、够用为度,重在职业能力的培育。通过摩托车该课程的教学工作,为学生将来的就业和学习奠定了一个重要基础。二、教学基本要求 本课程是理论与实践结合十分紧密的课程,强调知识的理解和基本技能的训练。通过该课程的学习,巩固和加深所学摩托车知识,培育学生的基本技能和运用基本理论分析、处理实际问题的能力,培育创新精神。本课程的基础知识包括:摩托车发动机的工作原理和总体构造、曲柄连杆机构、配气机构、燃料系、润滑系、冷却系、行驶系的基本原理和传动系的布置形式、离合器、变速器、传动装置、驱动装置、行驶系、转向系、制动系,要求学生达到下表所示的各种要求。三、章节安排及学分章课时学分总论35 学分第一章 发动机的工作原理和总体构造6第二章 曲柄连杆机构10第三章 配气机构6第四章 燃料系10第五章 润滑系6第六章 冷却系7第七章 离合器12第八章 变速器9第九章 传动装置5第十章 行驶系9第十二章 制动系7教学容教学要求教学方法教学地点课时摩托车类型1、了解摩托车的类型。2、了解摩托车的分类标准1、让学生列举摩托车的类型。2、市场调查。1 、 学 校 实 训室。2、维修部1国产摩托车型号和编制规则1、了解国产摩托车型号的表示方法2、了解国产摩托车型号的编制规则3、掌握识读国产摩托车型号1、学生自我查询资料。2、老师讲解。3、学生练习。4、学生进行市场调查。1 、 学 校 实 训室。2、维修部3、教室1摩托车的总体构造和主要技术参数1、掌握摩托车的总体构造。2、掌握发动机的组成。3、掌握摩托车车身的组成4、掌握摩托车电气设备的组成。5、了解摩托车的主要技术参数。1、视频教学。2、实训教学。3、学生练习。4、老师讲解。1 、 学 校 实 训室。2、维修部3、教室4、多媒体教室5发 ...

1、当您付费下载文档后,您只拥有了使用权限,并不意味着购买了版权,文档只能用于自身使用,不得用于其他商业用途(如 [转卖]进行直接盈利或[编辑后售卖]进行间接盈利)。
2、本站所有内容均由合作方或网友上传,本站不对文档的完整性、权威性及其观点立场正确性做任何保证或承诺!文档内容仅供研究参考,付费前请自行鉴别。
3、如文档内容存在违规,或者侵犯商业秘密、侵犯著作权等,请点击“违规举报”。

碎片内容

摩托车维修教学计划

您可能关注的文档

确认删除?
VIP
微信客服
  • 扫码咨询
会员Q群
  • 会员专属群点击这里加入QQ群
客服邮箱
回到顶部