电脑桌面
添加小米粒文库到电脑桌面
安装后可以在桌面快捷访问

施工质量检验试验计划表

施工质量检验试验计划表_第1页
1/18
施工质量检验试验计划表_第2页
2/18
施工质量检验试验计划表_第3页
3/18
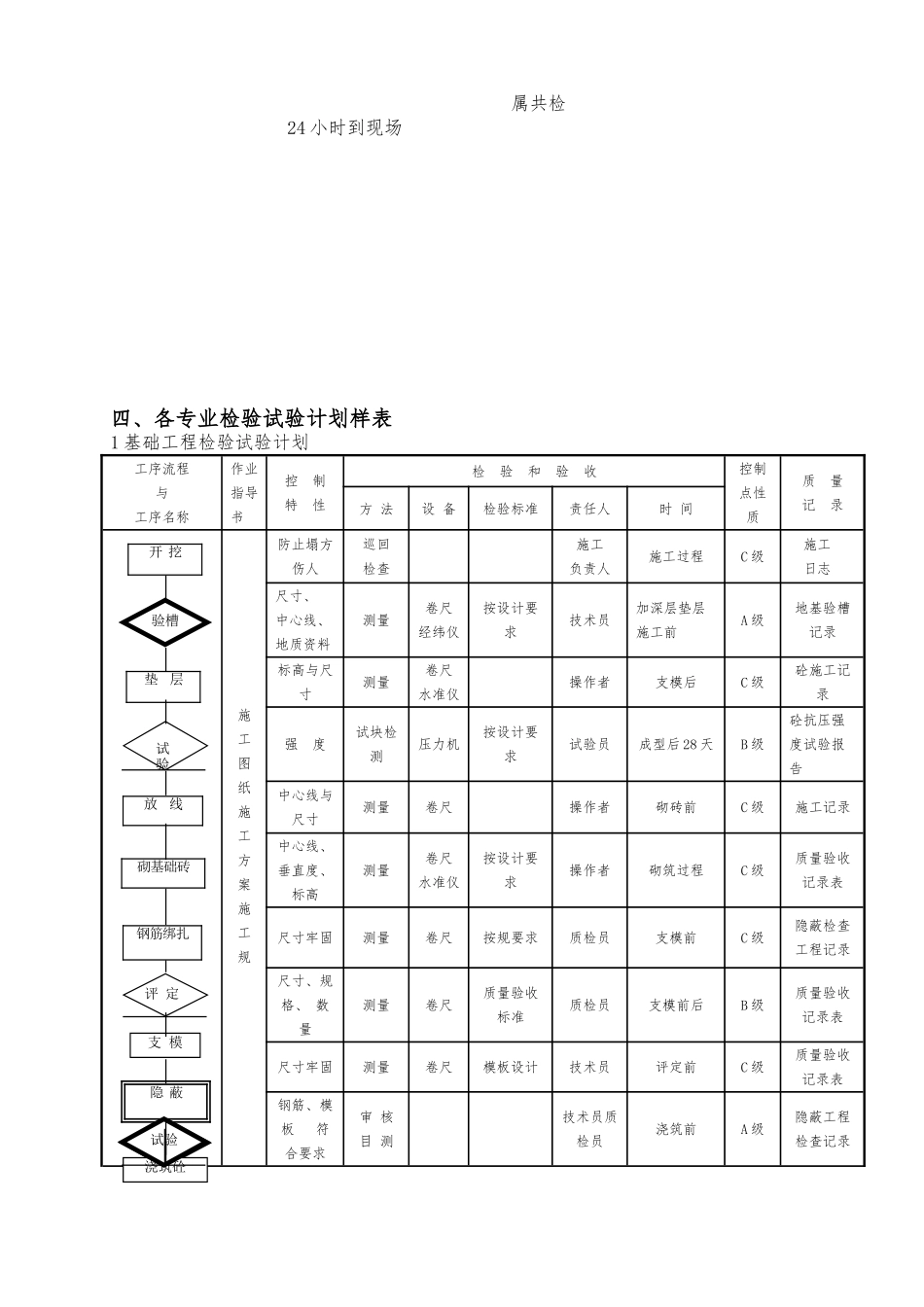
一、编制目的 为了使扬子石化高压加氢裂化装置加工高硫油技术改造工程的检试验工作规、有序、协调、统一的进行,确保质量目标的顺利实现。向甲方提供合格的产品(工程)和优质的服务,使检验试验工作按计划实施。二、施工质量控制点划分1.关键工序为 A 级质量控制点,由甲方、监理和施工项目部共检。2.重要工序为 B 级质量控制点,由监理和施工项目部共检。3.一般工序为 C 级质量控制点,由施工项目部专检。三、检试验程序1.对于 A、B 级共检:施工作业人员自检合格,经项目部质量控制部专职检查员检查确认后,填写共检通知单(附共检报告和必需的自检结果)报监理方,由监理方组织有关方进行共检确认。2.对于 C 级控制点:施工作业人员自检合格后,报项目部质量控制部专职检查员检查确认。检验试验流程图不合格不合格监理/质检站 提前 48 小时通知评审检验试验计划大纲工序完成或过程控制自检合格转序项目部专检评审同意检查合 格合格转序共检确认记录记录存档转序合格结果通知不合格评审返修或返工属共检24 小时到现场四、各专业检验试验计划样表1 基础工程检验试验计划工序流程 与 工序名称作业 指导书控 制特 性检 验 和 验 收控制点性 质质 量记 录方 法设 备检验标准责任人时 间施工图纸施工方案施工规防止塌方伤人巡回 检查施工 负责人施工过程C 级 施工 日志尺寸、 中心线、 地质资料测量卷尺 经纬仪按设计要求技术员加深层垫层施工前A 级 地基验槽记录标高与尺寸测量卷尺 水准仪操作者支模后C 级 砼施工记录强 度试块检测压力机按设计要求试验员成型后 28 天B 级 砼抗压强度试验报告中心线与尺寸测量卷尺操作者砌砖前C 级 施工记录中心线、垂直度、标高测量卷尺 水准仪按设计要求操作者砌筑过程C 级 质量验收记录表尺寸牢固测量卷尺按规要求质检员支模前C 级 隐蔽检查工程记录尺寸、规格、 数量测量卷尺质量验收标准质检员支模前后B 级 质量验收记录表尺寸牢固测量卷尺模板设计技术员评定前C 级 质量验收记录表钢筋、模板 符合要求审 核目 测技术员质检员浇筑前A 级 隐蔽工程检查记录验槽垫 层放 线砌基础砖钢筋绑扎隐 蔽评定试验浇筑砼支 模评 定试验开 挖材料 合格证 配合比审核技术员质检员浇筑过程B 级 质量验收记录表强度试块检测试压机试验员成型 28 天A 级 砼抗压强度试验报告产品满足要求审核质量验收标准质检员交付前A 级 质量验收记...

1、当您付费下载文档后,您只拥有了使用权限,并不意味着购买了版权,文档只能用于自身使用,不得用于其他商业用途(如 [转卖]进行直接盈利或[编辑后售卖]进行间接盈利)。
2、本站所有内容均由合作方或网友上传,本站不对文档的完整性、权威性及其观点立场正确性做任何保证或承诺!文档内容仅供研究参考,付费前请自行鉴别。
3、如文档内容存在违规,或者侵犯商业秘密、侵犯著作权等,请点击“违规举报”。

碎片内容

施工质量检验试验计划表

确认删除?
VIP
微信客服
  • 扫码咨询
会员Q群
  • 会员专属群点击这里加入QQ群
客服邮箱
回到顶部