电脑桌面
添加小米粒文库到电脑桌面
安装后可以在桌面快捷访问

旧房拆除工程施工设计方案2

旧房拆除工程施工设计方案2_第1页
1/65
旧房拆除工程施工设计方案2_第2页
2/65
旧房拆除工程施工设计方案2_第3页
3/65
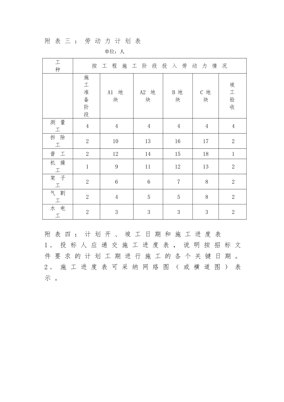
附 表 一 : 拟 投 入 本 标 段 的 主 要 施 工 设 备 表序号设备名称型号规格数量国别产地制造年份额定功率(KW)生产能力用于施工部位备注1装载机ZL503中国2024150满足施工需求装运完好率98%2履带式挖掘机HT120A-78中国2024135满足施工需求 拆除施工 完好率98%3自卸汽车EQ140-18中国2024165满足施工需求运输完好率96%4手推车/9中国2024/满足施工需求 水平运输完好率97%5洒水车WTZ402中国202468满足施工需求降尘完好率98%6空压机YAJ-SJ3中国20248满足施工需求 拆除工程完好率98%7推土机GHP-28004中国202485满足施工需求详现场完好率96%8风镐B875中国20242.2满足施工需求 拆除工程完好率97%9切割设备/4中国20245.6满足施工需求 拆除工程 完好率98%10大锤/7中国2024/满足施工需求 拆除工程 完好率98%11破裂锤/6中国2024/满足施工需求 拆除工程 完好率99%附 表 二 : 拟 配 备 本 标 段 的 试 验 和 检 测 仪 器 设 备表序号仪 器 设备名 称型 号规 格数量国 别产 地制 造年 份已使用台时数用 途备 注1水 准 仪D32中 国202460空 间检 测完 好率 100%2全 站 仪ZGP8002中 国202480测 量完 好率 100%3钢 卷 尺5M3中 国2024/放 线检 查完 好率 100%4电 子 经纬 仪FDT2GC2中 国202460放 线完 好率 100%5游 标 卡尺JID386中 国202410测 量完 好率 100%附 表 三 : 劳 动 力 计 划 表 单位:人工 种按 工 程 施 工 阶 段 投 入 劳 动 力 情 况施工准备阶段A1 地块A2 地块B 地块C 地块竣工验收测 量工444444拆 除工2101316172普 工2121415181机 操工191112132架 子工266782气 割工245582水 电工233332附 表 四 : 计 划 开 、 竣 工 日 期 和 施 工 进 度 表1 . 投 标 人 应 递 交 施 工 进 度 表 , 说 明 按 招 标 文件 要 求 的 计 划 工 期 进 行 施 工 的 各 个 关 键 日 期 。2 . 施 工 进 度 表 可 采 纳 网 络 图 ( 或 横 道 图 ) 表示 。附 表 五 : 拆 除 方 案注 : 拆 除 方 案 应 包 含 以 下 具 体 容 : 拆 除 总 体 部署 ; 工 期 与 进 度 计 划 ; 安 全 拆 除 、 文 明 拆 除 措施 ; 投 标 人 认 为 可 行 的 其 它 拆 除 、 措 施 。 目 录第 一 ...

1、当您付费下载文档后,您只拥有了使用权限,并不意味着购买了版权,文档只能用于自身使用,不得用于其他商业用途(如 [转卖]进行直接盈利或[编辑后售卖]进行间接盈利)。
2、本站所有内容均由合作方或网友上传,本站不对文档的完整性、权威性及其观点立场正确性做任何保证或承诺!文档内容仅供研究参考,付费前请自行鉴别。
3、如文档内容存在违规,或者侵犯商业秘密、侵犯著作权等,请点击“违规举报”。

碎片内容

旧房拆除工程施工设计方案2

办公文档专营+ 关注
实名认证
内容提供者

大量办公文档,欢迎选择

确认删除?
VIP
微信客服
  • 扫码咨询
会员Q群
  • 会员专属群点击这里加入QQ群
客服邮箱
回到顶部