电脑桌面
添加小米粒文库到电脑桌面
安装后可以在桌面快捷访问

智能建筑工程检验批质量验收记录表

智能建筑工程检验批质量验收记录表_第1页
1/50
智能建筑工程检验批质量验收记录表_第2页
2/50
智能建筑工程检验批质量验收记录表_第3页
3/50
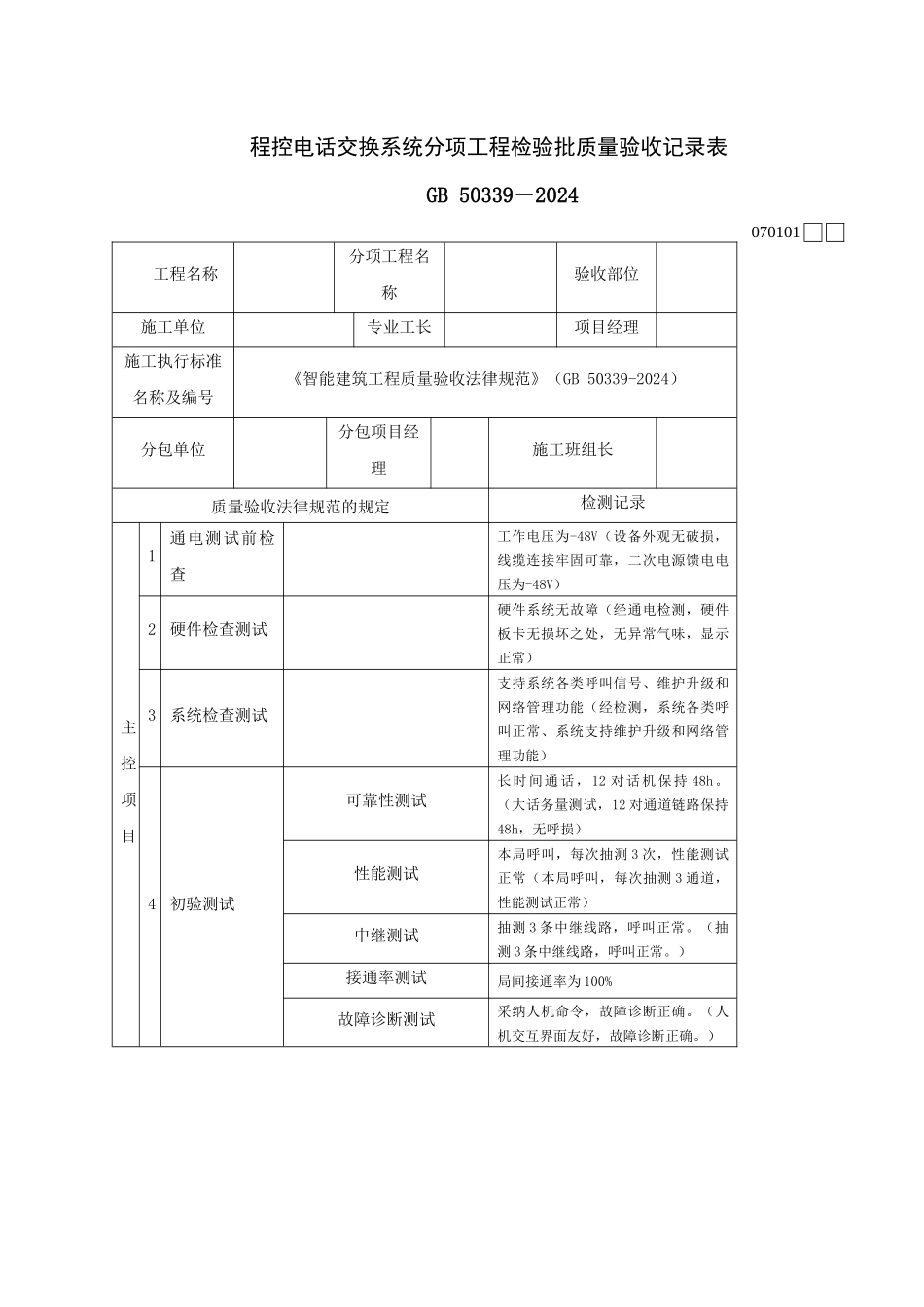
程控电话交换系统分项工程检验批质量验收记录表 GB 50339-2024 工程名称分项工程名称验收部位施工单位专业工长项目经理施工执行标准名称及编号《智能建筑工程质量验收法律规范》(GB 50339-2024)分包单位分包项目经理施工班组长质量验收法律规范的规定检测记录主控项目1通电测试前检查工作电压为-48V(设备外观无破损,线缆连接牢固可靠,二次电源馈电电压为-48V)2硬件检查测试硬件系统无故障(经通电检测,硬件板卡无损坏之处,无异常气味,显示正常)3系统检查测试支持系统各类呼叫信号、维护升级和网络管理功能(经检测,系统各类呼叫正常、系统支持维护升级和网络管理功能)4初验测试可靠性测试长时间通话,12 对话机保持 48h。(大话务量测试,12 对通道链路保持48h,无呼损)性能测试本局呼叫,每次抽测 3 次,性能测试正常(本局呼叫,每次抽测 3 通道,性能测试正常)中继测试抽测 3 条中继线路,呼叫正常。(抽测 3 条中继线路,呼叫正常。)接通率测试局间接通率为 100%故障诊断测试采纳人机命令,故障诊断正确。(人机交互界面友好,故障诊断正确。)070101施工单位检查评定结果经检查,主控项目符合《建筑电气工程施工质量验收法律规范》(GB 50303-2024)、《智能建筑工程质量验收法律规范》(GB 50339-2024)标准及施工图设计要求,检查合格。 项目专业质量检查员: 年 月 日监理(建设)单位验收结论主控项目符合国家施工质量验收法律规范标准及施工图设计要求,验收合格 监理工程师 (建设单位项目专业技术负责人) 年 月 日会议电视系统分项工程检验批质量验收记录表 GB 50339-2024 工程名称分项工程名称验收部位施工单位专业工长项目经理施工执行标准名称及编号《智能建筑工程质量验收法律规范》(GB 50339-2024)分包单位分包项目经理施工班组长质量验收法律规范的规定检测记录主控项目1单机测试符合技术文件产品指标要求2信道测试(传输性能限值)国内段电视会议链路传输信道速度为 2048kbps,误比特率(BER)1x10-6国际段电视会议链路传输信道速度为 2048kbps,误比特率(BER)1x10-6国内、国际全程链路传输信道速度为 2048kbps,误比特率(BER)3x10-6国内段电视会议链路传输信道速度为 64kbps,误比特率(BER)1x10-63系统效果质量检测经现场质量检测,画面质量清楚,声音效果悦耳0701024监视管理系统检测具备本地远端监测、诊断和实时显示功能施工单位检查评定结果经检查,主控项目符...

1、当您付费下载文档后,您只拥有了使用权限,并不意味着购买了版权,文档只能用于自身使用,不得用于其他商业用途(如 [转卖]进行直接盈利或[编辑后售卖]进行间接盈利)。
2、本站所有内容均由合作方或网友上传,本站不对文档的完整性、权威性及其观点立场正确性做任何保证或承诺!文档内容仅供研究参考,付费前请自行鉴别。
3、如文档内容存在违规,或者侵犯商业秘密、侵犯著作权等,请点击“违规举报”。

碎片内容

智能建筑工程检验批质量验收记录表

阳光书坊+ 关注
实名认证
内容提供者

阳光书坊,传播未来

确认删除?
VIP
微信客服
  • 扫码咨询
会员Q群
  • 会员专属群点击这里加入QQ群
客服邮箱
回到顶部