电脑桌面
添加小米粒文库到电脑桌面
安装后可以在桌面快捷访问

模具冷却系统设计说明

模具冷却系统设计说明_第1页
1/9
模具冷却系统设计说明_第2页
2/9
模具冷却系统设计说明_第3页
3/9
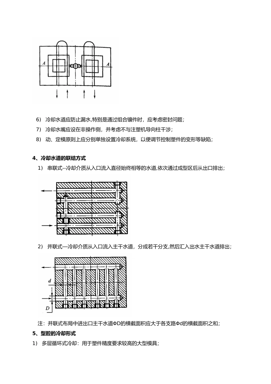
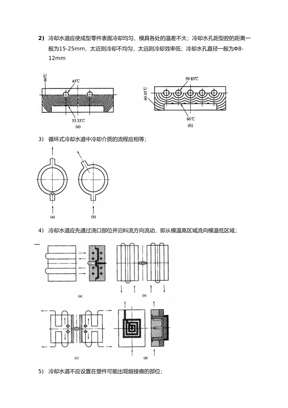
模具冷却/加热系统的设计1、模具温度调节系统概述塑料注射成型是将熔融状态的塑料高压注入模腔,其后熔料在模腔中冷却到塑料的热变形温度以下固化成型。该过程是由熔料和模具的温差实现的,由于不同的成型材料要求不同的模具温度(模具温度应低于塑件热变形温度),若模具温度过高或过低,都会影响塑件的质量和生产。--过高:溢料;缩孔;塑件固化时间长,注射周期长,生产率低;--过低:熔料流动性差,塑件应力增大,出现填充不良、熔接痕、缺料与表面不光泽等缺陷;--不均匀:出现收缩率偏差,塑件变形等问题;所以模具设计时必须考虑冷却或加热装置来调节模具温度。1)当成型时料温不足,为了使模具达到成型要求的模温,则应考虑加热装置;2)成型壁厚大于20mm的塑件时,则应考虑加热装置;3)当料温使模温超过成型要求的模温,则应考虑冷却装置;4)一般成型热塑性塑料时,模具需要冷却;热固性塑料的模具需要加热;2、模具温度调节的目的A、缩短成型周期:通过有效的冷却手段使模具保持在塑料的热变形温度以下;B、提高塑件质量:防止脱模变形;C、适应特别需要:注射结晶性塑料时,为控制塑料的结晶度,改善其综合性能,一般要求保持较高的模具温度;大型模具注射成型前需预热;对特别需要的模具局部加热;热流道系统的加热等;3、模具冷却系统设计要点1)冷却水道应与成型面各处距离相等,排列与成型面形状尽可能相符;2) 冷却水道应使成型零件表面冷却均匀,模具各处的温差不大;冷却水孔距型腔的距离一般为15-25mm,太近则冷却不均匀,太远则冷却效率低;冷却水孔直径一般为Φ8-12mm3)循环式冷却水道中冷却介质的流程应相等;4)冷却水道应先通过浇口部位并沿料流方向流动,即从模温高区域流向模温低区域;5)冷却水道不应设置在塑件可能出现熔接痕的部位;6)冷却水道应防止漏水,特别是通过组合镶件时,应考虑密封问题; 7)冷却水嘴应设在非操作侧,并考虑不与注塑机导向柱干涉;8)动、定模原则上应分别单独设置冷却系统,以便调节控制塑件的变形等缺陷;4、冷却水道的联结方式1)串联式--冷却介质从入口流入直径始终相等的水道,依次通过成型区后从出口排出;2)并联式—冷却介质从入口流入主干水道,分成若干分支,然后汇入出水主干水道排出;注:并联式布局中进出口主干水道ΦD的横截面积应大于各支路Φd的横截面积之和;5、型腔的冷却形式1)多层循环式冷却:用于塑件精度要求较高的大型模具;2)侧面循环式冷却:在组合面上设置冷却水道,考虑密...

1、当您付费下载文档后,您只拥有了使用权限,并不意味着购买了版权,文档只能用于自身使用,不得用于其他商业用途(如 [转卖]进行直接盈利或[编辑后售卖]进行间接盈利)。
2、本站所有内容均由合作方或网友上传,本站不对文档的完整性、权威性及其观点立场正确性做任何保证或承诺!文档内容仅供研究参考,付费前请自行鉴别。
3、如文档内容存在违规,或者侵犯商业秘密、侵犯著作权等,请点击“违规举报”。

碎片内容

模具冷却系统设计说明

您可能关注的文档

确认删除?
VIP
微信客服
  • 扫码咨询
会员Q群
  • 会员专属群点击这里加入QQ群
客服邮箱
回到顶部