电脑桌面
添加小米粒文库到电脑桌面
安装后可以在桌面快捷访问

水下混凝土浇筑施工设计工艺的设计说明

水下混凝土浇筑施工设计工艺的设计说明_第1页
1/22
水下混凝土浇筑施工设计工艺的设计说明_第2页
2/22
水下混凝土浇筑施工设计工艺的设计说明_第3页
3/22
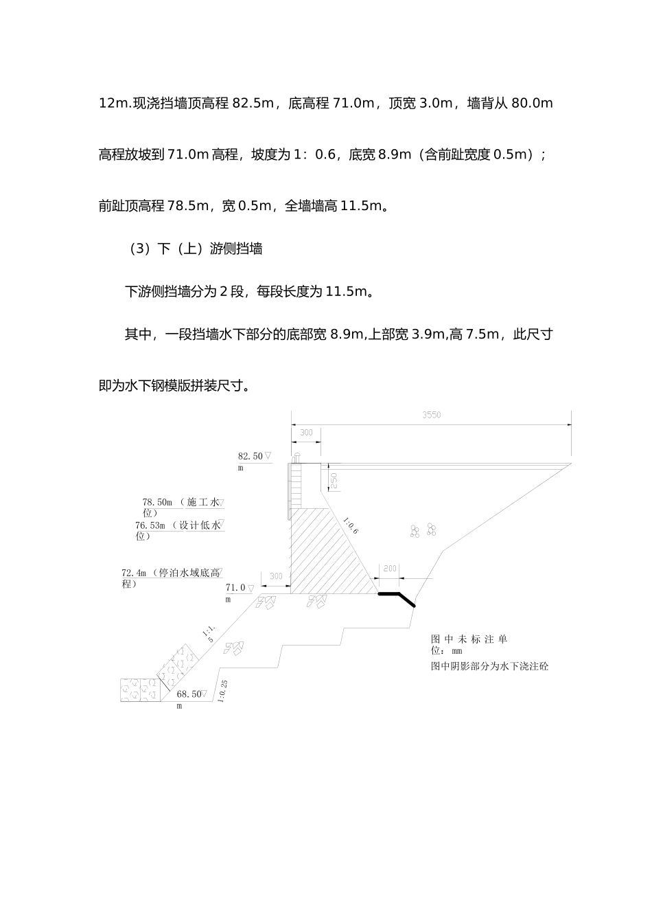
水下浇筑混凝土(施工方法)摘要:随着国家基础设施建设的加快,河成为开发建设的主要对象。河重力式码头受限于河水深与地理位置的影响,没有大型船机可以利用。码头重力式挡墙采纳定型模板陆上拼装、水下整体安装和水下混凝土浇注的施工工艺,可有效缩短工程工期,降低施工成本。本文结合港鹧鸪江作业区工程,对模板、水下混凝土浇注等关键工序进行阐述。关键字:重力式码头;气囊助浮;定型钢模板;水下混凝土浇注;混凝土流动模式1、引言1.1 工程概述港鹧鸪江作业区工程位于市北郊,柳江下游,鹧鸪江作业区共 4 个泊位,泊位总长 320m, 泊位码头水工长度均取 84.4m。其中 2#、3#泊位为已建泊位,1#、4#泊位为新建 2 个 1000t 级泊位(水工按 2000t 级预留),分别位于已建泊位的下、上游,设计年吞吐量 120 万 t,新建设码头水工结构型式采纳 C30 砼重力式挡墙+抛石基床结构。 工程施工容:1#、4#泊位基槽与停泊地开挖、抛石基床、码头水工挡墙、挡墙后回填、码头前沿铺面、码头水工附属设施等。本项目位于红花枢纽库区,水位受到水库调节影响,设计水位:高程基准面采纳当地理论最低水面起算。码头施工水位:78.5m;设计低水位:76.53m;一级平台设计高水位:81.97m;二级平台设计高水位:87.556m(20 年一遇)。1.2 挡墙结构布置设计(1) 上(下)游侧挡墙。分为 1 段,挡墙长度为 12m,挡墙分为两部分,下部分为抛石基床(夯实)。(2)码头前沿侧挡墙。码头前沿侧挡墙分为 7 段,上游端部挡墙长度 12.4m,其余挡墙长度为12m.现浇挡墙顶高程 82.5m,底高程 71.0m,顶宽 3.0m,墙背从 80.0m高程放坡到 71.0m 高程,坡度为 1:0.6,底宽 8.9m(含前趾宽度 0.5m);前趾顶高程 78.5m,宽 0.5m,全墙墙高 11.5m。(3)下(上)游侧挡墙下游侧挡墙分为 2 段,每段长度为 11.5m。其中,一段挡墙水下部分的底部宽 8.9m,上部宽 3.9m,高 7.5m,此尺寸即为水下钢模版拼装尺寸。1:1.51:0.61:0.2578.50m ( 施 工 水位)76.53m (设计低水位)82.50m72.4m (停泊水域底高程)71.0m68.50m图 中 未 标 注 单位: mm图中阴影部分为水下浇注砼图 1-1:码头断面图2、施工工艺2.1 港池开挖、抛石基床基槽开挖由泥层开挖和岩石破裂清理两部分组成,验收采纳硬式扫床方法,保证无浅点;边线无欠挖,边坡不陡于设计边坡。基槽开挖成形一段(约 50m)立即验收并组织抛石,以防止基床回淤。根据规和质量...

1、当您付费下载文档后,您只拥有了使用权限,并不意味着购买了版权,文档只能用于自身使用,不得用于其他商业用途(如 [转卖]进行直接盈利或[编辑后售卖]进行间接盈利)。
2、本站所有内容均由合作方或网友上传,本站不对文档的完整性、权威性及其观点立场正确性做任何保证或承诺!文档内容仅供研究参考,付费前请自行鉴别。
3、如文档内容存在违规,或者侵犯商业秘密、侵犯著作权等,请点击“违规举报”。

碎片内容

水下混凝土浇筑施工设计工艺的设计说明

您可能关注的文档

确认删除?
VIP
微信客服
  • 扫码咨询
会员Q群
  • 会员专属群点击这里加入QQ群
客服邮箱
回到顶部