电脑桌面
添加小米粒文库到电脑桌面
安装后可以在桌面快捷访问

环境管理策划与实施计划书

环境管理策划与实施计划书_第1页
1/13
环境管理策划与实施计划书_第2页
2/13
环境管理策划与实施计划书_第3页
3/13
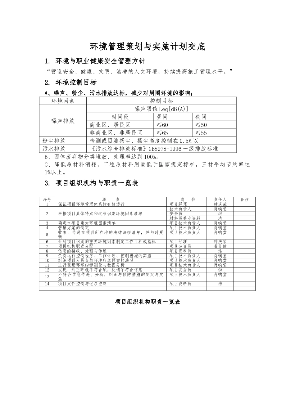
环境管理策划与实施计划交底1. 环境与职业健康安全管理方针“营造安全、健康、文明、洁净的人文环境,持续提高施工管理水平。”2. 环境控制目标A、噪声、粉尘、污水排放达标,减少对周围环境的影响;环境因素控制目标噪声排放噪声限值 Leq[dB(A)]时间段昼间夜间商业区、居民区≤60≤50非商业区、非居民区≤65≤55粉尘排放检测或目测扬尘,扬尘高度控制在 0.5M 以污水排放《污水综合排放标准》GB8978-1996 一级排放标准B、固体废弃物分类堆放、处理率达到 100%。C、降低原材料消耗,工程原材料用量低于国家规定标准。三材平均节约率达1%以上。3. 项目组织机构与职责一览表项目组织机构职责一览表序号职 责岗 位责任人备注1保证项目环境管理体系的有效运行项目经理钟庆荣2根据项目具体特点和过程识别环境因素清单技术负责人肖响堂安全员湃材料员兼业资料浩3确定本项目重大环境因素清单项目技术负责人肖响堂4管理方案的制定项目技术负责人肖响堂5收集、传递在项目所在地的法律法规清单,并与时更新项目技术负责人肖响堂6针对项目识别的重要环境因素制定工作目标或指标项目经理钟庆荣7项目机构职责分配项目劳资员董芳健8信息的接收、处理与传递项目资料员浩9负责运行控制程序、工作计划、控制措施的实施项目技术负责人肖响堂10组织项目人员参加环境应急预案的演习项目技术负责人肖响堂11进行现场环境指标测量与数据分析项目技术负责人肖响堂12发现、纠正环境不符合项,反馈不符合信息项目安全员湃13不符合信息传递、分析,纠正与预防措施的制定与实施项目技术负责人肖响堂14项目文件控制与记录控制项目资料员浩4. 环 境 因 素 识 别 与 评 价 结 果项目环境因素识别评价表选项序号活 动 /产 品 /服 务环 境因 素环 境 影 响排 放去 向数 量频 率时 态状 态现 有 控 制 方 式评 价方 法评 价 分 值备注abcde1冲 击 电钻 施 工噪 声排 放影 响 人 体 健 康 与 社区 居 民 生 活空 气9现 在正 常运 行 控 制多 因 素 评分 发 法11511一般项2冲 击 电钻 施 工粉 尘排 放污 染 空 气 、 影 响 人体 健 康空 气9现 在正 常运 行 控 制多 因 素 评分 发 法11511一般项3切 割 机施 工粉 尘排 放污 染 空 气 、 影 响 人体 健 康空 气9现 在正 常运 行 控 制多 因 素 评分 发 法11511一般项4切 割 机施 工噪 声排 放影 ...

1、当您付费下载文档后,您只拥有了使用权限,并不意味着购买了版权,文档只能用于自身使用,不得用于其他商业用途(如 [转卖]进行直接盈利或[编辑后售卖]进行间接盈利)。
2、本站所有内容均由合作方或网友上传,本站不对文档的完整性、权威性及其观点立场正确性做任何保证或承诺!文档内容仅供研究参考,付费前请自行鉴别。
3、如文档内容存在违规,或者侵犯商业秘密、侵犯著作权等,请点击“违规举报”。

碎片内容

环境管理策划与实施计划书

确认删除?
VIP
微信客服
  • 扫码咨询
会员Q群
  • 会员专属群点击这里加入QQ群
客服邮箱
回到顶部