电脑桌面
添加小米粒文库到电脑桌面
安装后可以在桌面快捷访问

电力线路施工安全工作票VIP专享

电力线路施工安全工作票_第1页
1/29
电力线路施工安全工作票_第2页
2/29
电力线路施工安全工作票_第3页
3/29
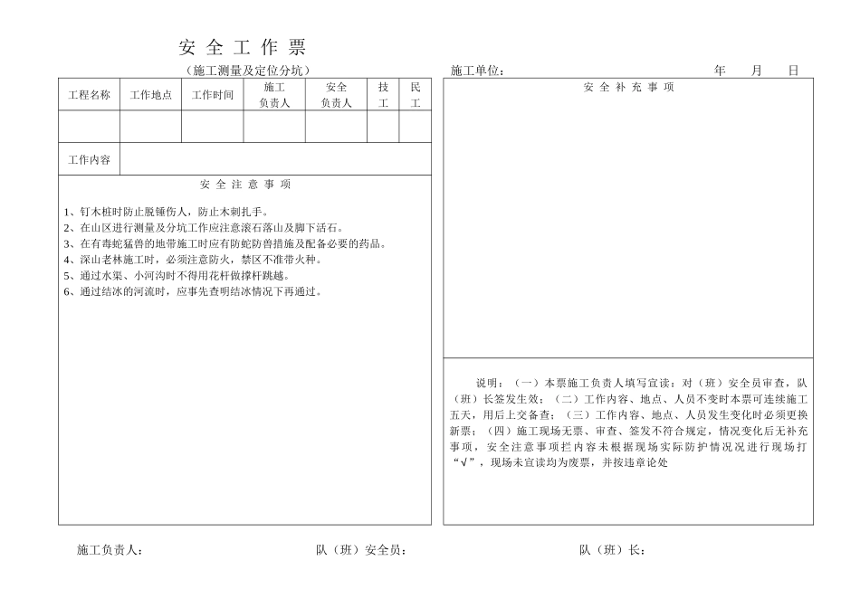
安 全 工 作 票(施工测量及定位分坑) 施工单位: 年 月 日工程名称工作地点工作时间施工负责人安全负责人技工民工安 全 补 充 事 项工作内容安 全 注 意 事 项1、钉木桩时防止脱锤伤人,防止木刺扎手。2、在山区进行测量及分坑工作应注意滚石落山及脚下活石。3、在有毒蛇猛兽的地带施工时应有防蛇防兽措施及配备必要的药品。4、深山老林施工时,必须注意防火,禁区不准带火种。5、通过水渠、小河沟时不得用花杆做撑杆跳越。6、通过结冰的河流时,应事先查明结冰情况下再通过。说明:(一)本票施工负责人填写宣读:对(班)安全员审查,队(班)长签发生效;(二)工作内容、地点、人员不变时本票可连续施工五天,用后上交备查;(三)工作内容、地点、人员发生变化时必须更换新票;(四)施工现场无票、审查、签发不符合规定,情况变化后无补充事 项 , 安 全 注 意 事 项 拦 内 容 未 根 据 现 场 实 际 防 护 情 况 况 进 行 现 场 打“√”,现场未宣读均为废票,并按违章论处施工负责人: 队(班)安全员: 队(班)长:安 全 工 作 票(桩式基础) 施工单位: 年 月 日工程名称工作地点工作时间施工负责人安全负责人技工民工安 全 补 充 事 项工作内容安 全 注 意 事 项1、作业前应全面检查机电设备,电器绝缘子和制动装置是否良好,传运部分是否有防护罩。2、钻机、打桩机运转时不准进行检查。3、打桩作业应注意安全事项:1)作业人员应听从统一指挥,按指挥起落桩锤;2)起落桩锤速度应均匀,桩锤下方严禁站人;3)打桩时如发现异常应停止工作,检查处理后方可继续作业;4)暂停作业或移动桩架时,桩锤必须放至最低位置。4、灌注桩施工安全注意事项:1)潜水钻机的电钻应使用封闭式防水电机,接电机的电缆必须绝缘良好;2)不得超负进钻,接钻杆时应先停止电钻转动,后提升钻杆;3)严禁作业人员进入没有护筒或其他防护设施的钻孔内进行工作;4)移动钻架和抱杆时,应设置临时拉线并有专人进行操作,作业时应由统一指挥。说明:(一)本票施工负责人填写宣读:对(班)安全员审查,队(班)长签发生效;(二)工作内容、地点、人员不变时本票可连续施工五天,用后上交备查;(三)工作内容、地点、人员发生变化时必须更换新票;(四)施工现场无票、审查、签发不符合规定,情况变化后无补充事 项 , 安 全 注 意 事 项 拦 内 容 未 根 据 现 场 实...

1、当您付费下载文档后,您只拥有了使用权限,并不意味着购买了版权,文档只能用于自身使用,不得用于其他商业用途(如 [转卖]进行直接盈利或[编辑后售卖]进行间接盈利)。
2、本站所有内容均由合作方或网友上传,本站不对文档的完整性、权威性及其观点立场正确性做任何保证或承诺!文档内容仅供研究参考,付费前请自行鉴别。
3、如文档内容存在违规,或者侵犯商业秘密、侵犯著作权等,请点击“违规举报”。

碎片内容

电力线路施工安全工作票

确认删除?
VIP
微信客服
  • 扫码咨询
会员Q群
  • 会员专属群点击这里加入QQ群
客服邮箱
回到顶部