电脑桌面
添加小米粒文库到电脑桌面
安装后可以在桌面快捷访问

电力集团某大型电气配件企业设备维修维护管理员岗位说明书

电力集团某大型电气配件企业设备维修维护管理员岗位说明书_第1页
1/2
电力集团某大型电气配件企业设备维修维护管理员岗位说明书_第2页
2/2
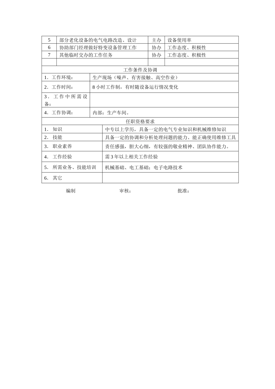
设备维修维护管理员岗位说明书NO. 岗位名称所在部门生产部岗位定员1 人直接上级生产部经理直接下级下级人数岗位分析日期2024-2岗位概要负责特变公司生产设备的机械维修、电气维修、安装、调试。工作内容及考核标准序号工作内容权责考核标准1每日巡查公司所有设备的运行状况主办责任心、工作态度2根据故障设备的机械部分、电气部分,分析故障原因,排除故障,恢复生产主办设备完好率、使用率、修理周期3新购设备的安装、调试、试运行主办工作效率4定期查看故障设备的运行状况,做好日常维护主办责任心5部分老化设备的电气电路改造、设计主办设备使用率6协助部门经理做好特变设备管理工作协办工作态度、积极性7其他临时交办的工作任务协办工作态度、积极性工作条件及协调1.工作环境:生产现场(噪声、有害接触、高空作业)2.工作时间:8 小时工作制,有时随设备运行情况变化3 . 工 作 中 所 需 设备:4.工作协调:内部:生产车间。任职资格要求1. 知识中专以上学历,具备一定的电气专业知识和机械维修知识2. 技能具备一定的协调和分析处理问题的能力、能正确使用维修工具3. 职业素养责任感强,胆大心细,有较强的敬业精神、团队协作能力。4. 工作经验需 3 年以上相关工作经验5. 所需业务、技能培训机械基础、电工基础;电子电路技术6. 其它编制 审核: 批准:

1、当您付费下载文档后,您只拥有了使用权限,并不意味着购买了版权,文档只能用于自身使用,不得用于其他商业用途(如 [转卖]进行直接盈利或[编辑后售卖]进行间接盈利)。
2、本站所有内容均由合作方或网友上传,本站不对文档的完整性、权威性及其观点立场正确性做任何保证或承诺!文档内容仅供研究参考,付费前请自行鉴别。
3、如文档内容存在违规,或者侵犯商业秘密、侵犯著作权等,请点击“违规举报”。

碎片内容

电力集团某大型电气配件企业设备维修维护管理员岗位说明书

您可能关注的文档

一二三四传媒+ 关注
实名认证
内容提供者

大量资料供您选择,没有合适的可以联系小二。

确认删除?
VIP
微信客服
  • 扫码咨询
会员Q群
  • 会员专属群点击这里加入QQ群
客服邮箱
回到顶部