电脑桌面
添加小米粒文库到电脑桌面
安装后可以在桌面快捷访问

盘扣式脚手架计算书

盘扣式脚手架计算书_第1页
1/17
盘扣式脚手架计算书_第2页
2/17
盘扣式脚手架计算书_第3页
3/17
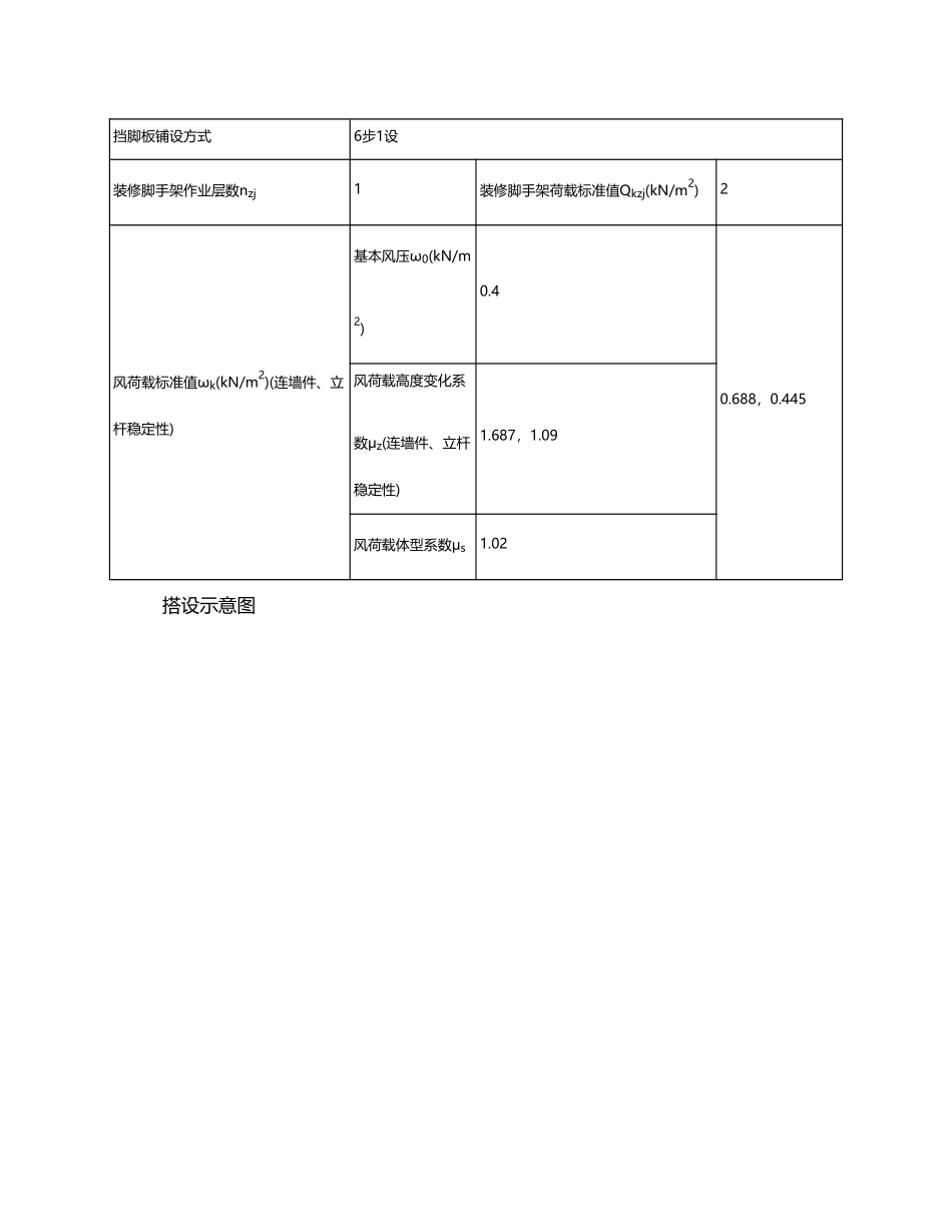
盘扣式脚手架计算书 计算依据: 1、《建筑施工承插型盘扣式钢管支架安全技术规程》 JGJ231-2024 2、《建筑地基基础设计规》GB50007-2024 3、《建筑结构荷载规》GB50009-2024 4、《钢结构设计规》GB50017-2024 一、脚手架参数脚手架架体高度H(m)13.4脚手架沿纵向搭设长度L(m)25立杆纵向间距la(m)1.8立杆横向间距lb(m)0.9立杆步距h(m)1.5脚手架总步数n8顶部防护栏杆高h1(m)1.2纵横向扫地杆距立杆底距离h2(mm)200立杆离建筑物距离a(mm)150脚手架立杆安放位置混凝土板 二、荷载设计脚手板类型冲压钢脚手板脚手板自重标准值Gk(kN/m2)0.35脚手板铺设方式6步1设密目式安全立网自重标准值Gkmw(kN/m2)0.01挡脚板类型冲压钢脚手板挡板栏杆与挡脚板自重标准值Gkdb(kN/m) 0.17挡脚板铺设方式6步1设装修脚手架作业层数nzj1装修脚手架荷载标准值Qkzj(kN/m2)2风荷载标准值ωk(kN/m2)(连墙件、立杆稳定性)基本风压ω0(kN/m2)0.40.688,0.445风荷载高度变化系数μz(连墙件、立杆稳定性)1.687,1.09风荷载体型系数μs1.02 搭设示意图盘扣式脚手架剖面图盘扣式脚手架立面图盘扣式脚手架平面图 三、横向横杆验算横向横杆钢管类型A-SG-1500横向横杆自重Gkhg(kN)0.05单跨间横杆根数njg2间横杆钢管类型B-SG-1500间横杆自重Gkjg(kN)0.043纵向横杆钢管类型B-SG-1500纵向横杆自重Gkzg(kN)0.043横向横杆抗弯强度设计值(f)(N/mm2)205横向横杆截面惯性矩I(mm4)92800横向横杆弹性模量E(N/mm2)206000横向横杆截面抵抗矩W(mm3)3860 承载力使用极限状态 q=1.2×(Gkhg/lb+Gk×la/(njg+1) )+1.4×Qkzj × la /( njg +1) =1.2×(0.050/0.9+0.35×1.8/(2+1))+1.4×2.0×1.8/(2+1)=1.999kN/m 正常使用极限状态 q'=(Gkhg/lb+Gk×la/(njg+1) )+Qkzj × la /( njg +1) =(0.050/0.9+0.35×1.8/(2+1))+2.0×1.8/(2+1)=1.466kN/m 计算简图如下 1、抗弯验算 Mmax=qlb2/8=1.999×0.92/8=0.202kN·m σ=Mmax/W=0.202×106/3860=52.43N/mm2≤[f]=205N/mm2 满足要求。 2、挠度验算 Vmax=5q'lb4/(384EI)=5×1.466×9004/(384×206000×92800) =0.65mm≤[ν]=min[lb/150,10] = min[900/150,10] =6mm 满足要求。 3、支座反力计算 承载力使用极限状态 R1=R2= qlb/2=1.999×0.9/2=0.899kN 正常使用极限状态 R1'=R2'= q'lb/2=1.466×0.9/2=0.659kN 四、间横杆验算单跨间横杆根数njg2间横杆钢管类型B-SG-1500间横杆自重Gkjg(kN)0.043间横杆抗弯强...

1、当您付费下载文档后,您只拥有了使用权限,并不意味着购买了版权,文档只能用于自身使用,不得用于其他商业用途(如 [转卖]进行直接盈利或[编辑后售卖]进行间接盈利)。
2、本站所有内容均由合作方或网友上传,本站不对文档的完整性、权威性及其观点立场正确性做任何保证或承诺!文档内容仅供研究参考,付费前请自行鉴别。
3、如文档内容存在违规,或者侵犯商业秘密、侵犯著作权等,请点击“违规举报”。

碎片内容

盘扣式脚手架计算书

不二商店+ 关注
实名认证
内容提供者

我是你的不二选择

相关文档

确认删除?
VIP
微信客服
  • 扫码咨询
会员Q群
  • 会员专属群点击这里加入QQ群
客服邮箱
回到顶部