电脑桌面
添加小米粒文库到电脑桌面
安装后可以在桌面快捷访问

空压机的性能检测

空压机的性能检测_第1页
1/9
空压机的性能检测_第2页
2/9
空压机的性能检测_第3页
3/9
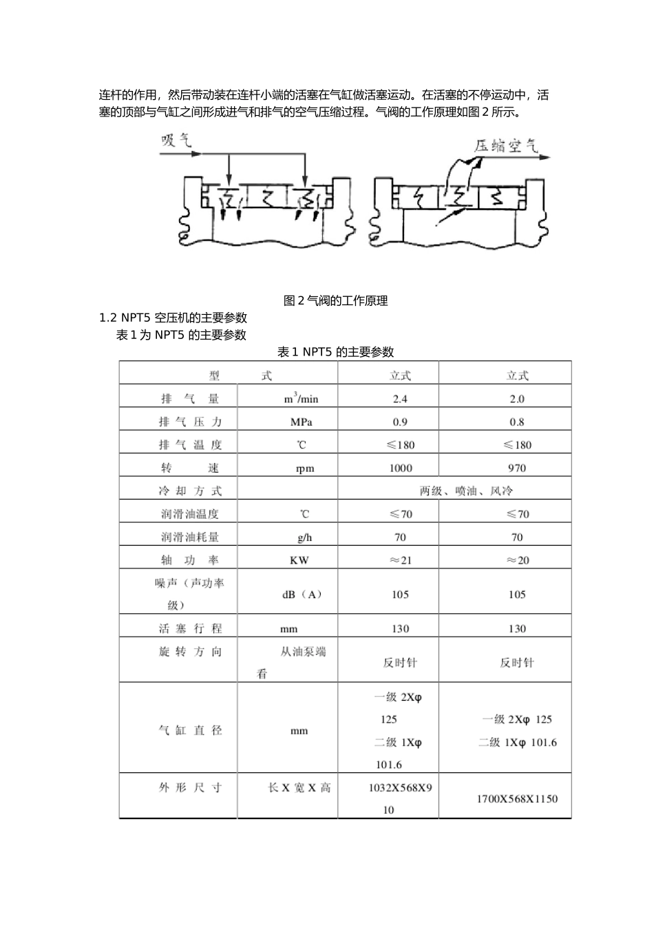
1 空压机的概述1.1 NPT5 空压机的组成结构和工作原理(1)组成结构NPT5 空气压缩机是一种常用的空气压缩机,目前为止,它也是机车中使用最多的一种空气压缩机。当环境温度小于 30 0C 时,它能够连续稳定运转。前面也介绍了,它主要用于铁路机车的制动系统,还包括其它的气源部件,如鸣笛等。NPT5 是三缸,立式,风冷,两级压缩的活塞式空气压缩机。其结构图如图 1 所示。图 1 空压机的结构图NPT5 主要由运动部件,空气压缩系统,润滑系统和冷却系统组成,下面分别对各个部分作简单的介绍。1)运动部件曲轴是空压缩机中很重要的一个部件。原动机经由曲轴带动,使电机的旋转运动转换成活塞的上下来回运动。在曲轴的一端装有油泵的联轴器带动油泵旋转。连杆是受力部件。活塞环是个密封部件,主要负责布油和导热。 2)空气压缩系统曲轴由原动机带动作规律的旋转,通过连杆使活塞作规律的往复运动。在活塞不断运动的过程中,气缸工作容积也在随之不断变化。因为气阀的原因,空气也会根据一定规律在运动,从而形成对空气的压缩作用。3)润滑系统对于空压机的运行,润滑系统是一个必不可少也非常关键的系统分。NPT5 空压机主要是采纳压力润滑的解决办法。4)冷却系统压缩机的冷却系统是非常有必要的,不然超过了它的运行温度,会导致空压机不能正常的工作。空压机的冷去系统主要包括对压缩空气的冷却和受热机件的冷却。本压缩机采纳了强迫通风的冷却装置,结构很简单,主要部件为风扇和冷却器。( 2) NPT5 空压机的工作原理电动机通过联轴器将动力输入,然后带动空压机的曲轴按指定的方向作旋转运动。由于连杆的作用,然后带动装在连杆小端的活塞在气缸做活塞运动。在活塞的不停运动中,活塞的顶部与气缸之间形成进气和排气的空气压缩过程。气阀的工作原理如图 2 所示。图 2 气阀的工作原理1.2 NPT5 空压机的主要参数表 1 为 NPT5 的主要参数表 1 NPT5 的主要参数1.3 NPT5 空压机常见的故障与处理方式NPT5 空压机在运行中常见的故障、原因和处理方式如下表 2表 2 NPT5 空压机在运行中可能产生的故障与其原因和处理方式2 NPT5 性能测试试验台的设计依据根据 NPT5 空压机组实际的工况条件,以与 NPT5 空压机性能检测的具体要求,NPT5空压机性能检测试验台需要对它的各个性能参数进行检测。根据其用户的要求,其性能检测试验台具体设计要求如下:(1)空压机性能检测试验台要能对轻轨列车用 NPT5 空压机性能检测试验,可...

1、当您付费下载文档后,您只拥有了使用权限,并不意味着购买了版权,文档只能用于自身使用,不得用于其他商业用途(如 [转卖]进行直接盈利或[编辑后售卖]进行间接盈利)。
2、本站所有内容均由合作方或网友上传,本站不对文档的完整性、权威性及其观点立场正确性做任何保证或承诺!文档内容仅供研究参考,付费前请自行鉴别。
3、如文档内容存在违规,或者侵犯商业秘密、侵犯著作权等,请点击“违规举报”。

碎片内容

空压机的性能检测

文旅传媒+ 关注
实名认证
内容提供者

传播文化,成就未来

确认删除?
VIP
微信客服
  • 扫码咨询
会员Q群
  • 会员专属群点击这里加入QQ群
客服邮箱
回到顶部