电脑桌面
添加小米粒文库到电脑桌面
安装后可以在桌面快捷访问

管道施工质量检验评定表

管道施工质量检验评定表_第1页
1/14
管道施工质量检验评定表_第2页
2/14
管道施工质量检验评定表_第3页
3/14
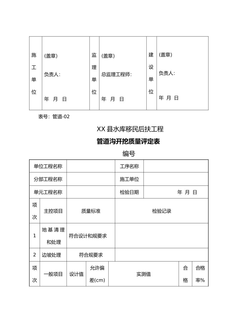
表号:管道-01XX 县水库移民后扶工程管道安装单位工程质量评定表 编号:单位工程名称工程数量分部工程名称施工单位单元工程名称评定日期 年 月 日 项次单元(工序)名称验收记录验收结论1管道沟开挖2PVC(PE)管道安装/压力混凝土管3管道注水试验4土方回填5附属设施单位工程质量等级评定意见本单位工程共计个分部,合格个,合格率为%;优良个,优良率为 % 评定时间: 年 月 日施工单位(盖章)负责人:年 月 日监理单位(盖章)总监理工程师:年 月 日建设单位(盖章)负责人:年 月 日表号:管道-02 XX 县水库移民后扶工程管道沟开挖质量评定表 编号单位工程名称工序名称分部工程名称施工单位单元工程名称检验日期 年 月 日 项次主控项目质量标准检验记录1地 基 清 理和处理符合设计和规要求2边坡处理符合规要求项次一般项目设计值允许偏差(cm)实测值合格合格率%1管沟开挖断面±22管沟深度±5施工单位自评意见主控项目检测合格,一般项目逐项检测点的合格率%,且不合格点不集中分布。单元(工序)工程质量等级评定为。质检人员: 年 月 日监理单位复核意见经复核,主控项目检测合格,一般项目逐项检测点的合格率%,且不合格点不集中分布。单元(工序)工程质量等级评定为。监理工程师: 年 月 日表号:管道-03 XX 县水库移民后扶工程 PVC(PE)管道安装质量评定表 编号:单位工程名称工序名称分部工程名称施工单位单元工程名称检验日期 年 月 日 项次主控项目质量标准检验记录1管材管件原材料质量与压力强度检查管材与管件的材质、规格、耐压等级是否符合设计要求,是否具备产品质量合格证。2管材、管件外观管材的外表面应清洁、光滑,不允许有气泡、明显的划伤、凹陷、杂质、颜色不均等缺陷.管端应切割平整,并与管轴线垂直.3管道连接质量管道连接使用的粘接剂必须与管道材质相匹配.热接插的深度符合要求,并用管箍线丝扎紧,接口牢固,无漏水现象施工单位自评意见项目检测 合格,单元(工序)工程质量等级评定为 合格 。质检人员: 年 月 日监理单位复核意见经复核,项目检测,单元(工序)工程质量等级评定为。 监理工程师: 年 月 日表号:管道-04 XX 县水库移民后扶工程管道注水试验评定表 编号:单位工程名称工序名称分部工程名称施工单位单元工程名称检验日期年 月 日 项次试验项目质量标准试验记录结论试验性质试验压力(Mpa)试压时间(min)要求标准1管件与阀门强度10无渗漏2管件与阀门严...

1、当您付费下载文档后,您只拥有了使用权限,并不意味着购买了版权,文档只能用于自身使用,不得用于其他商业用途(如 [转卖]进行直接盈利或[编辑后售卖]进行间接盈利)。
2、本站所有内容均由合作方或网友上传,本站不对文档的完整性、权威性及其观点立场正确性做任何保证或承诺!文档内容仅供研究参考,付费前请自行鉴别。
3、如文档内容存在违规,或者侵犯商业秘密、侵犯著作权等,请点击“违规举报”。

碎片内容

管道施工质量检验评定表

您可能关注的文档

确认删除?
VIP
微信客服
  • 扫码咨询
会员Q群
  • 会员专属群点击这里加入QQ群
客服邮箱
回到顶部