电脑桌面
添加小米粒文库到电脑桌面
安装后可以在桌面快捷访问

给排水施工图例VIP专享

给排水施工图例_第1页
1/15
给排水施工图例_第2页
2/15
给排水施工图例_第3页
3/15
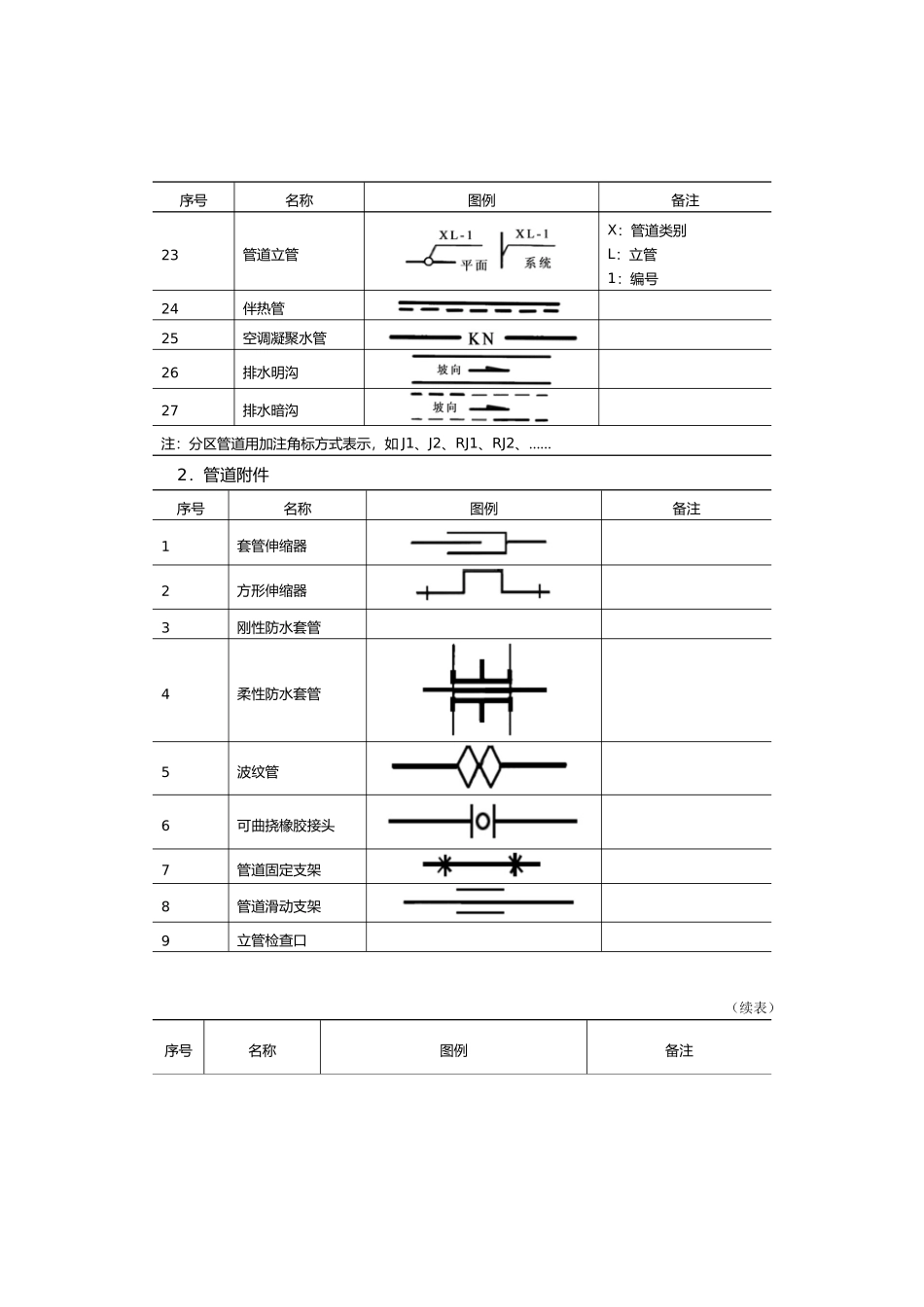
附录Ⅳ 给排水工程图常用图例(摘自 GB/T50106-2001)管道类别应以汉语拼音字母表示1.管道图例序号名称图例备注1生活给水管 2热水给水管 3热水回水管 4中水给水管 5循环给水管 6循环回水管 7热媒给水管 8热媒回水管 9蒸汽管 10凝聚水管 11废水管可与中水源水管合用12压力废水管 13通气管 14污水管 15压力污水管 16雨水管 17压力雨水管 18膨胀管 19保温管 20多孔管 21地沟管 22防护套管 (续表)序号名称图例备注23管道立管X:管道类别L:立管 1:编号 24伴热管 25空调凝聚水管 26排水明沟 27排水暗沟 注:分区管道用加注角标方式表示,如 J1、J2、RJ1、RJ2、……2.管道附件序号名称图例备注1套管伸缩器 2方形伸缩器 3刚性防水套管 4柔性防水套管 5波纹管 6可曲挠橡胶接头 7管道固定支架 8管道滑动支架 9立管检查口 (续表)序号名称图例备注10清扫口 11通气帽 12雨水斗 13排水漏斗 14圆形地漏通用。假如为无水封,地漏应加存水弯15方形地漏 16自动冲洗水箱 17挡墩 18减压孔板把水压减小 19Y 形除污器、过滤阀,是输送管道系统不可缺少的作用是过滤介质中的机械杂质,可以对污水中的铁锈、沙粒、液体中少量固体颗粒等进行过滤,只要将可拆卸的滤筒取出 20毛发聚集器 21防回流污染止回阀市政管道与给水管连接处给水与消防管连接处 防止回流污染 22吸气阀重力差压式工作原理,只吸气不排气开启水头(负压值)低补气灵敏合多层和高层建筑排水要求;静音无声操作,自动可取代辅助通气管道和器具通气管 3.管道连接序号名称图例备注1法兰连接在管道上焊接的圈然后又用螺钉固结起来中间加个密封垫 2承插连接把管子塞进去利用水压把锥形密封圈往外排挤然后最后密封 (续表)序号名称图例备注3活接头像螺钉一样有丝纹可以拧开 4管堵 5法兰堵盖 6弯折管表示管道向后与向下弯转90°7三通连接 8四通连接 9盲板主要把管子堵起来作用也叫蒙板 10管道丁字上接 从管道上端接出支管11管道丁字下接 12管道交叉在下方和后面的管道应断开4.管件 序号名称图例备注1偏心异径管 2异径管 3乙字管 4喇叭口 5转动接头 6短管分铁墨短管 法兰短管 丝纹短管 (续表)序号名称图例备注7存水弯 8弯头 9正三通 10斜三通 11正四通 12斜四通 13浴盆排水件 5.阀门 序号名称图例备注1闸阀闸板阀用于隔离 2角阀 3三通阀 4四通阀 5截止阀截止阀一般用于压力流量控制 6电动阀 7液动阀 8气动阀...

1、当您付费下载文档后,您只拥有了使用权限,并不意味着购买了版权,文档只能用于自身使用,不得用于其他商业用途(如 [转卖]进行直接盈利或[编辑后售卖]进行间接盈利)。
2、本站所有内容均由合作方或网友上传,本站不对文档的完整性、权威性及其观点立场正确性做任何保证或承诺!文档内容仅供研究参考,付费前请自行鉴别。
3、如文档内容存在违规,或者侵犯商业秘密、侵犯著作权等,请点击“违规举报”。

碎片内容

给排水施工图例

确认删除?
VIP
微信客服
  • 扫码咨询
会员Q群
  • 会员专属群点击这里加入QQ群
客服邮箱
回到顶部