电脑桌面
添加小米粒文库到电脑桌面
安装后可以在桌面快捷访问

综采工作面全面总结

综采工作面全面总结_第1页
1/146
综采工作面全面总结_第2页
2/146
综采工作面全面总结_第3页
3/146
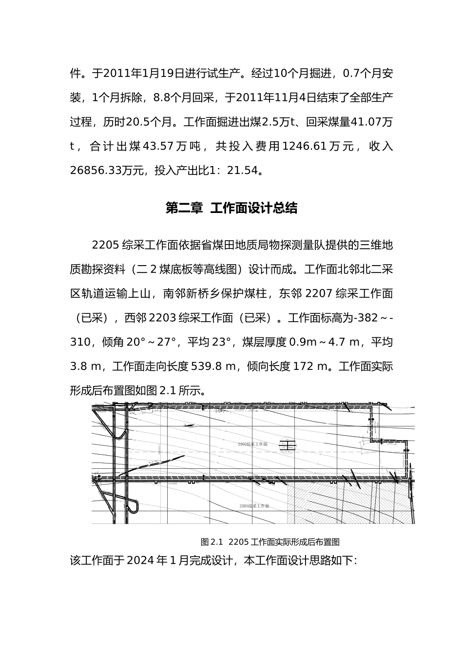
第一章 工作面概况2205 综采工作面北邻北二采区轨道上山保护煤柱,南邻新桥乡保护煤柱,东邻 2207 综采工作面(已采),西邻 2203 综采工作面(已采)。2205 轨道运输顺槽通过 2205 轨道运输顺槽车场与北二采区轨道运输上山相通,2205 胶带运输顺槽通过 2205 胶带运输顺槽联络巷和 2205 胶带运输顺槽外段与北二采区胶带运输石门相通,并通过 2205 胶带运输顺槽联络巷和 2205 胶带运输顺槽车场与北二采区轨道运输石门相通。工作面轨道运输顺槽可采长度 500m,胶带运输顺槽可采长度 580m,里切眼长度 60m,外切眼长度 112m,可采面积 92376㎡,工业储量 45.51 万吨,可采储量 43.23 万吨,服务年限 5.6 个月。工作面煤层为二 2 煤层,煤层稳定,煤层厚度最小 0.9m,最大 4.7m,平均 3.8m;2205 综采工作面位于马庄向斜北端,煤层倾角 20°-27°,平均 23°。自切眼往外轨道运输顺槽约 50m、胶带运输顺槽约 130m 围,煤层厚度较薄,局部有伪顶与夹矸,煤岩类型以亮煤、镜煤为主,次为暗煤。本综采工作面采纳走向长壁一次采全厚的采煤方法,用双滚筒采煤机破煤、装煤,刮板输送机、胶带输送机运煤,液压支架支护顶板,全部垮落法处理采空区。2205工作面于2024年1月完成设计,2024年2月开始掘进准备,2024年12月切眼贯穿,当月安装,2024年1月份具备生产条件。于2011年1月19日进行试生产。经过10个月掘进,0.7个月安装,1个月拆除,8.8个月回采,于2011年11月4日结束了全部生产过程,历时20.5个月。工作面掘进出煤2.5万t、回采煤量41.07万t , 合 计 出 煤 43.57 万 吨 , 共 投 入 费 用 1246.61 万 元 , 收 入26856.33万元,投入产出比1:21.54。第二章 工作面设计总结2205 综采工作面依据省煤田地质局物探测量队提供的三维地质勘探资料(二 2 煤底板等高线图)设计而成。工作面北邻北二采区轨道运输上山,南邻新桥乡保护煤柱,东邻 2207 综采工作面(已采),西邻 2203 综采工作面(已采)。工作面标高为-382~-310,倾角 20°~27°,平均 23°,煤层厚度 0.9m~4.7 m,平均3.8 m,工作面走向长度 539.8 m,倾向长度 172 m。工作面实际形成后布置图如图 2.1 所示。2206胶带顺槽外段2206胶带顺槽车场2208胶带顺槽2205轨道顺槽207L1206PC6207P3207P4207P5207P6203G2203G3203G4203G5203G6203G7203G8203Q1F2-03-2177° H=0.8~3.0m ∠50°-460-480-520-540-500-500D...

1、当您付费下载文档后,您只拥有了使用权限,并不意味着购买了版权,文档只能用于自身使用,不得用于其他商业用途(如 [转卖]进行直接盈利或[编辑后售卖]进行间接盈利)。
2、本站所有内容均由合作方或网友上传,本站不对文档的完整性、权威性及其观点立场正确性做任何保证或承诺!文档内容仅供研究参考,付费前请自行鉴别。
3、如文档内容存在违规,或者侵犯商业秘密、侵犯著作权等,请点击“违规举报”。

碎片内容

综采工作面全面总结

确认删除?
VIP
微信客服
  • 扫码咨询
会员Q群
  • 会员专属群点击这里加入QQ群
客服邮箱
回到顶部