电脑桌面
添加小米粒文库到电脑桌面
安装后可以在桌面快捷访问

桥梁墩柱、承台施工方案

桥梁墩柱、承台施工方案_第1页
1/14
桥梁墩柱、承台施工方案_第2页
2/14
桥梁墩柱、承台施工方案_第3页
3/14
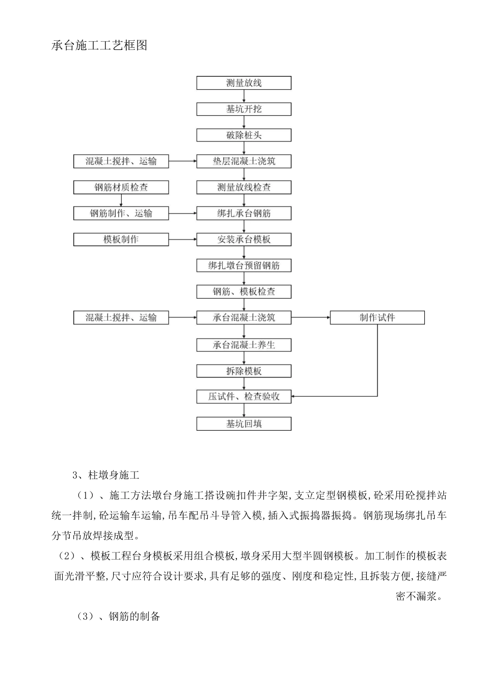
桥梁墩柱、承台施工方案一、编制依据本施工工艺的编制以下列文件和资料为依据1、《公路桥涵施工技术规范》(JTJ041-2000)2、《公路工程水泥混凝土试验规程》(JTJ053-94)3、《公路工程集料试验规程》(JTJ058-2000)4、《公路工程金属试验规程》(JTJ055-83)5、《公路工程质量检验评定标准》(JTGF80/1-2004)6、《公路工程施工安全技术标准》(JTJ076-95)二、工程概况XXXXX 路是国家高速公路。主要技术指标:公路等级山岭重丘区双向四车道,设计速度 80Km/h,最大纵坡 4%,路基宽度整体式路基 24.5m,路拱横坡 2%,汽车荷载公路一 I 级,设计洪水频率特大桥 1/300,其余结构 1/100,地震列度 VII 度。三、施工工艺1、测量放样利用全站仪根据设计所给导线控制点测定桥梁横轴线,并根据桥台桩柱、盖梁与桥横轴线相对距离定位,再利用钢尺进行复核,确保放样准确2、承台施工(1)、基坑开挖基坑开挖采用无支撑放坡开挖,放坡坡度为 1:0.5~1:0.66,开挖尺寸根据承台的尺寸、支模及操作的要求,设置排水沟和集水坑的需要等因素进行确定。基坑顶面设置截水沟,防止地面水流入基坑,若遇昔格达地层,则视地质条件对坑边作加固处理。(2)、承台底的处理基坑开挖完成后,在基坑四周设置排水沟,人工清平基坑底,浇注 10cm 厚的 C15素混凝土垫层。(3)、模板及钢筋在设置模板前按前述做好承台底的处理,破除桩头,调整桩顶钢筋,作好喇叭口。模板采用组合钢模,纵、横楞木采用型钢,在施工前必须进行详细的模板设计,以保证使模板有足够的强度、刚度和稳定性,能可靠地承受施工过程中可能产生的各项荷载,保证结构各部形状、尺寸的准确。模板要求平整,接缝严密,拆装容易,操作方便。先拼成若干大块,再由吊车安装就位,支撑牢固。钢筋的制作严格按技术规范及设计图纸的要求进行,墩身的预埋钢筋位置要准确、牢固。(4)、混凝土的浇注⑴ 混凝土采用集中拌和,砼搅拌运输车运输,泵送入模。⑵混凝土的浇注要分层进行,每层厚度不大于 30 厘米,采用插入式振捣器振捣,振动时间 20〜30s,操作时依次垂直插入砼内,拨出时速度要缓慢,相邻两个插入位置的距离不大于振动器的有效振动范围且不大于 50cm,插入下层砼的深度为 5〜10cm。承台施工工艺框图3、柱墩身施工(1)、施工方法墩台身施工搭设碗扣件井字架,支立定型钢模板,砼采用砼搅拌站统一拌制,砼运输车运输,吊车配吊斗导管入模,插入式振捣器振捣。钢筋现场绑扎吊车分节吊放焊接成型。(2)、模板工程...

1、当您付费下载文档后,您只拥有了使用权限,并不意味着购买了版权,文档只能用于自身使用,不得用于其他商业用途(如 [转卖]进行直接盈利或[编辑后售卖]进行间接盈利)。
2、本站所有内容均由合作方或网友上传,本站不对文档的完整性、权威性及其观点立场正确性做任何保证或承诺!文档内容仅供研究参考,付费前请自行鉴别。
3、如文档内容存在违规,或者侵犯商业秘密、侵犯著作权等,请点击“违规举报”。

碎片内容

桥梁墩柱、承台施工方案

确认删除?
VIP
微信客服
  • 扫码咨询
会员Q群
  • 会员专属群点击这里加入QQ群
客服邮箱
回到顶部