电脑桌面
添加小米粒文库到电脑桌面
安装后可以在桌面快捷访问

风险点排查、危险源辨方法

风险点排查、危险源辨方法_第1页
1/8
风险点排查、危险源辨方法_第2页
2/8
风险点排查、危险源辨方法_第3页
3/8
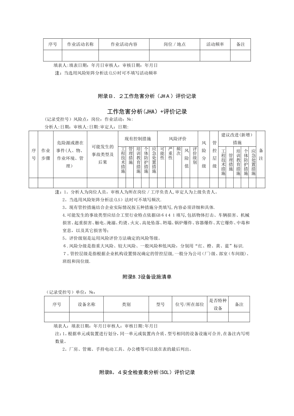
1 工作程序和内容1.1 风险点确定1.1.1 风险点划分原则1.1.1.1 设施、部位、场所、区域风险点划分应当遵循“大小适中、便于分类、功能独立、易于管理、范围清楚”的原则,工贸企业风险点划分可根据原料、产品储存区域、生产车间或装置、公辅设施等功能分区进行划分.对于规模较大、工艺复杂的系统可根据所包含的工序、设施、部位进行细分。示例:按区域场所划分如原料仓库、生产车间、成品仓库、储罐区、制冷车间、污水处理场、锅炉房等;按工序划分如纺织行业的前纺工序、织造工序等;按设施划分如除尘系统等;按部位划分如铁合金生产企业的炉前部位、炉面部位等.1.1.1.2 操作及作业活动对操作及作业活动等风险点的划分,应当涵盖生产经营全过程所有常规和非常规状态的作业活动,风险等级高、可能导致严重后果的作业活动应作为风险点。示例:高温熔融金属吊运、危险区域动火作业、受限空间作业等危险作业.1.1.2 风险点排查1.1.2.1 风险点排查的内容工贸企业应根据风险点划分原则,在本单位生产活动区域内对生产经营全过程进行风险点排查,确定包括风险点名称、类型、区域位置、可能发生的事故类型及后果等内容的基本信息,建立风险点统计表,参见附录A。1.1.2.2 风险点排查的方法风险点排查应按生产(工作)流程的阶段、场所、装置、设施、作业活动或上述几种方法的结合等进行。1.2 危险源辨识1.2.1 辨识方法1.2.1.1 生产过程中的危险源辨识宜采纳工作危害分析法(JH A).即:针对每个作业活动中的每个作业步骤或作业内容,识别出与此步骤或内容有关的危险源,建立作业活动清单,参见附录 B.1,工作危害分析评价记录表,参见附录 B.2.1.2.1.2 企业可以针对设备设施等宜采纳安全检查表法(S CL法)进行危险源辨识,建立设备设施清单,参见附录 B。3,安全检查分析记录表,参见附录 B.4.1.2.1.3 对于复杂的工艺可采纳危险与可操作性分析法(H AZ O P)、危险度评价、事故树分析法等进行危险源辨识。1.2.1.4 有能力的工贸企业进行危险源辨识时可不限于以上推举的方法。1.2.2 辨识范围危险源的辨识范围应覆盖所有的作业活动和设备设施,包括:——规划、设计(重点是新、改、扩建项目)和建设、投产、运行等阶段;——常规和非常规作业活动;——事故及潜在的紧急情况;——所有进入作业场所人员的活动;——原材料、产品的运输和使用过程;——作业场所的设施、设备、车辆、安全防护用品;——工艺、设备、管理、人员等变更;——丢弃、废弃、拆...

1、当您付费下载文档后,您只拥有了使用权限,并不意味着购买了版权,文档只能用于自身使用,不得用于其他商业用途(如 [转卖]进行直接盈利或[编辑后售卖]进行间接盈利)。
2、本站所有内容均由合作方或网友上传,本站不对文档的完整性、权威性及其观点立场正确性做任何保证或承诺!文档内容仅供研究参考,付费前请自行鉴别。
3、如文档内容存在违规,或者侵犯商业秘密、侵犯著作权等,请点击“违规举报”。

碎片内容

风险点排查、危险源辨方法

您可能关注的文档

一帆文传+ 关注
实名认证
内容提供者

欢迎光临店铺,各类公文供您挑选。

确认删除?
VIP
微信客服
  • 扫码咨询
会员Q群
  • 会员专属群点击这里加入QQ群
客服邮箱
回到顶部