电脑桌面
添加小米粒文库到电脑桌面
安装后可以在桌面快捷访问

14000法律-法规-标准及要求清单

14000法律-法规-标准及要求清单_第1页
1/11
14000法律-法规-标准及要求清单_第2页
2/11
14000法律-法规-标准及要求清单_第3页
3/11
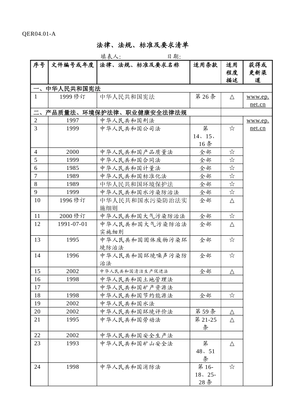
法律、法规、标准及要求清单填表人: 日期:序号文件编号或年度法律、法规、标准及要求名称适用条款适用程度描述获得或更新渠道一、中华人民共和国宪法11999 修订中华人民共和国宪法 第 26 条△www.ep.net.cn二、产品质量法、环境保护法律、职业健康安全法律法规21997中华人民共和国刑法www.ep.net.cn31999中华人民共和国公司法第14、15、16 条☆42000中华人民共和国产品质量法全部☆51999中华人民共和国合同法全部☆61985中华人民共和国计量法全部☆71989中华人民共和国标准化法 全部☆81989中华人民共和国环境保护法 全部☆91999中华人民共和国水污染防治法全部☆101996 修订中华人民共和国水污染防治法实施细则全部△112000 修订中华人民共和国大气污染防治法 全部☆121991-07-01中华人民共和国大气污染防治法实施细则全部△131995中华人民共和国固体废物污染环境防治法 全部☆141996中华人民共和国环境噪声污染防治法 全部☆152002中华人民共和国清洁生产促进法全部△161998中华人民共和国土地管理法 17中华人民共和国矿产资源法181998中华人民共和国节约能源法全部☆192002中华人民共和国水法 202002中华人民共和国环境评价法第 59 条△211995中华人民共和国劳动法第 21-25条△222002中华人民共和国安全生产法231993中华人民共和国矿山安全法第48、51条△241998中华人民共和国消防法第 16-18、25-28 条☆QER04.01-A序号文件编号或年度法律、法规、标准及要求名称适用条款适用程度描述获得或更新渠道251995中华人民共和国食品卫生法262002中华人民共和国职业病防治法271996中华人民共和国煤炭法282003中华人民共和国道路交通安全法291983中华人民共和国海上交通安全法301992中华人民共和国妇女权益保障法312001中华人民共和国工会法321992中华人民共和国未成年人保护法331990中华人民共和国铁路法341991中华人民共和国残疾人保障法三、环境保护和职业健康安全行政法规、规章、规范性文件352002排污费征收使用管理条例第 12 条☆www.ep.net.cn362003排污费征收标准管理办法(附件一:排污费征收标准及计算方法)371997国务院关于加强乡镇、街道企业环境管理的规定 第九条△381997关于加强乡镇企业环境保护工作的规定 391992关于加强外商投资建设项目环境保护管理的通知第三、四、五条401996国务院关于环境保护若干问题的决定 第三条△411992排 放 污 染 物 申 报 登 记 管 理 规 定(第十号局令) 全部☆...

1、当您付费下载文档后,您只拥有了使用权限,并不意味着购买了版权,文档只能用于自身使用,不得用于其他商业用途(如 [转卖]进行直接盈利或[编辑后售卖]进行间接盈利)。
2、本站所有内容均由合作方或网友上传,本站不对文档的完整性、权威性及其观点立场正确性做任何保证或承诺!文档内容仅供研究参考,付费前请自行鉴别。
3、如文档内容存在违规,或者侵犯商业秘密、侵犯著作权等,请点击“违规举报”。

碎片内容

14000法律-法规-标准及要求清单

您可能关注的文档

文章天下+ 关注
实名认证
内容提供者

各种文档应有尽有

相关文档

确认删除?
VIP
微信客服
  • 扫码咨询
会员Q群
  • 会员专属群点击这里加入QQ群
客服邮箱
回到顶部