电脑桌面
添加小米粒文库到电脑桌面
安装后可以在桌面快捷访问

房地产冲孔桩桩基础施工组织设计

房地产冲孔桩桩基础施工组织设计_第1页
1/43
房地产冲孔桩桩基础施工组织设计_第2页
2/43
房地产冲孔桩桩基础施工组织设计_第3页
3/43
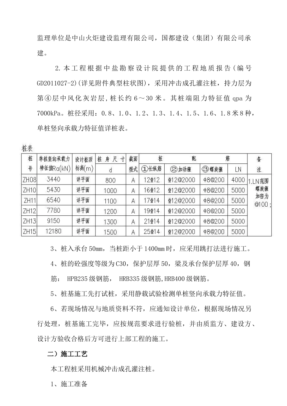
目 录一.施工方案与技术措施1、冲孔桩施工方案与技术措施二.质量管理体系与措施三.安全管理体系与措施四.环保管理体系与措施五.工程进度计划与措施六.资源配备计划七.主要项目管理人员八.施工设备九.试验、检测仪器设备一期冲孔桩工程施工方案一.施工方案与技术措施编制依据:《建筑结构可靠度设计统一标准》(GB50068-2001)《建筑桩基技术规范》(JGJ94-2008)《工程测量规范》 GB50026-93《建设基桩检测技术规范》(JGJ103-2003)《建筑地基基础工程施工质量验收规范》GB 50202-2002《建筑地基处理技术规范》JGJ 79-2002《混凝土结构工程施工质量验收规范》GB 50204-2002《混凝土质量控制标准》GB 50164-92《钢筋焊接及验收规程》 JGJ18-2003《钢筋焊接接头试验方法标准》 JGJ/T27-2001《普通混凝土配合比设计规程》 JGJ55-2000《建筑工程施工质量验收统一标准》 GB50300-2001《建筑施工安全检查标准》 JGJ59-99《建筑机械使用安全技术规程 》 JGJ33-2001《混凝土工程施工质量验收规范》GB50204-2002《建设工程文件归档整理规范》GB/T50328-2001《建设工程施工管理规范》GB/T50326-2001一、冲孔桩施工方案与措施一)工程概况1.本工程位于市相山大道以南、观山大道以东,设计要求 1~6#栋及7~12#栋及相应地库采用冲孔灌注桩。以灰岩为持力层,极限端阻力标准值 7000Kpa,桩至岩面时必须探岩,确保桩底完整基岩深度大于 3D(D 为桩径)且≥5m。桩身砼标号为 C30。设计桩数:约 2000 根。由市房地产开发有限公司建设,广东博意建筑设计院有限公司设计,监理单位是中山火炬建设监理有限公司,国都建设(集团)有限公司承建。 2. 本 工 程 根 据 中 盐 勘 察 设 计 院 提 供 的 工 程 地 质 报 告 ( 编 号GD2011027-2)(详见附件典型柱状图),采用冲击成孔灌注桩,持力层为第④层中风化灰岩层,桩长约 6~30 米。其桩端阻力特征值 qpa 为7000kPa。桩径采用:0.8、1.0、1.2、1.3、1.4、1.5、1.6、1.8 米 8 种,单桩竖向承载力特征值详桩表。3、桩入承台 50mm,当桩距小于 1400mm 时,应采用跳打法进行施工。4、桩的砼强度等级为 C30,保护层厚 50,梁及承台保护层厚 40,钢筋: HPB235 级钢筋, HRB335 级钢筋,HRB400 级钢筋。5、桩基施工先打试桩,采用静载试验检测单桩竖向承载力特征值。6、若现场情况与地质资料不符,应通知设计单位,根据现场情况另行处理,桩基施工完毕,...

1、当您付费下载文档后,您只拥有了使用权限,并不意味着购买了版权,文档只能用于自身使用,不得用于其他商业用途(如 [转卖]进行直接盈利或[编辑后售卖]进行间接盈利)。
2、本站所有内容均由合作方或网友上传,本站不对文档的完整性、权威性及其观点立场正确性做任何保证或承诺!文档内容仅供研究参考,付费前请自行鉴别。
3、如文档内容存在违规,或者侵犯商业秘密、侵犯著作权等,请点击“违规举报”。

碎片内容

房地产冲孔桩桩基础施工组织设计

确认删除?
VIP
微信客服
  • 扫码咨询
会员Q群
  • 会员专属群点击这里加入QQ群
客服邮箱
回到顶部