电脑桌面
添加小米粒文库到电脑桌面
安装后可以在桌面快捷访问

太达村隧道附属洞室技术交底

太达村隧道附属洞室技术交底_第1页
1/13
太达村隧道附属洞室技术交底_第2页
2/13
太达村隧道附属洞室技术交底_第3页
3/13
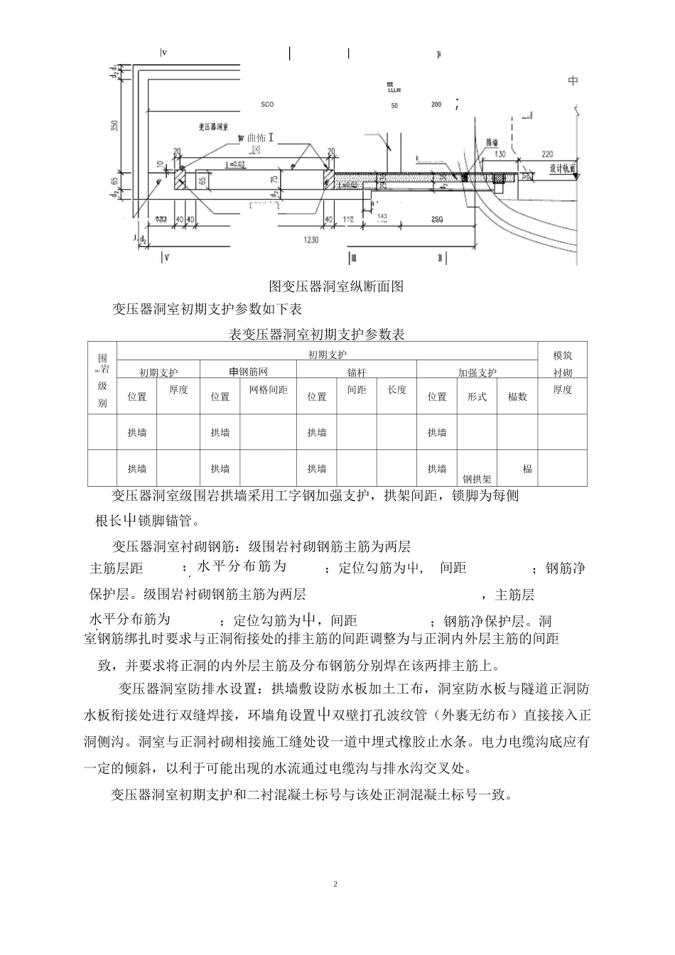
1防排水技术交底书编制单位:中铁十八局玉磨铁路项目经理部编号工程名称新建玉溪至磨憨铁路站前工程标段编制时间年月日工程部位太达村隧道附属洞室技术父底交底人复核交底内容、工程概况太达村隧道总长米,共有小避车洞个,大避车洞兼电缆余长腔个,大避车洞兼直放站个,梯车洞个,变压器洞室个。具体里程和参考图纸如下表。太达村隧道附属洞室统计表序号洞室类型衬砌类型参考图纸洞室数量变压器洞室玉磨隧附变压器洞室玉磨隧附大避车洞兼电缆余长腔玉磨隧附大避车洞兼电缆余长腔玉磨隧附大避车洞兼直放站玉磨隧附梯车洞玉磨隧附梯车洞玉磨隧附小避车洞玉磨隧附小避车洞玉磨隧附累计数量、附属洞室设计参数变压器洞室太达村隧道共有变压器洞室个,个位于级围岩,个位于级围岩。变压器洞室断面尺寸参照《玉磨隧附()》执行。开挖支护及衬砌厚度参照《玉磨隧附()》中非瓦斯段落变压器洞室支护参数表施作。级围岩变压器洞室衬砌钢筋按照《玉磨隧附》施作;级围岩变压器洞室衬砌钢筋按照《玉磨隧附》施作,初支钢架按照《玉磨隧附》施作。2变压器洞室初期支护参数如下表表变压器洞室初期支护参数表围MU岩级别初期支护模筑衬砌初期支护申钢筋网锚杆加强支护位置厚度位置网格间距位置间距长度位置形式榀数厚度拱墙拱墙拱墙拱墙拱墙拱墙拱墙拱墙钢拱架榀变压器洞室级围岩拱墙采用工字钢加强支护,拱架间距,锁脚为每侧根长屮锁脚锚管。变压器洞室衬砌钢筋:级围岩衬砌钢筋主筋为两层室钢筋绑扎时要求与正洞衔接处的排主筋的间距调整为与正洞内外层主筋的间距致,并要求将正洞的内外层主筋及分布钢筋分别焊在该两排主筋上。变压器洞室防排水设置:拱墙敷设防水板加土工布,洞室防水板与隧道正洞防水板衔接处进行双缝焊接,环墙角设置屮双壁打孔波纹管(外裹无纺布)直接接入正洞侧沟。洞室与正洞衬砌相接施工缝处设一道中埋式橡胶止水条。电力电缆沟底应有一定的倾斜,以利于可能出现的水流通过电缆沟与排水沟交叉处。变压器洞室初期支护和二衬混凝土标号与该处正洞混凝土标号一致。41432SG主筋层距;水平分布筋为屮;定位勾筋为屮,间距;钢筋净保护层。级围岩衬砌钢筋主筋为两层,主筋层距水平分布筋为屮;定位勾筋为屮,间距;钢筋净保护层。洞|v|r|山]i;SCO200IIJLI110J.中图变压器洞室纵断面图w 曲怖 I冈tttLLLIII5033、综合洞室接地端子设置要求在梯车洞、直放站两侧壁下部设置接地端子,每个洞室共设置两个接地端子,供洞室内设备设施接地。洞室...

1、当您付费下载文档后,您只拥有了使用权限,并不意味着购买了版权,文档只能用于自身使用,不得用于其他商业用途(如 [转卖]进行直接盈利或[编辑后售卖]进行间接盈利)。
2、本站所有内容均由合作方或网友上传,本站不对文档的完整性、权威性及其观点立场正确性做任何保证或承诺!文档内容仅供研究参考,付费前请自行鉴别。
3、如文档内容存在违规,或者侵犯商业秘密、侵犯著作权等,请点击“违规举报”。

碎片内容

太达村隧道附属洞室技术交底

确认删除?
VIP
微信客服
  • 扫码咨询
会员Q群
  • 会员专属群点击这里加入QQ群
客服邮箱
回到顶部