电脑桌面
添加小米粒文库到电脑桌面
安装后可以在桌面快捷访问

6N137中文详解详解

6N137中文详解详解_第1页
1/8
6N137中文详解详解_第2页
2/8
6N137中文详解详解_第3页
3/8
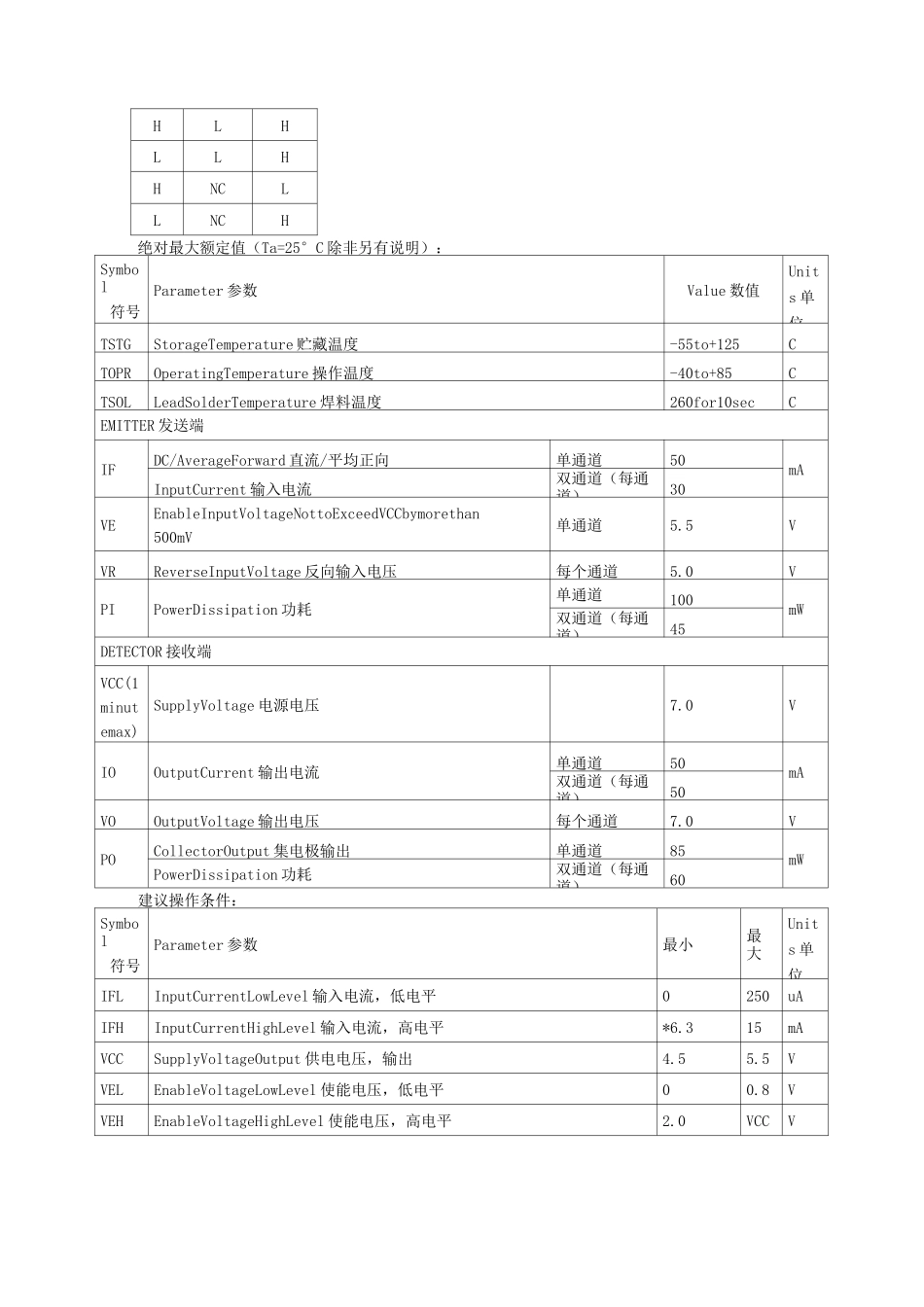
6N137 光耦合器是一款用于单通道的高速光耦合器,其内部有一个 850nm 波长 AlGaAsLED 和一个集成检测器组成,其检测器由一个光敏二极管、高增益线性运放及一个肖特基钳位的集电极开路的三极管组成。具有温度、电流和电压补偿功能,高的输入输出隔离,LSTTL/TTL 兼容,高速(典型为 10MBd),5mA 的极小输入电流。特性:①转换速率高达 10MBit/s;②摆率高达 10kV/us;③扇出系数为 8;④逻辑电平输出;⑤集电极开路输出;工作参数:最大输入电流,低电平:250uA 最大输入电流,高电平:15mA 最大允许低电平电压(输出高):0.8v 最大允许高电平电压:Vcc 最大电源电压、输出:5.5V 扇出(TTL 负载):8 个(最多)工作温度范围:-40°Cto+85°C 典型应用:高速数字开关,马达控制系统和 A/D 转换等6N1376N137 光耦合器的真值如表 1 所示:6N137 光耦合器的真值表输入使能输出HHLLHHHLHLLHHNCLLNCH需要注意的是,在 6N137 光耦合器的电源管脚旁应有一个 O.luF 的去耦电容。在选择电容类型时,应尽量选择高频特性好的电容器,如陶瓷电容或钽电容,并且尽量靠近 6N137 光耦合器的电源管脚;另外,输入使能管脚在芯片内部已有上拉电阻,无需再外接上拉电阻。6N137 光耦合器的使用需要注意两点:第一是 6N137 光耦合器的第 6 脚 Vo 输出电路属于集电极开路电路,必须上拉一个电阻;第二是 6N137 光耦合器的第 2 脚和第 3 脚之间是一个 LED,必须串接一个限流电阻。6n137 的内部结构原理如下图所示,信号从脚 2 和脚 3 输入,发光二极管发光,经片内光通道传到光敏二极管,反向偏置的光敏管光照后导通,经电流-电压转换后送到与门的一个输入端,与门的另一个输入为使能端,当使能端为高时与门输出高电平,经输出三极管反向后光电隔离器输出低电平。当输入信号电流小于触发阈值或使能端为低时,输出高电平,但这个逻辑高是集电极开路的,可针对接收电路加上拉电阻或电压调整电路。型号:单通道:6N137,HCPL2601,HCPL2611 双通道:HCPL2630,HCPL2631 高速 10MBit/s 的逻辑门光电引脚图原理如上图所示,若以脚 2 为输入,脚 3 接地,则真值表如附表所列,这相当于非门的传输,若希望在传输过程中不改变逻辑状态,则从脚 3 输入,脚 2 接高电平。真值表功能(正逻辑)Input输入Enable使能Output输出HHLLHHVGNDnCPL2G01HCPL2&11HLHLLHHNCLLNCH绝对最大额定值(Ta=25°C 除非另有说明):Symbol符...

1、当您付费下载文档后,您只拥有了使用权限,并不意味着购买了版权,文档只能用于自身使用,不得用于其他商业用途(如 [转卖]进行直接盈利或[编辑后售卖]进行间接盈利)。
2、本站所有内容均由合作方或网友上传,本站不对文档的完整性、权威性及其观点立场正确性做任何保证或承诺!文档内容仅供研究参考,付费前请自行鉴别。
3、如文档内容存在违规,或者侵犯商业秘密、侵犯著作权等,请点击“违规举报”。

碎片内容

6N137中文详解详解

您可能关注的文档

确认删除?
VIP
微信客服
  • 扫码咨询
会员Q群
  • 会员专属群点击这里加入QQ群
客服邮箱
回到顶部