电脑桌面
添加小米粒文库到电脑桌面
安装后可以在桌面快捷访问

丝锥钻孔攻丝全部讲解

丝锥钻孔攻丝全部讲解_第1页
1/13
丝锥钻孔攻丝全部讲解_第2页
2/13
丝锥钻孔攻丝全部讲解_第3页
3/13
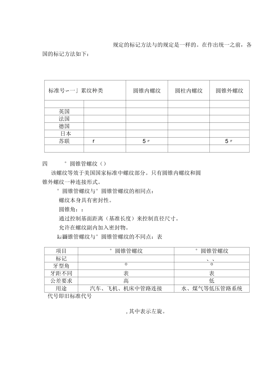
一螺纹的分类螺纹分内螺纹和外螺纹两种;按牙形分可分为:1)三角形螺纹 2)梯形螺纹 3)矩形螺纹 4)锯齿形螺纹;按线数分单头螺纹和多头螺纹;按旋入方向分左旋螺纹和右旋螺纹两种右旋不标注,左旋加,如*;按用途不同分有:米制普通螺纹、用螺纹密封的管螺纹、非螺纹密封的管螺纹、°圆锥管螺纹、米制锥螺纹等二米制普通螺纹米制普通螺纹用大写表示,牙型角 a°(a 表示牙型半角);米制普通螺纹按螺距分粗牙普通螺纹和细牙普通螺纹两种;粗牙普通螺纹标记一般不标明螺距,如表示粗牙螺纹;细牙螺纹标记必须标明螺距,如 X 表示细牙螺纹、其中螺距为。普通螺纹用于机械零件之间的连接和紧固,一般螺纹连接多用粗牙螺纹,细牙螺纹比同一公称直径的粗牙螺纹强度略高,自锁性能较好。米制普通螺纹的标记:、X 其中表示米制普通螺纹,表示螺纹的公称直径为,表示螺距,表示左旋,、表示螺纹精度等级,大写精度等级代号表示内螺纹,小写精度等级代号表示外螺纹,表示旋合长度;常用米制普通粗牙螺纹的螺距如下表螺纹底孔直径:碳钢少二公称直径一;铸铁 3 二公称直径一;加工外螺纹光杆直径取少二公称直径一:表常用米制普通粗牙螺纹的直径螺距公称直径螺距铸铁底孔碳钢底孔外螺纹光杆直径公称直径螺距铸铁底孔碳钢底孔外螺纹光杆直径米制普通内螺纹的加工底孔直径可用下式作近似计算:其中 D 为公称直径,P 为螺距。三用螺纹密封的管螺纹(与相同)第一章国标螺纹的一般知识用螺纹密封的管螺纹不加填料或密封质就能防止渗漏。用螺纹密封的管螺纹有圆柱内螺纹和圆锥外螺纹、圆锥内螺纹和圆锥外螺纹两种连接形式。压力在 X 以下时,用前一种连接已足够紧密,后一种连接通常只在高温及高压下采用。用螺纹密封的管螺纹内螺纹有圆锥、圆柱两种形式。外螺纹只有圆锥一种形式。牙型如下:锥度:,牙形角°,旧螺纹标准示例:;标记示例:圆锥内螺纹圆柱内螺纹圆锥外螺纹当螺纹为左旋螺纹时(表示左旋螺纹)常用螺纹标记:、、的基本尺寸:表尺寸代号每寸牙数大径中径小径建议底孔基准距离有效长度标记:规定的标记方法与的规定是一样的。在作出统一之前,各国的标记方法如下:标准号〜一」累纹种类圆锥内螺纹圆柱内螺纹圆锥外螺纹英国法国德国日本苏联r5〃5〃四°圆锥管螺纹()该螺纹等效于美国国家标准中螺纹部分。只有圆锥内螺纹和圆锥外螺纹一种连接形式。°圆锥管螺纹与°圆锥管螺纹的相同点:螺纹本身具有密封性。圆锥角::通过控制基...

1、当您付费下载文档后,您只拥有了使用权限,并不意味着购买了版权,文档只能用于自身使用,不得用于其他商业用途(如 [转卖]进行直接盈利或[编辑后售卖]进行间接盈利)。
2、本站所有内容均由合作方或网友上传,本站不对文档的完整性、权威性及其观点立场正确性做任何保证或承诺!文档内容仅供研究参考,付费前请自行鉴别。
3、如文档内容存在违规,或者侵犯商业秘密、侵犯著作权等,请点击“违规举报”。

碎片内容

丝锥钻孔攻丝全部讲解

确认删除?
VIP
微信客服
  • 扫码咨询
会员Q群
  • 会员专属群点击这里加入QQ群
客服邮箱
回到顶部