电脑桌面
添加小米粒文库到电脑桌面
安装后可以在桌面快捷访问

钢管桩施工标准规范

钢管桩施工标准规范_第1页
1/9
钢管桩施工标准规范_第2页
2/9
钢管桩施工标准规范_第3页
3/9
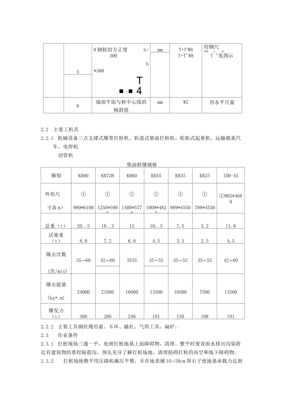
钢桩施工工艺标准1适用范围本工艺标准适用于一般钢管桩或 H 型钢桩基础工程。2施工准备2.1 原材料要求2.1.1钢桩的材料(含其它半成品)进场后,应按规格、品种、牌号堆放,抽样检验,检验结果与合格证相符者方可使用,未经进货检验或未经检验合格的物资不得投入使用。2.1.2钢管质量验收:按设计图纸规格尺寸及有关规范,允许误差,实测实量及外观全数检查验货,特别是钢管的垂直度和内外径是否达到要求,作为重点检查,经检查验收合格后,方能进货安装。2.1.3 螺旋焊管钢桩钢管:壁厚为 6〜19mm 长度不限,卷板焊管钢桩钢管:壁厚为 6〜47mm长度不超过 6m。型号为 STK、SKK 号钢卷制。2.1.4H 型钢,为标准型钢,材质为普通碳素钢、16Mn 钢或海港工程用防氯盐钢材。2.1.5 钢管桩顶部抗锤击和底部为减少摩擦抗变形的加强箍,用宽 200〜300mm、厚 6〜12mm和钢管桩材质相同的钢板制作,用电焊满焊,焊接时箍板的纵缝要和卷焊桩管的纵缝错开 90 度。2.1.6钢桩应按规格分别堆放(即上节桩、中节桩、下节桩)一般堆叠层数为三层(高度控制在 2m 以内)。支点用枕木两侧用木楔塞牢,防止变形。2.1.7成品钢桩的质量检验标准成品钢桩的质量检验标准项序检查项目允许偏差或允许值检查方法单位数值主控项目1钢桩外径或断面尺寸:桩端桩身±0.5%D±1D用钢尺量,D为外径或边长2矢高V1/1000L用钢尺量,L 为桩长3长度mm+10用钢尺量4端部平整度mmW2用水平尺量H 钢桩的方正度h>mmT+TzW8用钢尺量,h、T、5300<300hT+T'W8T‘见图示T■・■ 46端部平面与桩中心线的倾斜值mmW2用水平尺量2.2主要工机具2.2.1机械设备三点支撑式履带打桩机、轨道式柴油打桩机、轮胎式起重机、运输载重汽车、电焊机切管机柴油桩锤规格锤别KB80KB72BKB60KB45KB35KB25IDH-45外形尺①①①①①①①985*4689寸血 m)980*6100 1250*59051400*57701009*4825889*4550 789*4550总重(t)20..518..31510..57.55.211.0活塞重(t)8.07.26.04.53.52.54.5锤击次数(次/min)35〜6042〜60355535〜5535〜5535〜5542〜60锤击能量2400021600160001350010500750013500(kg•.m)爆发力(t)3002802461911501081912.2.2主要工具钢丝绳吊索、卡环、撬杠、气焊工具、扁铲。2.3作业条件2.3.1打桩现场三通一平,处理打桩地基上面障碍物,清理、整平时要设雨水排出沟渠附近有建筑物的要挖隔震沟,预先充分了解打桩场地,清理妨碍打桩的高空和地下障碍物。2.3.2打桩场地整平用压路机碾压平整,并在...

1、当您付费下载文档后,您只拥有了使用权限,并不意味着购买了版权,文档只能用于自身使用,不得用于其他商业用途(如 [转卖]进行直接盈利或[编辑后售卖]进行间接盈利)。
2、本站所有内容均由合作方或网友上传,本站不对文档的完整性、权威性及其观点立场正确性做任何保证或承诺!文档内容仅供研究参考,付费前请自行鉴别。
3、如文档内容存在违规,或者侵犯商业秘密、侵犯著作权等,请点击“违规举报”。

碎片内容

钢管桩施工标准规范

确认删除?
VIP
微信客服
  • 扫码咨询
会员Q群
  • 会员专属群点击这里加入QQ群
客服邮箱
回到顶部