电脑桌面
添加小米粒文库到电脑桌面
安装后可以在桌面快捷访问

三露厂装修施工组织设计VIP免费

三露厂装修施工组织设计_第1页
1/27
三露厂装修施工组织设计_第2页
2/27
三露厂装修施工组织设计_第3页
3/27
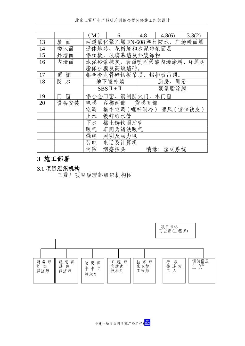
北京三露厂生产科研培训综合楼装修施工组织设计北京三露厂生产科研培训综合楼装修施工组织设计1编制依据1.1施工合同1.2轻工业部规划设计院图纸Y206S3-1-M—351.3《现行建筑施工规范大全》1.4《屋面工程技术规范》(GB50207-94)1.5《建筑地面工程施工及验收规范》(GB50209-95)1.6《建筑装饰工程施工及验收规范》(JGJ73-91)1.7《玻璃幕墙工程技术规范》(JGJ102-96)1.8《建筑机械使用安全技术规程》(JGJ33-86)1.9《建筑现场临时用电安全技术规程》(JGJ46-88)1.10《建筑施工高空作业安全技术规程》(JGJ80-91)1.11《建筑安装分项工程施工工艺规程》(DBJ01-26-96)1.12《建筑构造通用图集88J》系列1.13我国现行的相关施工验收规范及操作规程1.14我国现行和北京市的安全生产、文明施工、环保及消防等有关规定1.15《北京市建筑安装工程施工技术资料管理规定》(京建质[1996]418)1.16《中国建筑一局(集团)有限公司项目管理手册》(试行本)1.17公司质量保证体系文件(版本号05版)2工程概况2.1工程简介序号项目内容1工程名称北京市三露厂生产、科研、培训综合楼2工程地址北京市亦庄经济技术开发区3建设单位北京市三露厂4设计单位轻工业部规划设计院5监理单位中国建筑科学研究院北京凯勃建筑监理公司6监督单位北京市质量监督总站第四监督室7施工总包中建一局五公司8分包深圳西林幕墙公司9建筑功能办公、生产、科研、培训综合楼10合同工期99年7月14日至2001年5月1日11质量目标结构:结构长城杯,竣工:北京市市优12建筑规模占地面积:25070m2,建筑面积:42848m2层数地上:4/6层地下:1层层高首层标准层地下其它中建一局五公司三露厂项目经理部1北京三露厂生产科研培训综合楼装修施工组织设计(M)64.84.8(6)3.3(2)13屋面两道氯化聚乙烯FN-608卷材防水、广场砖面层14楼地面通体地砖、花岗岩和水泥砂浆面层15外墙面铝扣板、玻璃幕墙及外装饰物16内墙面水泥砂浆抹灰,表面喷丙稀酸内墙涂料、环氧树脂保护膜及高级墙砖。17顶棚铝合金龙骨硅钙板吊顶、铝扣板吊顶。18防水地下室外墙厨房、厕浴SBSⅡ+Ⅱ聚氨脂涂膜19门窗铝合金门窗、钢制防火门、木门窗20设备安装电梯客梯两部货梯五部空调集中空调(螺杆制冷)通风(镀锌铁皮)上水镀锌给水管下水稀土铸铁雨污管暖气车间为铸铁暖气强电照明及动力电弱电电话及计算机消防烟感探头喷淋:湿式系统3施工部署3.1项目组织机构三露厂项目经理部组织机构图中建一局五公司三露厂项目经理部2项目书记马云贵(工程师)财务部刘杰经济师经营部洪兵经济师物资部牛中立技术员技术部朱卫如工程师行政都连友工人消防保卫户书恩工人工程部宾建武技术员北京三露厂生产科研培训综合楼装修施工组织设计职责分工:项目经理李克成:负责项目的全面管理工作和合同的全面履约,是项目安全生产和工程质量的第一责任人,负责项目经理部的组建,参与分供方及分承包方的选择与协调,组织项目的经营管理和市场开拓工作。生产副经理王巍:在项目经理领导下主管生产,组织与指挥,负责生产协调、现场质量、文明施工、形象进度控制、工程报量等。技术负责人刘为民:在项目经理的领导下主管技术、质量,负责施工组织设计、方案、措施等技术文件的编制、监督、落实,负责日常的技术、质量管理工作,负责项目的科技成果的推广应用和技术革新,组织编写施工管理技术总结。中建一局五公司三露厂项目经理部3技术负责人刘为民(工程师)项目经理李克成(工程师)项目副经理王巍(工程师)质检员雷自锋张志为土建工长齐小利张迎军赵庆泽专业工长张苍巍刘明辉机务谭太平测放组张登发试验室王立元木工班瓦工班油工班防水班水电班西林安检员周自立徐年春北京三露厂生产科研培训综合楼装修施工组织设计书记马云贵:主抓政治思想工作,在项目经理的领导下主管后勤保卫、外部协调、企业CI形象等。工程部:直接组织与指挥现场生产,按照施工图纸、施工组织设计、施工方案、质量计划及各项管理制度执行落实,监督与检查。负责管辖区域内的生产准备、工程质量、安全生产、文明施工、工程进度。技术部:负责图纸会审,编制施工组织设计、施工方案、季节性施工措施,检查落实执行情况,参加各项...

1、当您付费下载文档后,您只拥有了使用权限,并不意味着购买了版权,文档只能用于自身使用,不得用于其他商业用途(如 [转卖]进行直接盈利或[编辑后售卖]进行间接盈利)。
2、本站所有内容均由合作方或网友上传,本站不对文档的完整性、权威性及其观点立场正确性做任何保证或承诺!文档内容仅供研究参考,付费前请自行鉴别。
3、如文档内容存在违规,或者侵犯商业秘密、侵犯著作权等,请点击“违规举报”。

碎片内容

三露厂装修施工组织设计

确认删除?
VIP
微信客服
  • 扫码咨询
会员Q群
  • 会员专属群点击这里加入QQ群
客服邮箱
回到顶部