电脑桌面
添加小米粒文库到电脑桌面
安装后可以在桌面快捷访问

钢结构焊接工艺评定报告书VIP免费

钢结构焊接工艺评定报告书_第1页
1/8
钢结构焊接工艺评定报告书_第2页
2/8
钢结构焊接工艺评定报告书_第3页
3/8
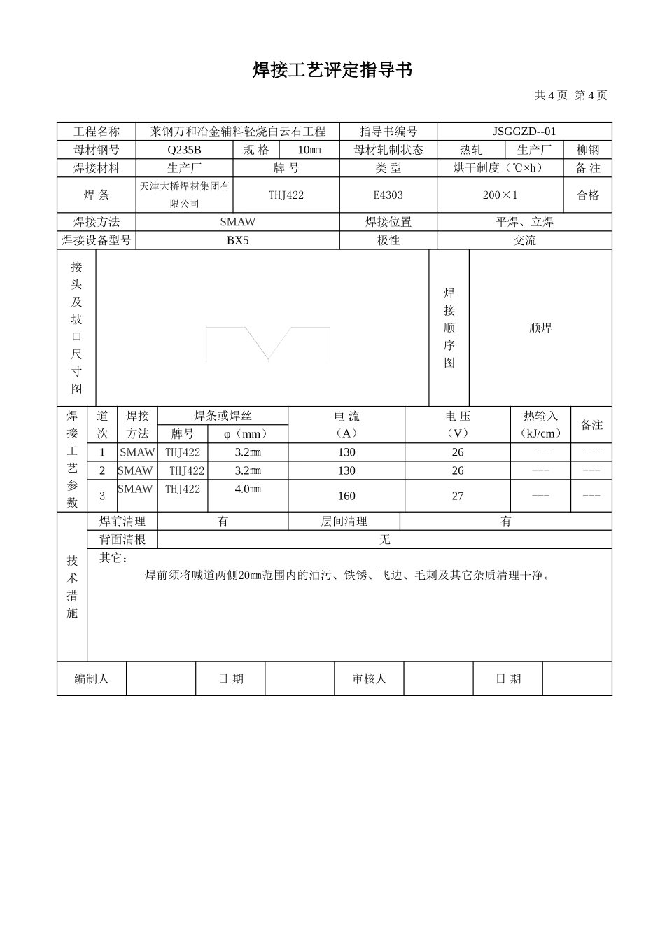
焊接工艺评定报告共4页第3页工程名称:莱钢万和冶金辅料轻烧白云石工程评定报告编号JSQDGP-01工艺指导书编号JSQDGP-01项目质量负责人武习依据标准《建筑钢结构焊接技术规程》JGJ81-2002试样焊接单位施焊日期2010-5-25焊工资格证书代号TS6JTAI1800母材钢号Q235母材轧制状态热轧生产厂柳钢化学成分和力学性能C(%)Mn(%)Si(%)S(%)P(%)σa(MPa)σb(MPa)δ5(%)Akv(J)标准0.140.520240.0200.0262564102635合格证0.120.550.200.0190.01931042532.536焊接材料生产厂牌号类型直径(mm)烘干制度(℃×h)备注焊条天津大桥焊材集团有限公司THJ422E4303Φ3.2200×1---焊接方法SMAW焊接位置平焊、立焊接头形式角接、对接焊接工艺参数见焊接工艺评定指导书清根工艺层间清理焊接设备型号BX5极性交流评定结论:本评定按《建筑钢结构焊接技术规程》(JGJ18-2002)规定,根据工程情况编制工艺评定指导书、焊接试件、制取并检验试样,测定性能,确认试验纪录正确,评定结果为:合格焊接条件及工艺参数适用范围技术评定指导书规定执行。评定人日期评定单位:(盖章)年月日审核人日期技术负责人日期焊接工艺评定指导书共4页第4页工程名称莱钢万和冶金辅料轻烧白云石工程指导书编号JSGGZD--01母材钢号Q235B规格10㎜母材轧制状态热轧生产厂柳钢焊接材料生产厂牌号类型烘干制度(℃×h)备注焊条天津大桥焊材集团有限公司THJ422E4303200×1合格焊接方法SMAW焊接位置平焊、立焊焊接设备型号BX5极性交流接头及坡口尺寸图焊接顺序图顺焊焊接工艺参数道次焊接方法焊条或焊丝电流(A)电压(V)热输入(kJ/cm)备注牌号φ(mm)1SMAWTHJ4223.2㎜13026------2SMAWTHJ4223.2㎜13026------3SMAWTHJ4224.0㎜16027------技术措施焊前清理有层间清理有背面清根无其它:焊前须将喊道两侧20㎜范围内的油污、铁锈、飞边、毛刺及其它杂质清理干净。编制人日期审核人日期焊接工艺评定记录表共4页第1页焊接工艺评定检验结果工程名称莱钢万和冶金辅料轻烧白云石工程指导书编号JSGGZD--01焊接方法SMAW焊接位置---设备型号Bx5极性交流母材钢号Q235B生产厂柳钢母材规格10㎜母材轧制状态热轧接头尺寸及施焊道次顺序见焊接工艺评定指导书焊接材料焊条牌号THJ422类型E4303生产厂天津大桥焊材集团有限公司烘干温度(℃)150-200℃时间(min)60焊丝牌号H08Mn2SiA规格(mm)2.5生产厂天津大桥焊材集团有限公司施焊工艺参数记录道次焊接方法焊条(焊丝)直径(mm)电流(A)电压(V)热输入(kJ/cm)备注1SMAW3.2㎜13026------2SMAW3.2㎜13026------3SMAW4.0㎜16027------施焊环境室外环境温度(℃)20相对湿度56%技术措施焊前清理有层间清理有背面清根无其它焊前须将喊道两侧20㎜范围内的油污、铁锈、飞边、毛刺及其它杂质清理干净。焊工资格证书代号施焊日期记录日期审核人日期共4页第2页非破坏检验试验项目执行标准评定结果报告编号备注外观------------X光探伤GB3323-2005Ⅰ201005合格超声波探伤------------磁粉探伤------------其它------------拉伸试验报告编号GC201055弯曲试验报告编号GC201055试样编号σa(MPa)σb(MPa)断口位置评定结果试样编号试验类型弯心直径(mm)弯曲角度评定结果20-1370595母材合格20-3侧弯D=2a180°合格20-2365575母材合格20-4侧弯D=2a180°合格试样编号缺口位置试验温度(℃)冲击功Akv(J)评定结果:合格20-7焊缝208220-8焊缝208020-9焊缝208320-10热影响区207920-11热影响区207820-12热影响区2081其它检验:无检验人日期审核人日期焊接工艺评定报告工程名称:莱钢万和冶金辅料轻烧白云石工程编制单位:评定单位:日期:2010-5-28

1、当您付费下载文档后,您只拥有了使用权限,并不意味着购买了版权,文档只能用于自身使用,不得用于其他商业用途(如 [转卖]进行直接盈利或[编辑后售卖]进行间接盈利)。
2、本站所有内容均由合作方或网友上传,本站不对文档的完整性、权威性及其观点立场正确性做任何保证或承诺!文档内容仅供研究参考,付费前请自行鉴别。
3、如文档内容存在违规,或者侵犯商业秘密、侵犯著作权等,请点击“违规举报”。

碎片内容

钢结构焊接工艺评定报告书

您可能关注的文档

确认删除?
VIP
微信客服
  • 扫码咨询
会员Q群
  • 会员专属群点击这里加入QQ群
客服邮箱
回到顶部