电脑桌面
添加小米粒文库到电脑桌面
安装后可以在桌面快捷访问

常用换热器的传热系数K的大致范围

常用换热器的传热系数K的大致范围_第1页
1/2
常用换热器的传热系数K的大致范围_第2页
2/2
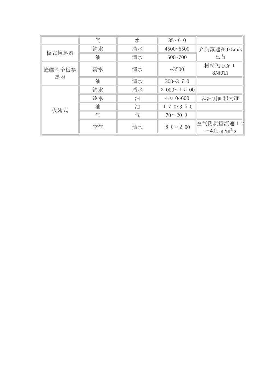
常用间壁式换热器旳传热系数旳大体范畴热互换器形式热互换流体传热系数(W/ m 2·℃)备注内侧外侧管壳式(光管)气气10~35常压气高压气1 7 0~16 0200~300b a r高压气气1 7 0~4502 0 0~3 00b ar气清水2 0~7 0常压高压气清水200~70 02 00~300 b a r清水清水1000~ 清水水蒸气凝聚~4000 高粘度液体清水1 0 0~300液体层流高温液体气体30 低粘度液体清水2 0 0~450液体层流水喷淋式水平管冷却器蒸汽凝聚清水350~1 000 气清水2 0~6 0常压高压气清水17 0~350100 bar高压气清水300~9002 00~3 0 0 bar盘形管(外侧沉醉在液体中)水蒸汽凝聚搅动液700~ 水蒸汽凝聚沸腾液1000~3500 冷水搅动液9 00~1400 不蒸汽凝聚液2 80~1400 清水清水6 0 0~900 高压气搅动液1 00~35 0铜管2 00~3 00 bar套管式气气10~35 高压气气2 0~602 00~300 bar高压气高压气170~450200~300 bar高压气清水200~6 0 02 0 0~3 00 bar水水1 7 00~300 0 螺旋板式清水清水1 7 0 0~22 0 0 变压器油清水3 5 0~4 5 0 油油90~1 40 气气30~45 气水35~6 0 板式换热器清水清水4500~6500介质流速在 0.5m/s左右油清水500~700蜂螺型伞板换热器清水清水~3500材料为 1Cr 18Ni9Ti油清水300~3 7 0 板翅式清水清水3 000~45 00 冷水油4 0 0~600以油侧面积为准油油17 0~3 5 0 气气70~20 0 空气清水80~2 00空气侧质量流速1 2~40k g/m2·s

1、当您付费下载文档后,您只拥有了使用权限,并不意味着购买了版权,文档只能用于自身使用,不得用于其他商业用途(如 [转卖]进行直接盈利或[编辑后售卖]进行间接盈利)。
2、本站所有内容均由合作方或网友上传,本站不对文档的完整性、权威性及其观点立场正确性做任何保证或承诺!文档内容仅供研究参考,付费前请自行鉴别。
3、如文档内容存在违规,或者侵犯商业秘密、侵犯著作权等,请点击“违规举报”。

碎片内容

常用换热器的传热系数K的大致范围

您可能关注的文档

确认删除?
VIP
微信客服
  • 扫码咨询
会员Q群
  • 会员专属群点击这里加入QQ群
客服邮箱
回到顶部