电脑桌面
添加小米粒文库到电脑桌面
安装后可以在桌面快捷访问

阀门系数Cv值的确定和意义

阀门系数Cv值的确定和意义_第1页
1/11
阀门系数Cv值的确定和意义_第2页
2/11
阀门系数Cv值的确定和意义_第3页
3/11
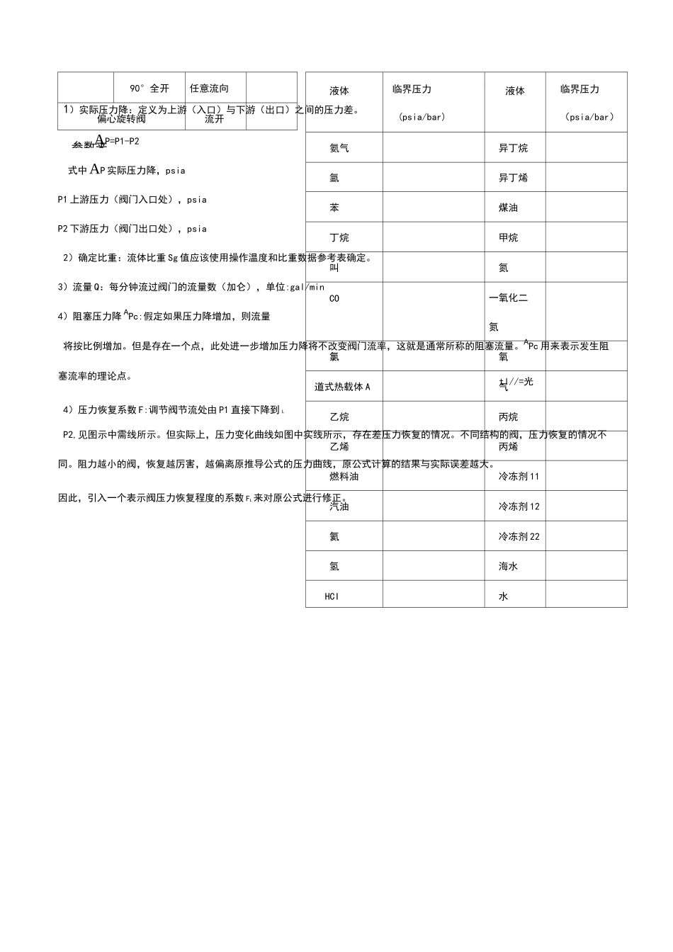
阀门系数 Cv 值的确定和意义1.概述:通常测定阀门的方法是阀门系数(Cv),它也被称为流动系数。当为特殊工况选择阀门时,使用阀门系数确定阀门尺寸,该阀门可在工艺流体稳定的控制下,能够通过所需要的流量。阀门制造商通常公布各种类型阀门的 Cv 值,它是近似值,并能按照管线结构或阀座制造而变动上调 10%。如一个阀门不能正确计算 Cv,通常将削弱在两个方面之一的阀门性能:如果 Cv 对所需要的工艺而言太小,则阀门本身或阀内的阀芯尺寸不够,会使工艺系统流量不够。此外,因为阀门的节流会导致上游压力增加,并在阀门导致上游泵或其他上游设备损坏之前产生高的背压。尺寸不够的 Cv 也会产生阀内的较高阻力降,它将导致空穴现象或闪蒸。如果 Cv 计算值比系统需要的过高,通常选用一个大的超过尺寸的阀门。显然,一个大尺寸阀门的造价、尺寸及重量是主要的缺点。除此之外,如果阀门是节流操作,控制问题明显会发生。通常闭合元件,如旋塞或阀盘,正位于阀座之外,它有可能产生高压力降和较快流速而产生气穴现象及闪蒸,或阀芯零件的磨损。此外,如果闭合元件在阀座上闭合而操作器又不能够控制在该位置,它将被吸入到阀座。这种现象被称为溶缸闭锁效应。2.Cv 的定义—个美国加仑(3.8L)的水在 60°F(16°C)时流过阀门,在一分钟内产生()的压力降。3.Cv 值的计算方法液体基本液体确定尺寸公式1)当 A卩“A卩。=平&5):-般流动Cv=QAP2)AP、APc:阻塞流动当 PvV 时APc=F2(P1-Pv)L当、时APc=FL2[P-\|l~PC\APc 式中 Cv——阀门流动系数;Q 流量,gal/min;Sg——流体比重(流动温度时);流体比重就是流体单位体积的重量,与流体密度成正比,液体比重用 Y 表示,Y=pGAp 压力降,psiaAPc 阻塞压力降 psiaFL---压力恢复系数见表 1P1---上游压力 psiaPv---液体的蒸气压(入口温度处)psiaPc--液体临界压力 psia见表 2表 1:典型 FL系数调节阀形式流向F 值L单座调-节阀柱塞形阀芯流开流闭“V”形阀芯任意流向套筒形阀芯流开流闭双座调节阀柱塞形阀芯任意流向“V”形阀芯任意流向角型调节阀柱塞形阀芯流开流闭套筒形阀芯流开流闭文丘里形流闭球阀“0”型任意流向“V”型任意流向蝶阀60°全开任意流向90°全开任意流向偏心旋转阀流开表 2 常用工艺流体的临界压力 Pc参数来液体临界压力(psia/bar)液体临界压力(psia/bar)氨气异丁烷氩异丁烯苯煤油丁烷甲烷叫氮CO一氧化二氮氯氧道式热载体 Atl//=光气乙烷丙...

1、当您付费下载文档后,您只拥有了使用权限,并不意味着购买了版权,文档只能用于自身使用,不得用于其他商业用途(如 [转卖]进行直接盈利或[编辑后售卖]进行间接盈利)。
2、本站所有内容均由合作方或网友上传,本站不对文档的完整性、权威性及其观点立场正确性做任何保证或承诺!文档内容仅供研究参考,付费前请自行鉴别。
3、如文档内容存在违规,或者侵犯商业秘密、侵犯著作权等,请点击“违规举报”。

碎片内容

阀门系数Cv值的确定和意义

确认删除?
VIP
微信客服
  • 扫码咨询
会员Q群
  • 会员专属群点击这里加入QQ群
客服邮箱
回到顶部