电脑桌面
添加小米粒文库到电脑桌面
安装后可以在桌面快捷访问

电动叉车控制系统详解(带电路图)

电动叉车控制系统详解(带电路图)_第1页
1/7
电动叉车控制系统详解(带电路图)_第2页
2/7
电动叉车控制系统详解(带电路图)_第3页
3/7
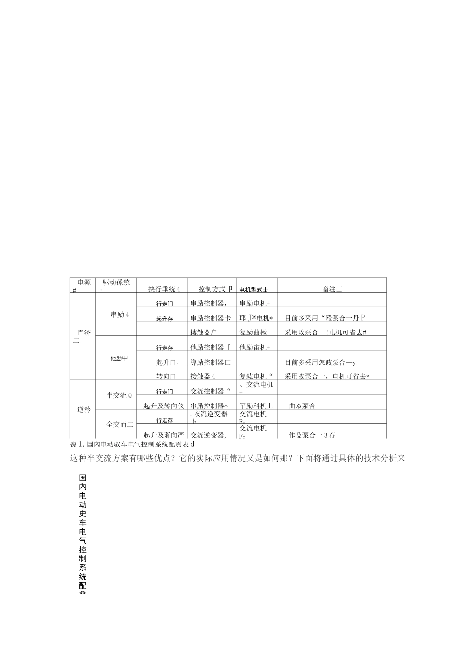
电动叉车控制系统详解(带电路图)在今天电动叉车领域,交流电气驱动系统的发展十分迅速。相对直流驱动系统,交流电气驱动系统凭借其高效率、免维护、长寿命等优势,吸引了众多厂商和用户的注意,并得到成功的应用。但是,全交流电气驱动系统也存在成本较高、技术复杂及国内用户在整机价格一时难以接受等劣势.针对交流驱动系统的优缺点,如何做到既能发挥交流驱动系统的优势,又可以大幅降低整车驱动系统的成本,最大限度的提高叉车性能和在国内加大普及速度?半交流驱动系统是解决叉车驱动系统的最佳方案。所谓半交流驱动系统,即叉车行走部分是交流驱动(交流电机+交流控制器),液压提升部分是直流驱动(直流电机+直流控制器).目前国内电动叉车电气控制系统配置概况:31、同动賈车单駆电气驱动系统污框图心蓄电池 d行走功率电路亠行走控制电路卩|JI方向开关泵控制电路』泵控制器卩保护电路心电源#驱动孫统・抉行垂统 4控制方式卩电机型式士畜注匸直济二串励 4行走门串励控制器,串励电机+起升存串励控制器卡耶 J®电机*目前多采用“殴泵合一丹 P摟触器户复励曲楸采用败泵合一!电机可省去#他励屮行走存他励控制器「他励宙机+起升口:導励控制器匸目前多采用怎政泵合—y转向口接触器 4复紘电机“采用孜泵合一,电机可省去*逆矜半交流 Q行走门交流控制器“、交流电机+起升及转向仪串励控制器*军励科机上曲双泵合全交而二行走存.衣流逆变器卜交流电机F:起升及蔣向严交流逆变器,交流电机F:作殳泵合一 3 存这种半交流方案有哪些优点?它的实际应用情况又是如何那?下面将通过具体的技术分析来喪 1.国內电动驭车电气控制系统配貫表 d国內电动史车电气控制系统配叠为主机厂和用户介绍电动叉车半交流电气驱动系统的优势。首先我们先了解下交流驱动系统的优缺点交流行走驱动系统在应用中的优点三相交流异步电机是交流驱动系统的主要组成部分,其工作原理是三相交流电输送给定子绕组,产生旋转磁场,感应闭合的转子绕组,从而产生感应电流,感应电流的磁场与定子旋转磁场相互作用,便产生电磁力推动转子旋转.综上所述,交流行走驱动电机与直流行走驱动电机相比:具有动力强、效率高、噪音低、体积小、重量轻、再生能量高、电磁干扰小、终身免维护、结构简单、易于冷却和寿命长等优点•随着交流电机的控制能力大大增强和交流电机控制器硬件部分的成本逐步降低,为交流电气驱动系统广泛应用和普及创造了良好的基础.嵌 3;交流行走控制器 2 直...

1、当您付费下载文档后,您只拥有了使用权限,并不意味着购买了版权,文档只能用于自身使用,不得用于其他商业用途(如 [转卖]进行直接盈利或[编辑后售卖]进行间接盈利)。
2、本站所有内容均由合作方或网友上传,本站不对文档的完整性、权威性及其观点立场正确性做任何保证或承诺!文档内容仅供研究参考,付费前请自行鉴别。
3、如文档内容存在违规,或者侵犯商业秘密、侵犯著作权等,请点击“违规举报”。

碎片内容

电动叉车控制系统详解(带电路图)

您可能关注的文档

确认删除?
VIP
微信客服
  • 扫码咨询
会员Q群
  • 会员专属群点击这里加入QQ群
客服邮箱
回到顶部