电脑桌面
添加小米粒文库到电脑桌面
安装后可以在桌面快捷访问

质量控制点一览表

质量控制点一览表_第1页
1/25
质量控制点一览表_第2页
2/25
质量控制点一览表_第3页
3/25
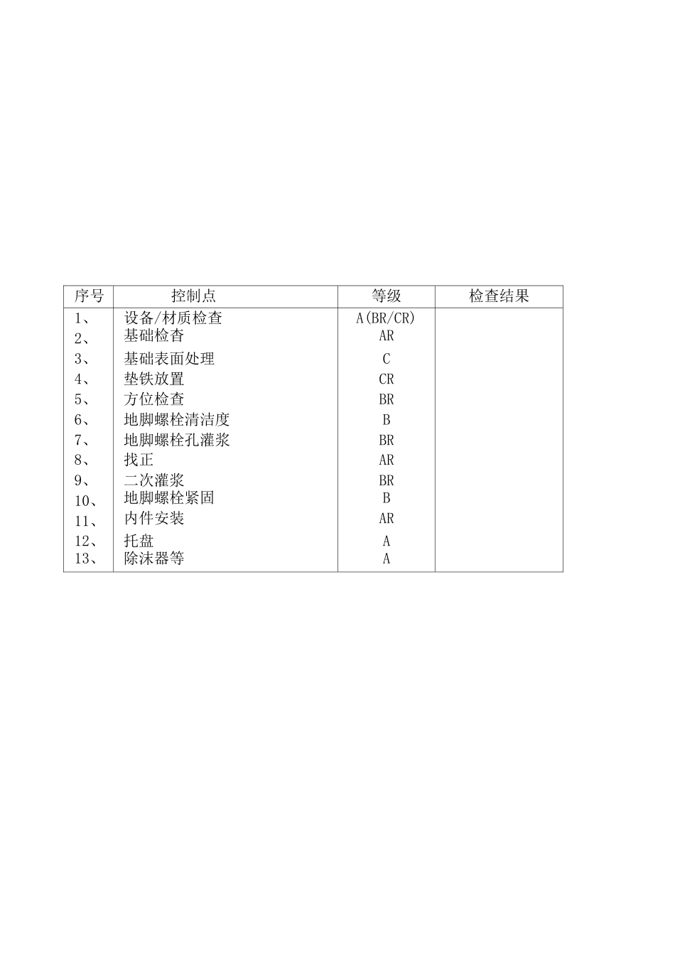
质量控制点一览表文件管理序列号:[K8UY-K9IO69-O6M243-OL889-F88688]质量控制点一览表E.5 质量控制点等级“A”,“B”,“C”,“AR”,“BR”,“CR”的定义如下:“A”—应由业主见证确认后,才能进行下一道工序。“AR”—应备有施工纪录文件并由业主专业工程师确认后,才能进行下一道工序。“B”—应由承包者质检人员见证确认后,才能进行下一道工序。“BR”—应备有施工记录文件并由承包者质检人员签认后,才能进行下一道工序。“C”—应由分包者之间人员见证确认后,才能进行下一道工序。“CR”—应备有施工记录文件并由分包者质检人员签认后,才能进行下一道工序。E.5.1 安装工程E.5.1.1 静设备包括:塔、容器、反应器、再生器、热交换器。序号控制点等级检查结果1、设备/材质检查A(BR/CR)2、基础检杳AR3、基础表面处理C4、垫铁放置CR5、方位检查BR6、地脚螺栓清洁度B7、地脚螺栓孔灌浆BR8、找正AR9、二次灌浆BR10、地脚螺栓紧固B11、内件安装AR12、托盘A13、除沫器等A14、15、16、17、内部清洁度触媒/填料装填紧固入孔螺栓检查梯子、平台泄露试验(如需要)最终外观检查ARBCARAE.5.1.2 动设备序号控制点等级检查结果1、设备/材质检查A2、基础检杳(BR/CR)3、基础表面处理AR4、垫铁放置C5、底座找正BR6、地脚螺栓清洁度AR7、地脚螺栓孔灌浆B8、二次灌浆BR9、地脚螺栓紧固BR10、联轴节对中B11、配管前BR12、配管后BR13、内部清洁度(如需要)A14、辅助件安装C15、最终外观检查A16、盘车B17、油洗、吹扫AR18、驱动装置转向检查BR联轴节最终对中AR试车ARE.5.13 工业炉(包括工业炉、加热器、蒸汽锅炉)序号控制点等级检查结果1、设备/材质检查A2、基础检杳(BR/CR)3、主结构找正(垂直度、标高)AR4、主墙方度(跨距、对角线)BR5、螺栓/结构焊接/墙板BR6、管、盘管、输气管对中C7、顶部弹簧吊架调校B8、9、10、11、12、13、14、15、16、17、18、19、20、21、22、23、焊接工艺规程/焊接工艺评定焊工考试受压部分焊接检查着色、磁探射线外观焊后热处理(如需要)水压试验/渗漏试验/气溶性试验燃烧器辅助件焊接表面准备/筑炉清理焊放筑炉锚钉膨胀节筑炉筑炉外观检查内部清洁度烟囱找正(中心线、垂直度)最终外观检查化学清洗烘炉触媒装填BARA/BRBRBRCBRARCBBBAABRAARARARE.5.1.4 拼装罐(现场组对设备)序号控制点等级检查结果1、2、3、4、5、6、7、8、9、10、11、12、13、14、15、16、17、18、焊接工艺规程/焊接工艺评定焊工考试材质检查基础检...

1、当您付费下载文档后,您只拥有了使用权限,并不意味着购买了版权,文档只能用于自身使用,不得用于其他商业用途(如 [转卖]进行直接盈利或[编辑后售卖]进行间接盈利)。
2、本站所有内容均由合作方或网友上传,本站不对文档的完整性、权威性及其观点立场正确性做任何保证或承诺!文档内容仅供研究参考,付费前请自行鉴别。
3、如文档内容存在违规,或者侵犯商业秘密、侵犯著作权等,请点击“违规举报”。

碎片内容

质量控制点一览表

您可能关注的文档

wxg+ 关注
实名认证
内容提供者

该用户很懒,什么也没介绍

确认删除?
VIP
微信客服
  • 扫码咨询
会员Q群
  • 会员专属群点击这里加入QQ群
客服邮箱
回到顶部