电脑桌面
添加小米粒文库到电脑桌面
安装后可以在桌面快捷访问

土石方爆破施工方案(改)

土石方爆破施工方案(改)_第1页
1/14
土石方爆破施工方案(改)_第2页
2/14
土石方爆破施工方案(改)_第3页
3/14
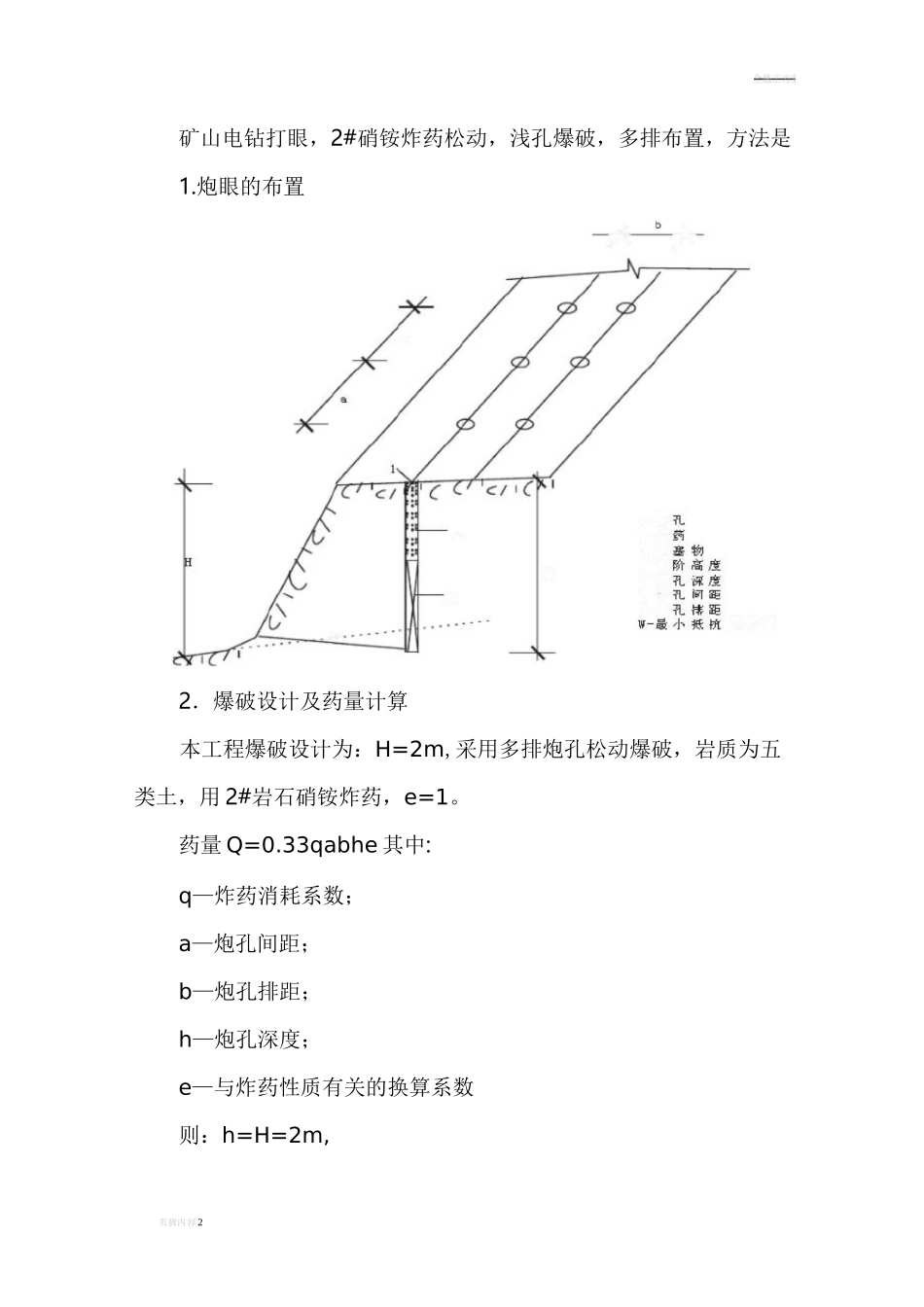
页脚内容 1土石方爆破施工方案一、编制内容泸州市教科城 3 号路,按照设计要求,路基挖填方量极不平衡,需要大量借土回填,本方案是结合我部取土场地的实际情况而编制的,取土现场除了较浅的表土层外,全是大量的松石、坚石、需采取松动爆破以后才可以挖运。所包含的内容有石方爆破设计、石方爆破施工、爆破安全技术措施、保证安全施工措施等。二、指导思想1.本着“精心组织、精心施工、科学管理、技术先进、求实守信、确保创优”的方针,运用项目法进行施工组织管理,充分发挥公司的整体优势,实行强有力的统一领导和指挥,选派精干队伍,采用先进、合理、经济的施工方案,做到精心组织、文明施工,确保优质、快速、安全、低耗完成工程的施工任务。2.本施工方案所提出的方法以及措施,是经过认真调查而确定的,是组织和指导施工的重要指导性文件。三、施工方案1、钻孔爆破设计根据该工程地质条件和开挖断面、开挖的方法,本工程选择①35mm页脚内容 2矿山电钻打眼,2#硝铵炸药松动,浅孔爆破,多排布置,方法是1.炮眼的布置2.爆破设计及药量计算本工程爆破设计为:H=2m,采用多排炮孔松动爆破,岩质为五类土,用 2#岩石硝铵炸药,e=1。药量 Q=0.33qabhe 其中:q—炸药消耗系数;a—炮孔间距;b—炮孔排距;h—炮孔深度;e—与炸药性质有关的换算系数则:h=H=2m,AAa3H2.W1-炮早一炸9-埴H-昔h-炮a- 炮 t■-炮线长度W=O.7H=O.7X2=i.4m,a=i.4w=i・4Xi.4=i.96m;b=W=1.4m五类土查表得 q=1.4Kg/m3Q=o.33X1.4X1.96X1.4X2X1=2.54Kg.所以每孔需用 2.54Kg。2、石方爆破1.爆破材料的选择(1).炸药:选用 2#硝铵炸药。(2).起爆材料:非电毫秒雷管(3).打眼方式:选择潜孔机钻孔打眼。2.爆破方法(1).炮眼爆破法:工程采用非电毫秒雷管串并联网络,浅孔松动爆破,多排布置。(2).排爆布置:炮距 2m,排距 1.2m,炮眼深度 2m,最小抵抗线 i・5m,采用延长药包。(3).中部浅孔排爆布置,排除了爆破飞石对相临建筑物及其它设施的影响。(4)、用潜孔机钻孔,非电毫秒雷管、导爆管起爆 2#岩石硝胺炸药,考虑周围环境影响和施工对石块强度要求,孔网参数及单位耗药量按深孔微差松动爆破计算,靠近边坡一定范围内设计部分不装药页脚内容 3页脚内容 5炮孔,以减小爆破时对边坡的扰动。临近建筑物的爆区在爆体表面和一些建筑物表面作必要的遮挡及覆盖防护。(5)、钻孔前认真对准炮孔布置点位,调整钻杆与地面的夹角,最大限度地减小开口偏差及...

1、当您付费下载文档后,您只拥有了使用权限,并不意味着购买了版权,文档只能用于自身使用,不得用于其他商业用途(如 [转卖]进行直接盈利或[编辑后售卖]进行间接盈利)。
2、本站所有内容均由合作方或网友上传,本站不对文档的完整性、权威性及其观点立场正确性做任何保证或承诺!文档内容仅供研究参考,付费前请自行鉴别。
3、如文档内容存在违规,或者侵犯商业秘密、侵犯著作权等,请点击“违规举报”。

碎片内容

土石方爆破施工方案(改)

您可能关注的文档

确认删除?
VIP
微信客服
  • 扫码咨询
会员Q群
  • 会员专属群点击这里加入QQ群
客服邮箱
回到顶部