电脑桌面
添加小米粒文库到电脑桌面
安装后可以在桌面快捷访问

建设行业电焊工(岗位)初级职业技能鉴定实际操作试题

建设行业电焊工(岗位)初级职业技能鉴定实际操作试题_第1页
1/18
建设行业电焊工(岗位)初级职业技能鉴定实际操作试题_第2页
2/18
建设行业电焊工(岗位)初级职业技能鉴定实际操作试题_第3页
3/18
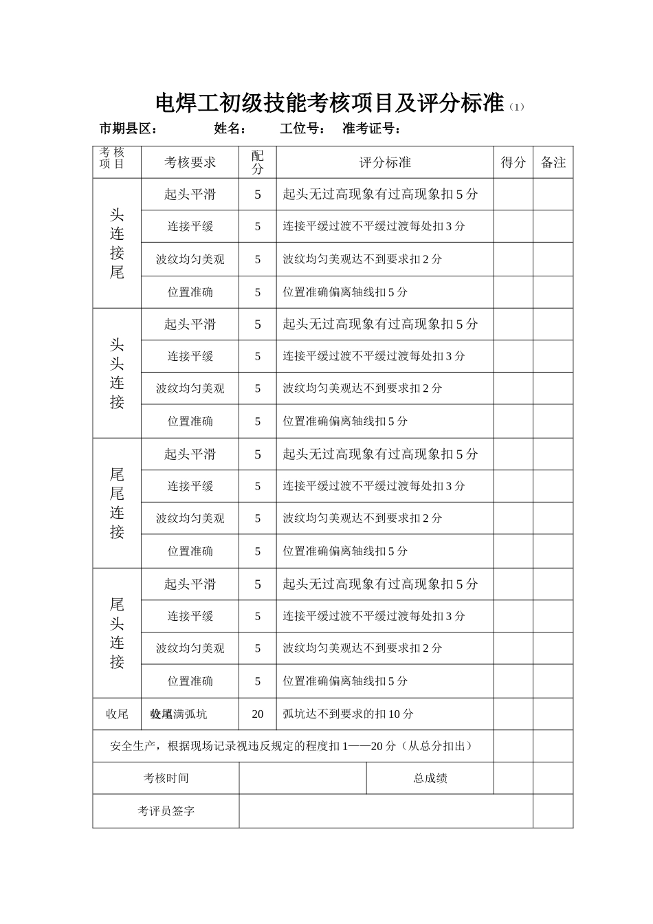
建设行业电焊工(岗位)初级职业技能鉴定实际操作试题姓名________ 准考证号________ 工位号________一、题目名称:平敷焊焊道的连接。二、考核内容:技术要求:1、焊道宽度:10mm 至 12mm±1 。2、焊道余高:0.3mm±1 。3、焊前按要求准备考件,按图首先焊 1、2、3 道,清渣后再焊 4、5 道达到接头目的 。4、焊接方法:手工电弧焊。5、试件的划线、焊接及清理应由考生独立完成。6、焊接时平焊操作姿势不允许坐着或依靠其他物件。7、考生整个考试过程中,应遵守电焊工安全操作规程,做到文明生产,对违返考试规则不听劝阻或违犯安全操作规程,出现重大事故者,取消考试资格,并按有关规定处理。三、场地、设备、材料及工具1、地场:有良好的采光及排尘条件,具有适合本考题焊接操作台。2、设备、工量具设备:交流弧焊机 BX3-300 型焊机。工量具:清渣锤、钢丝刷、钢直尺、焊缝测量器。3、试件母材 Q235 钢板。4、试件尺寸:400×50×5 。四、考核时间:1、准备时间:15 分钟。2、正式操作时间:30 分钟。3、总时间:45 分钟。五、考核项目及评分标准见表。60050060050060012345电焊工初级技能考核项目及评分标准(1)市期县区: 姓名: 工位号: 准考证号:考 核项 目考核要求配分评分标准得分备注头 连 接 尾起头平滑5起头无过高现象有过高现象扣 5 分连接平缓5连接平缓过渡不平缓过渡每处扣 3 分波纹均匀美观5波纹均匀美观达不到要求扣 2 分位置准确5位置准确偏离轴线扣 5 分头 头 连 接起头平滑5起头无过高现象有过高现象扣 5 分连接平缓5连接平缓过渡不平缓过渡每处扣 3 分波纹均匀美观5波纹均匀美观达不到要求扣 2 分位置准确5位置准确偏离轴线扣 5 分尾 尾 连 接起头平滑5起头无过高现象有过高现象扣 5 分连接平缓5连接平缓过渡不平缓过渡每处扣 3 分波纹均匀美观5波纹均匀美观达不到要求扣 2 分位置准确5位置准确偏离轴线扣 5 分尾 头 连 接起头平滑5起头无过高现象有过高现象扣 5 分连接平缓5连接平缓过渡不平缓过渡每处扣 3 分波纹均匀美观5波纹均匀美观达不到要求扣 2 分位置准确5位置准确偏离轴线扣 5 分收尾收尾处填满弧坑20弧坑达不到要求的扣 10 分安全生产,根据现场记录视违反规定的程度扣 1——20 分(从总分扣出)考核时间总成绩考评员签字建设行业电焊工(岗位)初级职业技能鉴定实际操作试题(2)姓名________ 准考证号________ 工位号________一、...

1、当您付费下载文档后,您只拥有了使用权限,并不意味着购买了版权,文档只能用于自身使用,不得用于其他商业用途(如 [转卖]进行直接盈利或[编辑后售卖]进行间接盈利)。
2、本站所有内容均由合作方或网友上传,本站不对文档的完整性、权威性及其观点立场正确性做任何保证或承诺!文档内容仅供研究参考,付费前请自行鉴别。
3、如文档内容存在违规,或者侵犯商业秘密、侵犯著作权等,请点击“违规举报”。

碎片内容

建设行业电焊工(岗位)初级职业技能鉴定实际操作试题

您可能关注的文档

确认删除?
VIP
微信客服
  • 扫码咨询
会员Q群
  • 会员专属群点击这里加入QQ群
客服邮箱
回到顶部