电脑桌面
添加小米粒文库到电脑桌面
安装后可以在桌面快捷访问

混凝土原材料及配合比检验质量标准和检验方法VIP免费

混凝土原材料及配合比检验质量标准和检验方法_第1页
1/11
混凝土原材料及配合比检验质量标准和检验方法_第2页
2/11
混凝土原材料及配合比检验质量标准和检验方法_第3页
3/11
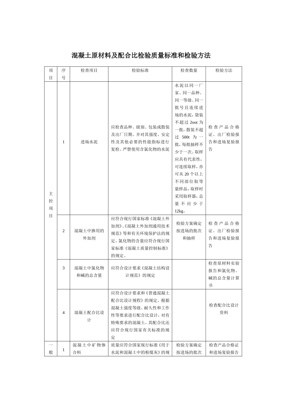
混凝土原材料及配合比检验质量标准和检验方法项目序号检查项目检验标准检查数量检验方法主控项目1进场水泥应检查品种、级别、包装或散装及出厂日期、并对其强度、安定性及其他必要的性能指标进行复检。严禁使用含氯化物的水泥水泥以同一厂家、同一品种、同一等级、同一批号且连续进场的水泥,袋装不超过2oot为一批,散装不超过500t为一批,每批抽样不少于一次。取样应具有代表性,可连续取样,亦可从20个以上不同部位取等量样品,取样时采用取样器,总量不应少于12kg。检查产品合格证、出厂检验报告和进场复验报告2混凝土中掺用的外加剂应符合现行国家标准《混凝土外加剂》、《混凝土外加剂通用技术规范》等和有关环境保护法的规定。氯化物的含量应符合现行国家标准《混凝土质量控制标准》的规定。检验方案确定按进场的批次和抽样检查产品合格证、出厂检验报告和进场复验报告3混凝土中氯化物和碱的总含量应符合设计要求《混凝土结构设计规范》的规定检查原材料实验报告和氯化物、碱的总含量计算书4混凝土配合比设计应符合设计要求和《普通混凝土配合比设计规程》的规定,根据混凝土强度等级、耐久性和工作性等要求进行配合比设计,对有特殊要求的混凝土,其配合比还应符合现行国家有关标准的规定检查配合比设计资料一般1混凝土中矿物惨合料质量应符合国家现行标准《用于水泥和混凝土中的粉煤灰》的规检验方案确定按进场的批次检查产品合格证和进场复验报告项目定,掺量应通过试验规定和抽样2普通混凝土中用粗、细骨料质量应符合国家现行标准《普通混凝土用碎石或卵石质量标准及能检验方法》、《普通混凝土用砂质量标准及检验方法》的规定检验方案确定按进场的批次和抽样检查进场复验报告3拌制混凝土的水宜采用饮用水、当采用其他水源时、水质应符合国家现行标准《混凝土拌合用水标准》的规定同一水源检查不少于一次检查水质试验报告4首次使用的混凝土配合比应进行开盘鉴定,其工作性应满足设计配合比的要求开始生产时,至少留一组标养试块为验证配合比的依据检查开盘鉴定资料和试件强度试验报告5砂、石含水率混凝土拌制前应进行测定,根据测定的结果,调整材料用量,给出施工配合比每工作班检查一次检查含水率测试结果和施工配合比通知单注:1、将所取样品充分混合后通过0.9mm方孔篩,均分为试验样和封存样,封存样加封条,密封保管3个月。2、安定性:体积安定性不良主要是指水泥硬化和产生不均匀的体积变化。一般是由于熟料中所含的游离氧化钙、游离氧化镁、或掺入的石膏过多。3、不合格品和废品:凡氧化镁、三氧化硫、初凝时间、安定性中任一项不符合标准规定时,均为废品;凡细度、终凝时间中的任一项不符合标准规定或混合材料掺加量超过最大限和强度低于商品强度等级的指标时为不合格品。水泥包装标志中水泥品种、强度等级、生产者名称和出厂编号不全的也属于不合格品。4、混凝土的取样:每100盘,且不超过100m3的同配合比的混凝土,取样次数不得少于一次;每一工作班拌制的同配合比的混凝土不足100盘时,其取样次数不得少于一次;一次浇筑1000m3以上同配合比的混凝土,每200m3取样次数不得少于一次;每层楼或每工作台班浇筑浇筑同配合比的混凝土时,其取样次数不得少于一次。混凝土抽样在浇筑地点随机抽取。混凝土施工工程质量检验标准及检验方法项目序号检验项目检验标准或允许偏差检查数量检查方法主控项目1结构混凝土强度等级符合设计要求留置应符合规定检查施工记录及试件强度检测报告2抗渗混凝土等级符合设计要求同一工程、同一配合比的混凝土,取样不少于一次,留置组数可根据实际需要确定检查试件抗渗试验报告3原材料每盘称量允许偏差水泥、掺合量±2%每工作班抽查不应少于一次复称粗、细骨料±3%水、外加剂±2%4混凝土的运输、浇筑及间歇时间不应超过初凝时间。同一施工段的混凝土应连续浇筑,并应在底层混凝土初凝之前将上层混泥土浇筑完毕。否则应按施工技术方案的要求对施工缝进行处理全数检查现场观察,检查施工记录一般项目1施工缝位置应在混凝土浇筑前按设计要求和施工技术方案确定,处理应按施工技术方案进行全数检查现场观察,检查施工记录2后浇带位置应按设...

1、当您付费下载文档后,您只拥有了使用权限,并不意味着购买了版权,文档只能用于自身使用,不得用于其他商业用途(如 [转卖]进行直接盈利或[编辑后售卖]进行间接盈利)。
2、本站所有内容均由合作方或网友上传,本站不对文档的完整性、权威性及其观点立场正确性做任何保证或承诺!文档内容仅供研究参考,付费前请自行鉴别。
3、如文档内容存在违规,或者侵犯商业秘密、侵犯著作权等,请点击“违规举报”。

碎片内容

混凝土原材料及配合比检验质量标准和检验方法

文章天下+ 关注
实名认证
内容提供者

各种文档应有尽有

确认删除?
VIP
微信客服
  • 扫码咨询
会员Q群
  • 会员专属群点击这里加入QQ群
客服邮箱
回到顶部