电脑桌面
添加小米粒文库到电脑桌面
安装后可以在桌面快捷访问

框架填充墙砌体工程技术交底

框架填充墙砌体工程技术交底_第1页
1/7
框架填充墙砌体工程技术交底_第2页
2/7
框架填充墙砌体工程技术交底_第3页
3/7
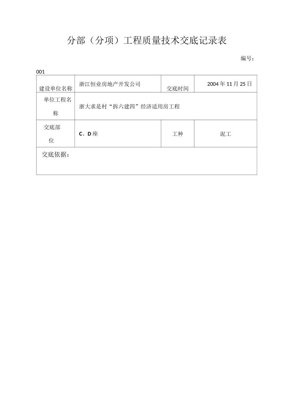
分部(分项)工程质量技术交底记录表编号:001建设单位名称浙江恒业房地产开发公司交底时间2004 年 11 月 25 日单位工程名称浙大求是村“拆六建四”经济适用房工程交底部位C、D 座工种泥工交底依据:交底内容:一、砌体施工准备1、砖的品种,规格,强度,等级必须符合设计要求,并且由供应商提供质保书,送样去试验室进行抗压试验,符合要求后方可使用。2、砌筑砖砌体时,砖应提前 12d 浇水湿润,砖含水率控制在 1015%之间。3、加气混凝土砌块砌筑时,其产品期龄应超过 28d,应向砌筑面适量浇水。4、砌筑砂浆强度必须由试验室试配后提供,各种原材料符合规范规定,水泥进场使用前,应对其强度安定性进行复验,砂中不得含有有害物质,含泥量小于 5%,石灰膏熟化时间大于 15 天,如采用新型砂浆机必须符合有关规定。5、进场后在搬运中必须做到轻装,轻卸,到楼层不得倾倒,人工卸至砌筑部位。6、准备好砌筑用的砂浆刮板,手锯,角尺,泥桶,铝合金靠尺等工具。二、标准砖、多孔砖砌筑1、地下室烧结普通砖采用“三一”砌筑法,“三一”砌筑法即为一铲灰、一块砖、一揉压的砌筑方法,砖砌体应上下错缝,内外搭接,采用一顺一丁砌筑形式。2、砌筑前由现场关砌抄好水平线,画好皮数杆,并根据轴线弹出相应的墙体位置及门洞位置,在每道墙的转角处设置皮数杆,然后先进行砖予排列。3、砌筑砖砌体时,砖应提前 12 小时浇水湿润。4、多孔砖的孔洞应垂直于受压面砌筑,多孔砖窗台上浇筑 60100mm 厚 C20 素砼。5、砖砌体的灰缝应横平竖直、厚薄均匀;竖向灰缝不得出现透明缝、瞎缝、和假缝。砖砌体施工临时间断处补砌时,必须将接槎处表面清理干净,浇水湿润,并填实砂浆,保持灰缝平直。6、砖和砂浆的强度等级必须符合设计要求。7、砖砌体水平灰缝的砂浆饱满度不得小于 80%。砖砌体的转角处和交接处应同时砌筑,严禁无可靠措施的内外墙分砌施工。8、砖砌体的灰缝应横平竖直,厚薄均匀。水平灰缝厚度宜为 10MM,但不应小于 8MM,也不应大于12MM。三、蒸压加气混凝土砌块砌筑:1、蒸压加气混凝土砌块施工时的含水率宜控制在小于 15%(对粉煤灰加气混凝土砌块宜小于 20%),砌筑蒸压加气混凝土砌块前提前 2 小时向砌筑面适量浇水。2、砌筑加气混凝土墙体时,墙底部应砌烧结普通砖或多孔砖,或普通混凝土小型空心砌块,或现浇混凝土坎台,其高度不宜小于 200mm。3、砌筑加气混凝土砌块使用专用工具,砌筑时应上下错缝,搭接长度不宜小...

1、当您付费下载文档后,您只拥有了使用权限,并不意味着购买了版权,文档只能用于自身使用,不得用于其他商业用途(如 [转卖]进行直接盈利或[编辑后售卖]进行间接盈利)。
2、本站所有内容均由合作方或网友上传,本站不对文档的完整性、权威性及其观点立场正确性做任何保证或承诺!文档内容仅供研究参考,付费前请自行鉴别。
3、如文档内容存在违规,或者侵犯商业秘密、侵犯著作权等,请点击“违规举报”。

碎片内容

框架填充墙砌体工程技术交底

wxg+ 关注
实名认证
内容提供者

该用户很懒,什么也没介绍

确认删除?
VIP
微信客服
  • 扫码咨询
会员Q群
  • 会员专属群点击这里加入QQ群
客服邮箱
回到顶部