电脑桌面
添加小米粒文库到电脑桌面
安装后可以在桌面快捷访问

盾构土压力计算

盾构土压力计算_第1页
1/12
盾构土压力计算_第2页
2/12
盾构土压力计算_第3页
3/12
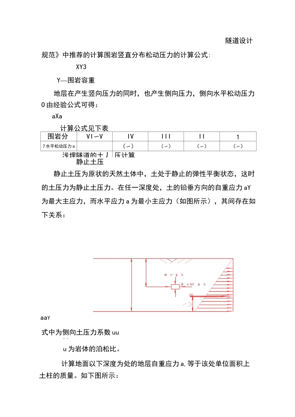
城市地铁盾构施工土压力选择随着北京年申奥成功,我国的城市地铁施工必将走向了一个崭新的一页。城市地铁盾构施工具有快速、安全、对地面建筑物影响小等诸多优点,已经被越来越多的人们所认可。在城市地铁盾构施工中,如何设置合理的土压,对于控制地表沉降有着至关重要的意义。一、土压平衡复合式盾构机三种工况的简要介绍土压平衡复合式盾构有三种工况,即敞开式、半敞开式、土压平衡三种掘进模式。地层围岩条件较好时,螺旋输送机伸入土仓,螺旋输送机的卸料口完全打开,土仓内不保持土压,维持刀盘、土仓、螺旋输送机之间的完全敞开,实现敞开式模式掘进。当围岩稳定性变坏,工作面有坍塌时或有坍塌的可能,或地下涌水不能得到有效控制时,缩回螺旋输送机,关闭螺旋输送机的卸料口,压入压缩空气,土仓会被压力封闭,控制地下水的涌出,防止坍塌的进一步发生,即可实现半敞开式掘进模式;若水压力大或工作面不能达到稳定状态,则先停止螺旋输送机的出碴,切削下来的碴土充满土仓。与此同时,用螺旋输送机排土机构,进行与盾构推进量相应的排土作业,掘进过程中,始终维持开挖土量与排土量的平衡来维持仓内碴土的土压力。以土仓内的碴土压力抗衡工作面的土体压力和水压力,以保持工作面的土体的稳定,防止工作面的坍塌和地下水的涌出,从而使盾构机在不松动的围岩中掘进,确保不产生地层损失,实现土压平衡掘进模式。二、掘进土压力的设定在选择掘进土压力时主要考虑地层土压,地下水压(孔隙水压),预先考虑的预备压力。地层施工土压在我国铁路隧道设计规范中,根据大量的施工经验,在太沙基土压力理论的基础上,提出以岩体综合物性指标为基础的岩体综合分类法,根据隧道的埋资深度不同,将隧道分为深埋隧道和浅埋隧道。再根据隧道的具体情况采用不同的计算方式进行施工土压计算。深埋隧道与浅埋隧道的确定深、浅埋隧道的判定原则一般以隧道顶部覆盖层能否形成“自然拱”为原则。深埋隧道围岩松动压力值是根据施工坍方平均高度(等效荷载高度)确定的。根据经验,深、浅埋隧道分界深度通常为〜倍的施工坍方平均高度,即(〜)式中:深、浅埋隧道分界的深度施工坍方平均高度,X3—围岩类别,如 III 类围岩,则3—宽度影响系数,且 3()—隧道净宽度,单位以计。—以为基准,每增减时的围岩压力增减率。当时,取,取。深埋隧道的土压计算在深埋隧道中,按照太沙基土压力理论计算公式以及日本村山理论,可以较为准确的计算出盾构前方的松动土...

1、当您付费下载文档后,您只拥有了使用权限,并不意味着购买了版权,文档只能用于自身使用,不得用于其他商业用途(如 [转卖]进行直接盈利或[编辑后售卖]进行间接盈利)。
2、本站所有内容均由合作方或网友上传,本站不对文档的完整性、权威性及其观点立场正确性做任何保证或承诺!文档内容仅供研究参考,付费前请自行鉴别。
3、如文档内容存在违规,或者侵犯商业秘密、侵犯著作权等,请点击“违规举报”。

碎片内容

盾构土压力计算

您可能关注的文档

wxg+ 关注
实名认证
内容提供者

该用户很懒,什么也没介绍

确认删除?
VIP
微信客服
  • 扫码咨询
会员Q群
  • 会员专属群点击这里加入QQ群
客服邮箱
回到顶部