电脑桌面
添加小米粒文库到电脑桌面
安装后可以在桌面快捷访问

钢筋绑扎分项工程质量验收记录表VIP免费

钢筋绑扎分项工程质量验收记录表_第1页
1/14
钢筋绑扎分项工程质量验收记录表_第2页
2/14
钢筋绑扎分项工程质量验收记录表_第3页
3/14
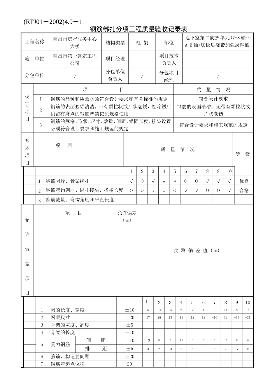
(RFJ01-2002)4.9-1钢筋绑扎分项工程质量验收记录表工程名称南昌市房产服务中心大楼结构类型框架部位地下室第二防护单元(7-8轴~A-H轴)底板后浇带加强层钢筋施工单位南昌市第一建筑工程公司项目经理项目技术负责人分包单位/分包单位负责人/分包项目经理/保证项目项目质量情况1钢筋的品种和质量必须符合设计要求和有关标准的规定符合设计要求2钢筋的表面必须清洁。带有颗粒状或片状老锈,经除锈后仍留有麻点的钢筋严禁按原规格使用钢筋的表面清洁、无带有颗粒状或片状老锈3钢筋的规格、形状、尺寸、数量、间距、锚固长度、接头设置必须符合设计要求和施工规范的规定符合设计要求和施工规范的规定基本项目项目质量情况等级123456789101钢筋网片、骨架绑扎√Ο√√√ΟΟ√√√优良2钢筋弯钩朝向、绑扎接头、搭接长度ΟΟ√ΟΟ√√ΟΟ√合格3箍筋数量、弯钩角度和平直长度允许偏差项目项目允许偏差(mm)实测偏差值(mm)123456789101网的长度、宽度±106-4-56-843118-62网眼尺寸±20172513111212-1012-14-213骨架的宽度、高度±54骨架的长度±105受力钢筋间距±10-38711365-463排距±532-356352-726箍筋、构造筋间距±207钢筋弯起点位移208焊接预埋件中心线位移5水平高差+3-09受力钢筋保护层梁、柱±5墙、板(拱)±33-24-3-253-310检查结果保证项目符合设计及国家规范要求基本项目检查2项,其中优良1项,优良率50%允许偏差项目实测50点,其中合格42点,合格率84%检查结论符合设计及国家规范要求评定合格专业技术负责人签字:年月日验收结论监理工程师签字:年月日(RFJ01-2002)4.9-1钢筋绑扎分项工程质量验收记录表工程名称南昌市房产服务中心大楼结构类型框架部位地下室第一防护单元(1-6轴~A-H轴)承台、地梁、底板等部位施工单位南昌市第一建筑工程公司项目经理项目技术负责人分包单位/分包单位负责人/分包项目经理/保证项目项目质量情况1钢筋的品种和质量必须符合设计要求和有关标准的规定符合设计要求2钢筋的表面必须清洁。带有颗粒状或片状老锈,经除锈后仍留有麻点的钢筋严禁按原规格使用钢筋的表面清洁、无带有颗粒状或片状老锈3钢筋的规格、形状、尺寸、数量、间距、锚固长度、接头设置必须符合设计要求和施工规范的规定符合设计要求和施工规范的规定基本项目项目质量情况等级123456789101钢筋网片、骨架绑扎√√Ο√√ΟΟ√√√优良2钢筋弯钩朝向、绑扎接头、搭接长度ΟΟ√Ο√√√√Ο√优良3箍筋数量、弯钩角度和平直长度√√Ο√ΟΟ√ΟΟ√合格允许偏差项目项目允许偏差(mm)实测偏差值(mm)123456789101网的长度、宽度±1059811-2-563-752网眼尺寸±20131214-142015201413183骨架的宽度、高度±53248-22-42134骨架的长度±106547-57576-125受力钢筋间距±10857+45124-364排距±524-23462-4126箍筋、构造筋间距±20312141112-5-151221187钢筋弯起点位移2015215141318101213158焊接预埋件中心线位移52436213401水平高差+3-021-412325239受力钢筋保护层梁、柱±5324-5312356墙、板(拱)±32143225233检查结果保证项目符合设计及国家规范要求基本项目检查3项,其中优良2项,优良率66.6%允许偏差项目实测120点,其中合格12点,合格率90%检查结论符合设计及国家规范要求评定优良专业技术负责人签字:年月日验收结论监理工程师签字:年月日(RFJ01-2002)4.9-1钢筋绑扎分项工程质量验收记录表工程名称南昌市房产服务中心大楼结构类型框架部位地下室第一防护单元(1-6轴~A-H轴)侧板、剪力墙部位施工单位南昌市第一建筑工程公司项目经理项目技术负责人分包单位/分包单位负责人/分包项目经理/保证项目项目质量情况1钢筋的品种和质量必须符合设计要求和有关标准的规定符合设计要求2钢筋的表面必须清洁。带有颗粒状或片状老锈,经除锈后仍留有麻点的钢筋严禁按原规格使用钢筋的表面清洁、无带有颗粒状或片状老锈3钢筋的规格、形状、尺寸、数量、间距、锚固长度、接头设置必须符合设计要求和施工规范的规定符合设计要求和施工规范的规定基本项目项目质量情况等级123456789101钢筋网片、骨架绑扎√ΟΟ√ΟΟΟ√ΟΟ合格2钢筋弯钩朝向、绑扎接头、搭接长度Ο√√ΟΟ√√Ο√√优良...

1、当您付费下载文档后,您只拥有了使用权限,并不意味着购买了版权,文档只能用于自身使用,不得用于其他商业用途(如 [转卖]进行直接盈利或[编辑后售卖]进行间接盈利)。
2、本站所有内容均由合作方或网友上传,本站不对文档的完整性、权威性及其观点立场正确性做任何保证或承诺!文档内容仅供研究参考,付费前请自行鉴别。
3、如文档内容存在违规,或者侵犯商业秘密、侵犯著作权等,请点击“违规举报”。

碎片内容

钢筋绑扎分项工程质量验收记录表

您可能关注的文档

确认删除?
VIP
微信客服
  • 扫码咨询
会员Q群
  • 会员专属群点击这里加入QQ群
客服邮箱
回到顶部