电脑桌面
添加小米粒文库到电脑桌面
安装后可以在桌面快捷访问

钢筋配料计算方法与实例

钢筋配料计算方法与实例_第1页
1/9
钢筋配料计算方法与实例_第2页
2/9
钢筋配料计算方法与实例_第3页
3/9
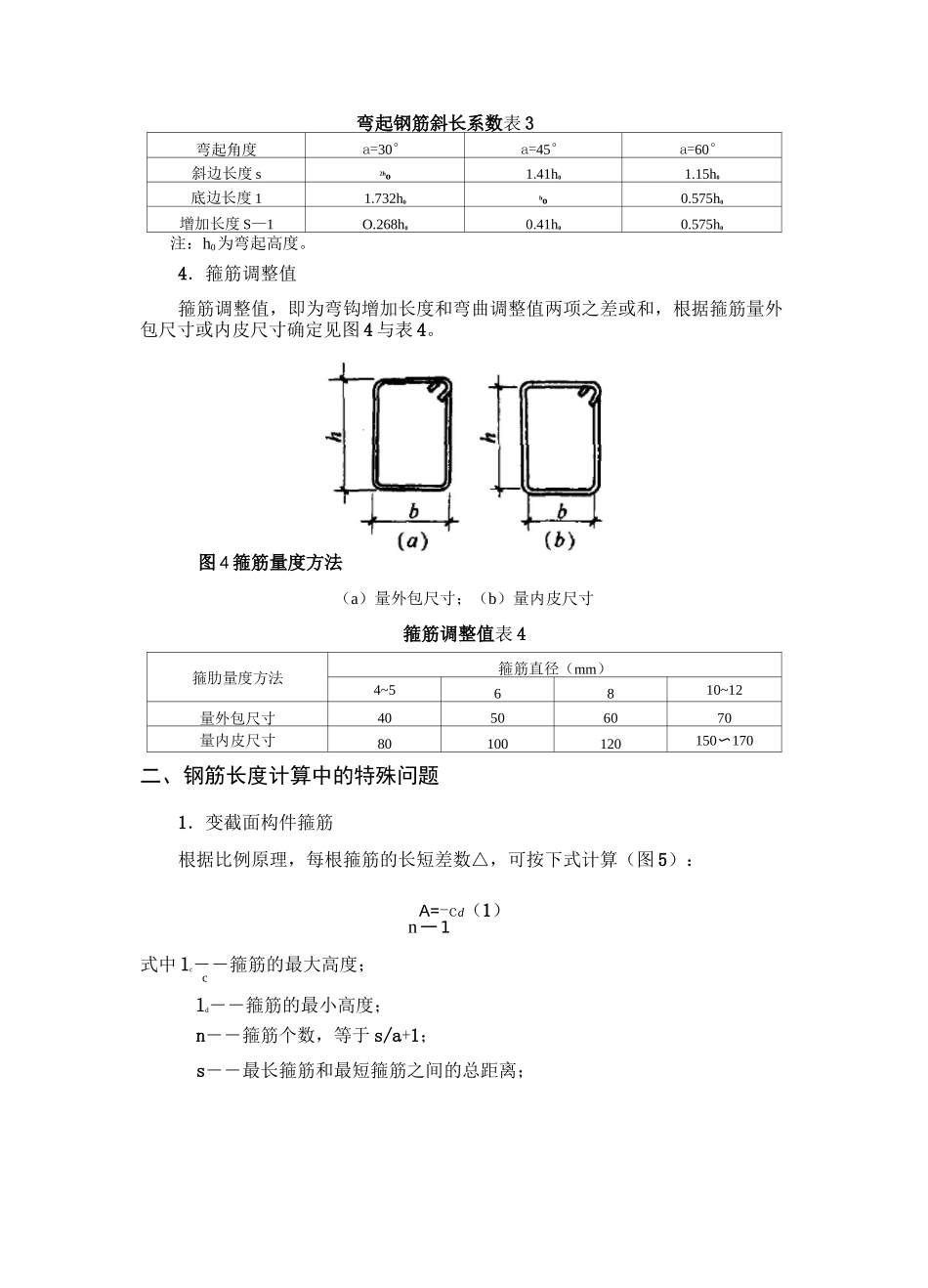
钢筋配料计算方法与实例钢筋配料是根据构件配筋图,先绘出各种形状和规格的单根钢筋简图并加以编号,然后分别计算钢筋下料长度和根数,填写配料单,申请加工。一、钢筋下料长度计算钢筋因弯曲或弯钩会使其长度变化,在配料中不能直接根据图纸中尺寸下料必须了解对混凝土保护层、钢筋弯曲、弯钩等规定,再根据图中尺寸计算其下料长度。各种钢筋下料长度计算如下:直钢筋下料长度二构件长度一保护层厚度+弯钩增加长度弯起钢筋下料长度二直段长度+斜段长度一弯曲调整值+弯钩增加长度箍筋下料长度二箍筋周长+箍筋调整值上述钢筋需要搭接的话,还应增加钢筋搭接长度。1.弯曲调整值钢筋弯曲后的特点:一是在弯曲处内皮收缩、外皮延伸、轴线长度不变;二是在弯曲处形成圆弧。钢筋的量度方法是沿直线量外包尺寸(图 1);因此,弯起钢筋的量度尺寸大于下料尺寸,两者之间的差值称为弯曲调整值。弯曲调整值,根据理论推算并结合实践经验,列于表 1。钢筋弯曲调整值表 1钢筋弯曲角度30°45°60°90°135°钢筋弯曲调整值0.35d0.5d0.85d2d2.5d注:d 为钢筋直径。2.弯钩增加长度钢筋的弯钩形式有三种:半圆弯钩、直弯钩及斜弯钩(图 2)。半圆弯钩是最常用的一种弯钩。直弯钩只用在柱钢筋的下部、箍筋和附加钢筋中。斜弯钩只用在直径较小的钢筋中。2)(b)(c)图 2 钢筋弯钩计算简图(a)半圆弯钩;(b)直弯钩;(c)斜弯钩光圆钢筋的弯钩增加长度,按图 2 所示的简图(弯心直径为 2.5d、平直部分为 3d)计算:对半圆弯钩为 6.25d,对直弯钩为 3.5d,对斜弯钩为 4.9d。在生产实践中,由于实际弯心直径与理论弯心直径有时不一致,钢筋粗细和机具条件不同等而影响平直部分的长短(手工弯钩时平直部分可适当加长,机械弯钩时可适当缩短),因此在实际配料计算时,对弯钩增加长度常根据具体条件,采用经验数据,见表 2。半圆弯钩增加长度参考表(用机械弯)表 2钢筋直径(mm)W68〜1012~1820〜2832~36一个弯钩长度(mm)406d5.5d5d4.5d3.弯起钢筋斜长弯起钢筋斜长系数表 3弯起角度a=30°a=45°a=60°斜边长度 s2ho1.41h01.15h0底边长度 11.732h0ho0.575h0增加长度 S—1O.268h00.41h00.575h0注:h0为弯起高度。4.箍筋调整值箍筋调整值,即为弯钩增加长度和弯曲调整值两项之差或和,根据箍筋量外包尺寸或内皮尺寸确定见图 4 与表 4。图 4 箍筋量度方法(a)量外包尺寸;(b)量内皮尺寸箍筋调整值表 4箍肋量度方法箍筋直径(mm)4~56810~...

1、当您付费下载文档后,您只拥有了使用权限,并不意味着购买了版权,文档只能用于自身使用,不得用于其他商业用途(如 [转卖]进行直接盈利或[编辑后售卖]进行间接盈利)。
2、本站所有内容均由合作方或网友上传,本站不对文档的完整性、权威性及其观点立场正确性做任何保证或承诺!文档内容仅供研究参考,付费前请自行鉴别。
3、如文档内容存在违规,或者侵犯商业秘密、侵犯著作权等,请点击“违规举报”。

碎片内容

钢筋配料计算方法与实例

wxg+ 关注
实名认证
内容提供者

该用户很懒,什么也没介绍

相关文档

确认删除?
VIP
微信客服
  • 扫码咨询
会员Q群
  • 会员专属群点击这里加入QQ群
客服邮箱
回到顶部