电脑桌面
添加小米粒文库到电脑桌面
安装后可以在桌面快捷访问

装配式结构施工技术交底

装配式结构施工技术交底_第1页
1/45
装配式结构施工技术交底_第2页
2/45
装配式结构施工技术交底_第3页
3/45
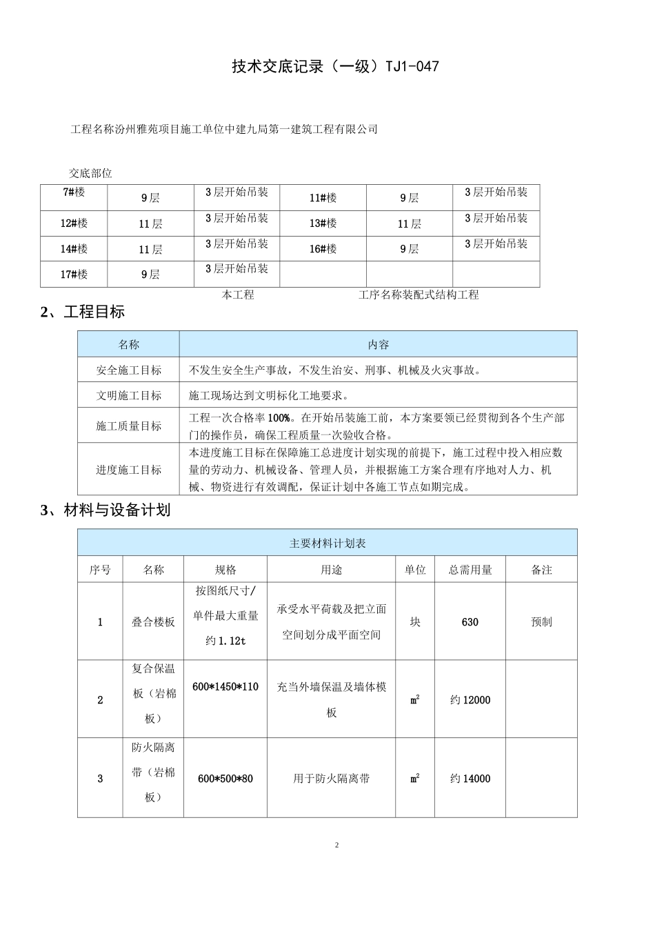
1工程名称汾州雅苑项目施工单位中建九局第一建筑工程有限公司交底部位本工程工序名称装配式结构工程交底提要:装配式结构工程施工技术交底交底内容:1、装配式结构设计概况■工程名称项目澜和湾项目建筑说明本工程为住宅小区,拟建建筑物包括:3 栋 11 层建筑,建筑髙度 32.7m,5 栋 9 层建筑,建筑髙度 26.9m,2 栋 8 层建筑,建筑髙度 23.85m,14 栋 7 层建筑,建筑髙度20.95m,地下建筑面积 67806m2,地上建筑面积 127985.37m2。本工程采用装配式结构的楼号为:5、6、7、11、12、13、14、16、17 号楼,满足总建筑面积的 30%。预制构件设计:1、叠合楼板设计:1)本工程三层以上(除屋顶楼板)卧室、起居室等套内空间楼板采用叠合楼板;侯梯厅处楼板采用现浇楼板。2)本项目叠合楼板预制板厚度为 60mm,叠合层厚度为 70mm,电气专业在叠合层内进行预埋管线布线,保证电管布线的合理性及施工质量。2、外墙外保温与混凝土现浇一体化设计:采用复合保温板作为混凝土外墙的外模板,与混凝土外墙现浇一体化施工,浇筑时应确保构件的结合部间的混凝土密实,混凝土的每个接合部都应做到一次性浇筑,模板的缝隙间不应发生漏浆。3、预制构件施工安全保障措施:1)本项目采用的上述各类预制构件,均应选用可靠的支撑和防护工艺,避免构件翻覆、掉落。2)在构件加工图中,应考虑施工安全防护措施的预留预埋,施工防护围挡髙度应满足国家相关施工安全防护规范的要求,严禁让工人在无保护情况下临空作业,避免髙空坠落造成安全事故。4、一体化装修设计:1)建筑装修材料、设备在需要与预制构件连接时宜采用预留预埋的安装方式,当采用膨胀螺栓、自攻螺丝、钉接、粘贴等固定法后期安装时,应在预制构件允许的范围内,不得剔凿预制构件及其现浇节点,影响结构安全。5#楼7 层 2 层开始吊装 6#楼 9 层 3层开始吊装技术交底记录(一级)TJ1-047工程名称汾州雅苑项目施工单位中建九局第一建筑工程有限公司27#楼9 层3 层开始吊装11#楼9 层3 层开始吊装12#楼11 层3 层开始吊装13#楼11 层3 层开始吊装14#楼11 层3 层开始吊装16#楼9 层3 层开始吊装17#楼9 层3 层开始吊装2、工程目标名称内容安全施工目标不发生安全生产事故,不发生治安、刑事、机械及火灾事故。文明施工目标施工现场达到文明标化工地要求。施工质量目标工程一次合格率 100%。在开始吊装施工前,本方案要领已经贯彻到各个生产部门的操作员,确保工程质量一次验收...

1、当您付费下载文档后,您只拥有了使用权限,并不意味着购买了版权,文档只能用于自身使用,不得用于其他商业用途(如 [转卖]进行直接盈利或[编辑后售卖]进行间接盈利)。
2、本站所有内容均由合作方或网友上传,本站不对文档的完整性、权威性及其观点立场正确性做任何保证或承诺!文档内容仅供研究参考,付费前请自行鉴别。
3、如文档内容存在违规,或者侵犯商业秘密、侵犯著作权等,请点击“违规举报”。

碎片内容

装配式结构施工技术交底

wxg+ 关注
实名认证
内容提供者

该用户很懒,什么也没介绍

确认删除?
VIP
微信客服
  • 扫码咨询
会员Q群
  • 会员专属群点击这里加入QQ群
客服邮箱
回到顶部