电脑桌面
添加小米粒文库到电脑桌面
安装后可以在桌面快捷访问

基础石驳岸石料的砌筑分项工程检验批质量验收记录VIP免费

基础石驳岸石料的砌筑分项工程检验批质量验收记录_第1页
1/25
基础石驳岸石料的砌筑分项工程检验批质量验收记录_第2页
2/25
基础石驳岸石料的砌筑分项工程检验批质量验收记录_第3页
3/25
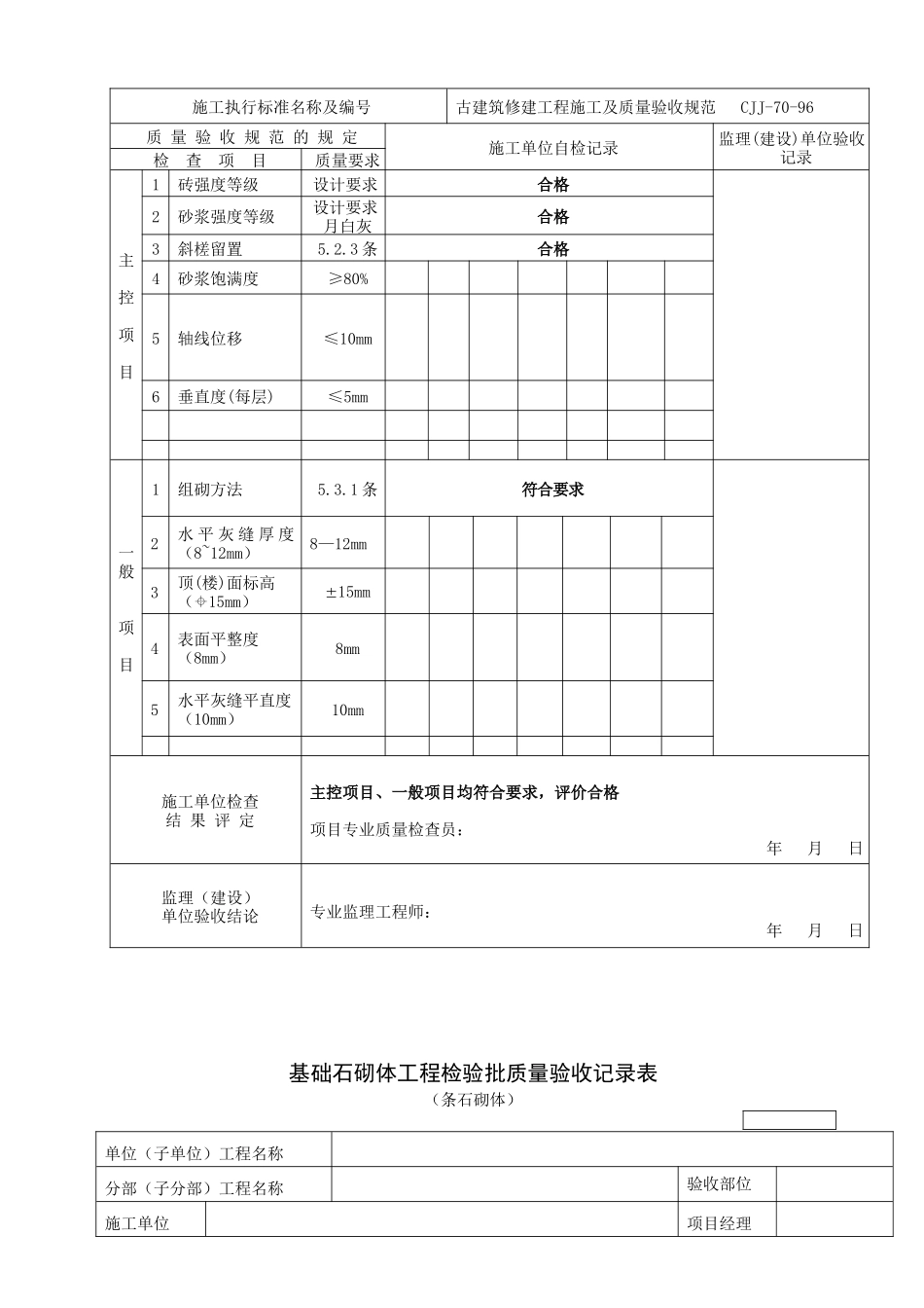
基础石驳岸石料的砌筑分项工程检验批质量验收记录工程名称分项工程名称验收部位施工单位项目经理专业工长分包单位/分包项目经理/施工班组长序号古建筑修建工程施工及质量验收规范CJJ-70-96施工单位检查评定记录监理(建设)单位验收记录主控项目1石驳岸的盖桩石,锁口石,挑筋石,镂孔石的安放位置,组砌方法,收势应符合设计要求。合格2连接铁件的品种、型号、规格、质量和安放位置应符合设计要求。合格3砂浆的品种、强度应符合设计要求和有关标准的规定。合格4毛石驳岸所用仓石(衬石)应填实、稳固,强度不得低于毛石。合格5驳岸出水口的设置应符合设计要求和传统做法。合格6驳岸(挡土墙)的填土,应符合设计要求。合格一般项目项目质量情况123456789101石料表面2表面剁斧的石料3石料色泽外观允许偏差项目项目允许偏差(mm)实测值(mm)毛石驳岸料石驳岸12345678910毛料石粗料石细料石1轴线位置偏移151510102驳岸厚度±20-10±20-10±10-10±10-103垂直度H在5m以下20201515H在5m以上303020204表面平整度20201075水平灰缝平直度--1076锁口石顶面标高±15±15±15±10施工单位检查评定结果主控项目和一般项目经检查均满足图纸设计和现行国家标准CJJ70-96的要求,评定合格项目专业质量检查员:年月日监理(建设)单位验收结论主控项目和一般项目经检查均满足图纸设计和现行国家标准CJJ70-96的要求,评定合格监理工程师(建设单位项目专业技术负责人):年月日基础砖砌体工程检验批质量验收记录工程名称分项工程名称项目经理施工单位验收部位施工执行标准名称及编号古建筑修建工程施工及质量验收规范CJJ-70-96质量验收规范的规定施工单位自检记录监理(建设)单位验收记录检查项目质量要求主控项目1砖强度等级设计要求合格2砂浆强度等级设计要求月白灰合格3斜槎留置5.2.3条合格4砂浆饱满度≥80%5轴线位移≤10mm6垂直度(每层)≤5mm一般项目1组砌方法5.3.1条符合要求2水平灰缝厚度(8~12mm)8—12mm3顶(楼)面标高(15mm)15mm4表面平整度(8mm)8mm5水平灰缝平直度(10mm)10mm施工单位检查结果评定主控项目、一般项目均符合要求,评价合格项目专业质量检查员:年月日监理(建设)单位验收结论专业监理工程师:年月日基础石砌体工程检验批质量验收记录表(条石砌体)单位(子单位)工程名称分部(子分部)工程名称验收部位施工单位项目经理施工执行标准名称及编号古建筑修建工程质量检验评定标准(CJJ70—96)施工质量验收规范的规定施工单位检查评定记录监理(建设)单位验收记录主控项目1石材强度等级设计要求合格2砂浆强度等级设计要求合格3砂浆饱满度≥80%条石砌体允许偏差(mm)基础墙4轴线位移20155墙面垂直度每层/20全高/30一般项目1砌体顶面标高±25±152砌体厚度+30+20,-103表面平整度(mm)清水/20混水/204灰缝平直度//5组砌形式第7.3.2条符合要求施工单位检查评定结果主控项目,一般项目均符合设计要求评定合格项目专业质量检查员:年月日监理(建设)单位验收结论专业监理工程师:(建设单位项目专业技术负责人):年月日上架木结构安装分项工程检验批质量验收记录工程名称刘铭传旧居维修及部分原址复建工程检验批部位施工执行标准名称及编号CJJ70-96施工单位项目经理专业工长分包单位分包项目经理施工班组长序号古建筑修建工程施工及质量验收规范CJJ-70-96施工单位检查评定记录监理(建设)单位验收记录主控项目1柱头以上木构架的柱、梁、枋、川、机等安装均应符合设计要求和古建筑传统施工要求。合格2上架木构件拼装之前,应对下架构件和上架构件之间的榫卯节点的位置、标高、轴线进行复验校正。合格3采用铁件的材质、型号、规格和连接方法应符合设计要求。合格一般项目1上架、大木构件安装,必须符合下列要求:位置正确到位,联结紧密,标高一致,榫卯坚实。符合要求项次项目允许偏差(mm)2每座建筑的嫩戗标高亭±103厅、堂±204每座建筑的老戗标高亭±55厅、堂±106梁柱枋川榫卯节点的间隙27面宽进深的轴线偏移±108整榀梁架上下中心错位39短柱中心与梁肩中心错位310建筑物层高(楼面高、桁条底)标高±511各桁中线齐直1012桁与桁联接间隙313总进深±1514总开关±20...

1、当您付费下载文档后,您只拥有了使用权限,并不意味着购买了版权,文档只能用于自身使用,不得用于其他商业用途(如 [转卖]进行直接盈利或[编辑后售卖]进行间接盈利)。
2、本站所有内容均由合作方或网友上传,本站不对文档的完整性、权威性及其观点立场正确性做任何保证或承诺!文档内容仅供研究参考,付费前请自行鉴别。
3、如文档内容存在违规,或者侵犯商业秘密、侵犯著作权等,请点击“违规举报”。

碎片内容

基础石驳岸石料的砌筑分项工程检验批质量验收记录

确认删除?
VIP
微信客服
  • 扫码咨询
会员Q群
  • 会员专属群点击这里加入QQ群
客服邮箱
回到顶部