电脑桌面
添加小米粒文库到电脑桌面
安装后可以在桌面快捷访问

管道闭水试验记录文本表

管道闭水试验记录文本表_第1页
1/6
管道闭水试验记录文本表_第2页
2/6
管道闭水试验记录文本表_第3页
3/6
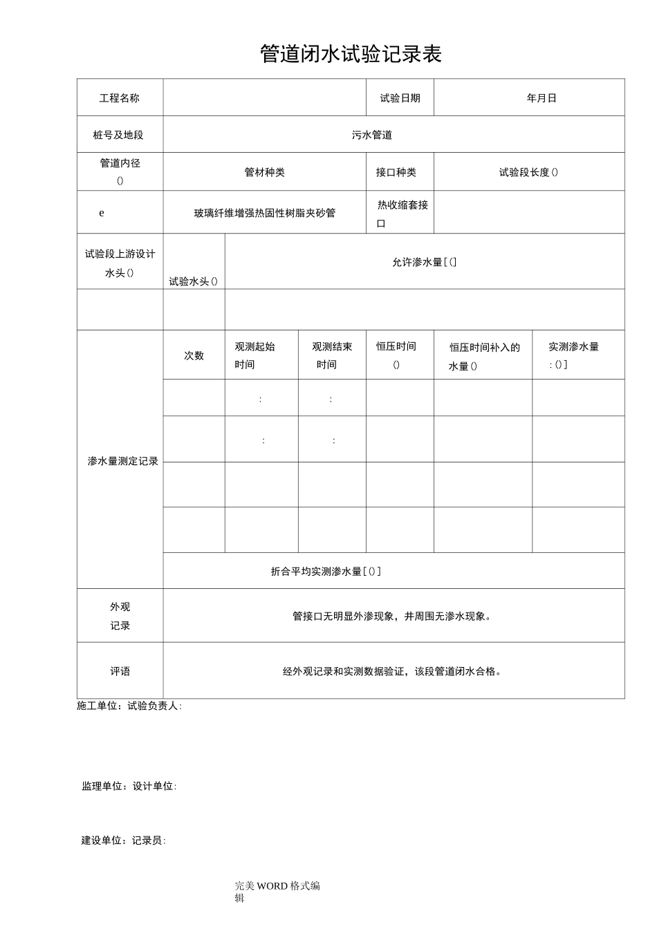
监理单位:设计单位:建设单位:记录员:完美 WORD 格式编辑管道闭水试验记录表工程名称试验日期年月日桩号及地段污水管道管道内径()管材种类接口种类试验段长度()e玻璃纤维增强热固性树脂夹砂管热收缩套接口试验段上游设计水头()试验水头()允许渗水量[(]渗水量测定记录次数观测起始时间观测结束时间恒压时间()恒压时间补入的水量()实测渗水量:()]::::折合平均实测渗水量[()]外观记录管接口无明显外渗现象,井周围无渗水现象。评语经外观记录和实测数据验证,该段管道闭水合格。施工单位:试验负责人:监理单位:设计单位:建设单位:记录员:完美 WORD 格式编辑管道闭水试验记录表工程名称试验日期年月日桩号及地段污水管道管道内径()管材种类接口种类试验段长度()e玻璃纤维增强热固性树脂夹砂管热收缩套接口试验段上游设计水头()试验水头()允许渗水量[(]渗水量测定记录次数观测起始时间观测结束时间恒压时间()恒压时间补入的水量()实测渗水量:()]::::折合平均实测渗水量[()]外观记录管接口无明显外渗现象,井周围无渗水现象。评语经外观记录和实测数据验证,该段管道闭水合格。施工单位:试验负责人:专业资料整理分享施工单位:试验负责人:监理单位:设计单位:建设单位:记录员:完美 WORD 格式编辑专业资料整理分享施工单位:试验负责人:监理单位:设计单位:建设单位:记录员:完美 WORD 格式编辑管道闭水试验记录表工程名称淮安市盐化工产业区郭桥路(台玻大道规划楚盐路)工程试验日期年月日桩号及地段污水管道管道内径()管材种类接口种类试验段长度()e玻璃纤维增强热固性树脂夹砂管热收缩套接口试验段上游设计水头()试验水头()允许渗水量[(]渗水量测定记录次数观测起始时间观测结束时间恒压时间()恒压时间补入的水量()实测渗水量:()]::::折合平均实测渗水量[()]外观记录管接口无明显外渗现象,井周围无渗水现象。评语经外观记录和实测数据验证,该段管道闭水合格。专业资料整理分享施工单位:试验负责人:监理单位:设计单位:建设单位:记录员:完美 WORD 格式编辑管道闭水试验记录表工程名称淮安市盐化工产业区北环路工程试验日期年月日桩号及地段雨水管道管道内径()管材种类接口种类试验段长度()e钢筋混凝土管(II 级)柔性承插口试验段上游设计水头()试验水头()允许渗水量[(]渗水量测定记录次数观测起始时间观测结束时间恒压时间()恒压时间补入的水量()实测渗水量:()]::::折合平均实测渗水量[...

1、当您付费下载文档后,您只拥有了使用权限,并不意味着购买了版权,文档只能用于自身使用,不得用于其他商业用途(如 [转卖]进行直接盈利或[编辑后售卖]进行间接盈利)。
2、本站所有内容均由合作方或网友上传,本站不对文档的完整性、权威性及其观点立场正确性做任何保证或承诺!文档内容仅供研究参考,付费前请自行鉴别。
3、如文档内容存在违规,或者侵犯商业秘密、侵犯著作权等,请点击“违规举报”。

碎片内容

管道闭水试验记录文本表

确认删除?
VIP
微信客服
  • 扫码咨询
会员Q群
  • 会员专属群点击这里加入QQ群
客服邮箱
回到顶部