电脑桌面
添加小米粒文库到电脑桌面
安装后可以在桌面快捷访问

中间桩柱的泥浆制备技术交底记录VIP免费

中间桩柱的泥浆制备技术交底记录_第1页
1/6
中间桩柱的泥浆制备技术交底记录_第2页
2/6
中间桩柱的泥浆制备技术交底记录_第3页
3/6
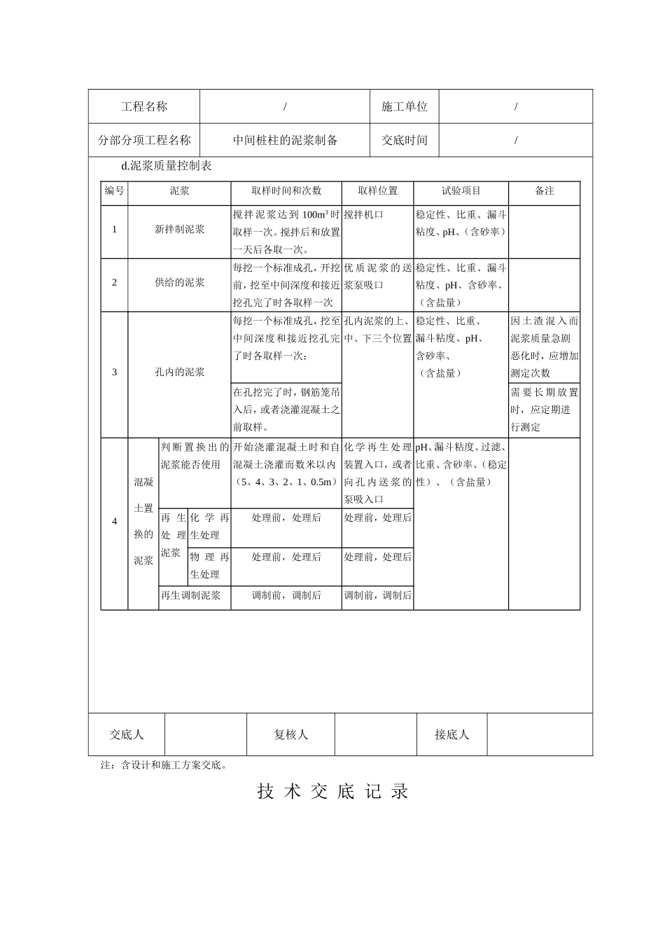
技术交底记录工程名称/施工单位/分部分项工程名称中间桩柱的泥浆制备交底时间/交底内容:一、泥浆配合比设计根据在地层、地下水状态及施工条件和天津地区施工经验进行泥浆配合比设计,采用优良的膨润土、纯碱、高纯度的CMC和自来水作原料,通过清浆冲拌和混合搅拌二次拌合而成。泥浆配合比及质量指标控制:基坑开挖前,首先制备足够的优质泥浆待用。泥浆配合比根据所选用的原料先行试配,再检测各项指标,按检测的情况适当增加外加剂,改善泥浆性能,使之符合要求。粘土使用在工厂已加入纯碱的土粉来制浆,将CMC事先与水搅拌成液体,加入浆液。泥浆在循环使用过程中,配备专人检查和管理泥浆,保证泥浆质量,使各项指标达到规范要求:新制泥浆配合比(1m3浆液)膨润土品名材料用量(kg)水膨润土CMC(M)Na2CO3其它外加剂钙土(Ⅱ级)100080~1000~0.62.5~4适量二、泥浆的制备方法将水加至搅拌筒1/3后,启动制浆机。在定量水箱不断加水的同时,加入膨润土粉、碱粉等外加剂,搅拌2min后,加入CMC液继续搅拌1min即可停止搅拌放入新浆池中,待静置膨化24h后使用。三、泥浆性能指标检验标准及测定频率护壁泥浆对下列表中的有关指标进行测试,检查新浆、循环泥浆和废弃泥浆的质量。交底人复核人接底人注:含设计和施工方案交底。技术交底记录工程名称/施工单位/分部分项工程名称中间桩柱的泥浆制备交底时间/a.根据(DB29-103-2004)(GB50299-1999)新拌制膨润土(粘土)泥浆性能控制指标表序号项目性能指标检验方法1重度(KN/m3)10.4~10.5泥浆比重称2粘度(S)20~24500ml/700ml漏斗法3含砂量<3%含砂量测量计4失水量(ml/30min)<20失水量仪5泥皮厚度(mm/30min)1~3失水量仪6PH值8~10.5PH试纸b.循环使用泥浆性能控制指标表序号项目性能指标检验方法1重度(KN/m3)<11.0泥浆比重称2粘度(S)<25500ml/700ml漏斗法3含砂量<4%含砂量测量计4PH值<11PH试纸c.废弃泥浆性能指标:序号项目性能指标检验方法粘性土砂性土1比重(g/cm3)>1.25>1.35比重计2粘度(S)>50>60漏斗计3含砂量(%)>8>11洗砂瓶4PH值>14>14试纸交底人复核人接底人注:含设计和施工方案交底。技术交底记录工程名称/施工单位/分部分项工程名称中间桩柱的泥浆制备交底时间/d.泥浆质量控制表编号泥浆取样时间和次数取样位置试验项目备注1新拌制泥浆搅拌泥浆达到100m3时取样一次。搅拌后和放置一天后各取一次。搅拌机口稳定性、比重、漏斗粘度、pH、(含砂率)2供给的泥浆每挖一个标准成孔,开挖前,挖至中间深度和接近挖孔完了时各取样一次优质泥浆的送浆泵吸口稳定性、比重、漏斗粘度、pH、含砂率、(含盐量)3孔内的泥浆每挖一个标准成孔,挖至中间深度和接近挖孔完了时各取样一次;孔内泥浆的上、中、下三个位置稳定性、比重、漏斗粘度、pH、含砂率、(含盐量)因土渣混入而泥浆质量急剧恶化时,应增加测定次数在孔挖完了时,钢筋笼吊入后,或者浇灌混凝土之前取样。需要长期放置时,应定期进行测定4混凝土置换的泥浆判断置换出的泥浆能否使用开始浇灌混凝土时和自混凝土浇灌而数米以内(5、4、3、2、1、0.5m)化学再生处理装置入口,或者向孔内送浆的泵吸入口pH、漏斗粘度、过滤、比重、含砂率、(稳定性)、(含盐量)再生处理泥浆化学再生处理处理前,处理后处理前,处理后物理再生处理处理前,处理后处理前,处理后再生调制泥浆调制前,调制后调制前,调制后交底人复核人接底人注:含设计和施工方案交底。技术交底记录工程名称/施工单位/分部分项工程名称中间桩柱的泥浆制备交底时间/四、泥浆的循环使用与回收处理泥浆储存:泥浆储存采用半埋式砖砌泥浆池。其输送方式为泵送软管方式。对于需过路的泥浆管路,在路面内预留沟孔,所用软管随用随收。旋挖钻开挖过程中,不断向开挖孔中供给浆液。利用置于贮浆池中的泥浆泵将泥浆泵入开挖孔洞中,保持孔洞中泥浆液面高于地下水位1m以上。循环池中的泥浆,一部分来自旧泥浆的再生处理,一部分为配制的新鲜浆液,新泥浆配制采用螺旋浆式搅拌机按配合比进行调配,生产能力为40m3/h。旋挖钻施工泥浆处理方式:旧浆液主要采用物理再生处理方式,即重力沉淀处理。在钻孔桩水下砼浇筑过程中...

1、当您付费下载文档后,您只拥有了使用权限,并不意味着购买了版权,文档只能用于自身使用,不得用于其他商业用途(如 [转卖]进行直接盈利或[编辑后售卖]进行间接盈利)。
2、本站所有内容均由合作方或网友上传,本站不对文档的完整性、权威性及其观点立场正确性做任何保证或承诺!文档内容仅供研究参考,付费前请自行鉴别。
3、如文档内容存在违规,或者侵犯商业秘密、侵犯著作权等,请点击“违规举报”。

碎片内容

中间桩柱的泥浆制备技术交底记录

您可能关注的文档

文章天下+ 关注
实名认证
内容提供者

各种文档应有尽有

确认删除?
VIP
微信客服
  • 扫码咨询
会员Q群
  • 会员专属群点击这里加入QQ群
客服邮箱
回到顶部