电脑桌面
添加小米粒文库到电脑桌面
安装后可以在桌面快捷访问

排水、挡土墙及边坡防护施工方案VIP免费

排水、挡土墙及边坡防护施工方案_第1页
1/23
排水、挡土墙及边坡防护施工方案_第2页
2/23
排水、挡土墙及边坡防护施工方案_第3页
3/23
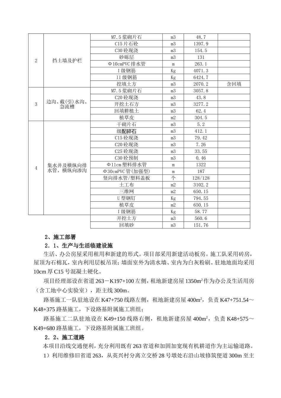
排水、挡土墙及边坡防护施工方案1、工程基本情况1.1、工程概况本合同段为第13标段,路线起于四会市石狗镇讴坑村,止于四会市黄田镇沙塘坑村,起讫里程为YK46+844(ZK46+887.86)~K49+680,全长2.836km,其中路基三段,即K47+751.54~K48+375、K48+575~K48+596.46、K49+083.54~K49+680。路基路面排水方式主要有:浆砌片石边沟、引水沟、截水沟;超高路段纵横向排水管及集水井;横纵向渗沟及出口;急流槽及消力池。路基一般挡土墙有:K47+770~K47+810、K48+210~K48+230及K49+160~K49+250三处浆砌片石护脚;K47+980~K48+005浆砌片石护肩;K47+810~K47+865衡重式片石砼路肩挡土墙、K49+480~K49+624.4重力式片石砼路肩挡土墙,挡土墙顶部设钢筋混凝土护栏。路基一般边坡防护方式有:喷播草籽、三维网、砼预制块坦拱、衬砌拱。路基还有高边坡防护及桩锚式挡土墙,在此本方案中不作阐述,另单独详述。1.2、气象、水文、地质和地形情况四会至广宁段位于广东省西北部,地貌属中低山、丘陵地貌,南东部为珠江三角洲平原。地貌单元可划分为山前冲积盆地、构造剥蚀丘陵、山间冲洪积小盆地三大单元。地势北西高南东低,由北西向南东呈倾斜状;地貌类型以丘陵及丘陵间冲洪积盆地为特征。沿线出露第四纪、三叠纪、寒武纪、震旦纪地层及燕山期、印支期花岗岩体。地震基本烈度为Ⅵ度。本项目所在区域属中纬度亚热带季风性湿润气候区,夏长冬短,年平均气温21.0~21.4℃,多年平均降水量1832mm,降水多集中在4~9月。台风是本地区常见的自然现象。区内地处构造剥蚀丘陵区,区内地表水系较发育,主要河流有绥江及支流遍布全区。1.3、主要工程数量详见下页《主要工程数量表》。主要工程数量序号单位数量备注1一般边坡防护(含喷播草籽、三维网、砼预制块坦拱、衬砌拱、护脚、护肩。)M7.5浆砌片石m33521.7C25砼现浇m333.6C25砼预制m34.6C20砼现浇m311.6C20砼预制m3104.5喷播草籽m219792.4三维网m21262.4U型钢钉Kg253.5挖填土方m31671.1含回填2挡土墙及护栏M7.5浆砌片石m348.7C15片石砼m31397.9C30砼现浇m3154.5砂砾层m3131Φ10cmPVC排水管m263.1I级钢筋Kg4071.3II级钢筋Kg6424.7挖填土方m32070.2含回填3边沟、截(引)水沟、急流槽M7.5浆砌片石m33057.8C20砼现浇m343.8开挖土石方m33277.2回填耕植土m362.4植草皮m2304.54集水井及横纵向排水管、横纵向渗沟干砌片石m35.2级配碎石m3412.1C15砼现浇m379.42C20砼现浇m37.26C25砼现浇m333.55C30砼预制m30.46Φ11cm塑料排水管m1322Φ30cmPVC管(加强型)m187竖向排水管/塑料盖板个128/128土工布m23102.2三维网m2650.15U型钢钉Kg794.55植草皮m2650.15I级钢筋Kg58.77开挖土方m3560.6回填砂m3151.762、施工部署2.1、生产与生活临建设施生活、办公房屋采用租用和新建的形式。项目部采用新建活动板房。施工队采用砖房,屋顶为石棉瓦,室内利用层板吊顶;墙面室外为清水墙、室内为白灰粉刷。驻地地面均采用10cm厚C15号混凝土硬化。项目经理部设在省道263-K197+100左侧,租地新建房屋1350m2作为办公及生活用房(含工地中心实验室),距主线300m。路基施工一队驻地设在K47+750线路左侧,租地新建房屋400m2,负责K47+751.54~K48+375路基施工,下设路基附属施工班组;路基施工二队驻地设在K49+150线路右侧,租地新建房屋400m2,负责K48+575~K49+680路基施工,下设路基附属施工班组。2.2、施工道路本项目沿线交通便利,充分利用既有263省道和加固加宽现有机耕道作为主运输道路。1)利用维修旧省道263,从英兴村分离立交桥28号墩处右沿山坡修筑便道300m至主线K47+980处,并边施工边贯通K47+751~K48+360整段路基。2)从K49+080右侧约30m接现有机耕道修筑便道进入K49+080~K49+680段路基。新修施工便道宽5m,采用15cm厚天然砂砾路面,并做好防排水设施,加强维护,确保能全天候施工车辆通行。路基区内的便道利用机械在施工过程中在正线上边施工边挖填土石能确保施工机械通行即可。2.3、施工场地拌和站:在263省道K197+100左侧项目经理部后面设置1座100m3/h拌合站,占地约4500m2,供应本项目所需用砼。砼运输采用砼搅拌车运输。砂浆在施工现场拌制。2.4、供水、...

1、当您付费下载文档后,您只拥有了使用权限,并不意味着购买了版权,文档只能用于自身使用,不得用于其他商业用途(如 [转卖]进行直接盈利或[编辑后售卖]进行间接盈利)。
2、本站所有内容均由合作方或网友上传,本站不对文档的完整性、权威性及其观点立场正确性做任何保证或承诺!文档内容仅供研究参考,付费前请自行鉴别。
3、如文档内容存在违规,或者侵犯商业秘密、侵犯著作权等,请点击“违规举报”。

碎片内容

排水、挡土墙及边坡防护施工方案

确认删除?
VIP
微信客服
  • 扫码咨询
会员Q群
  • 会员专属群点击这里加入QQ群
客服邮箱
回到顶部