电脑桌面
添加小米粒文库到电脑桌面
安装后可以在桌面快捷访问

电气调试施工方案

电气调试施工方案_第1页
1/15
电气调试施工方案_第2页
2/15
电气调试施工方案_第3页
3/15
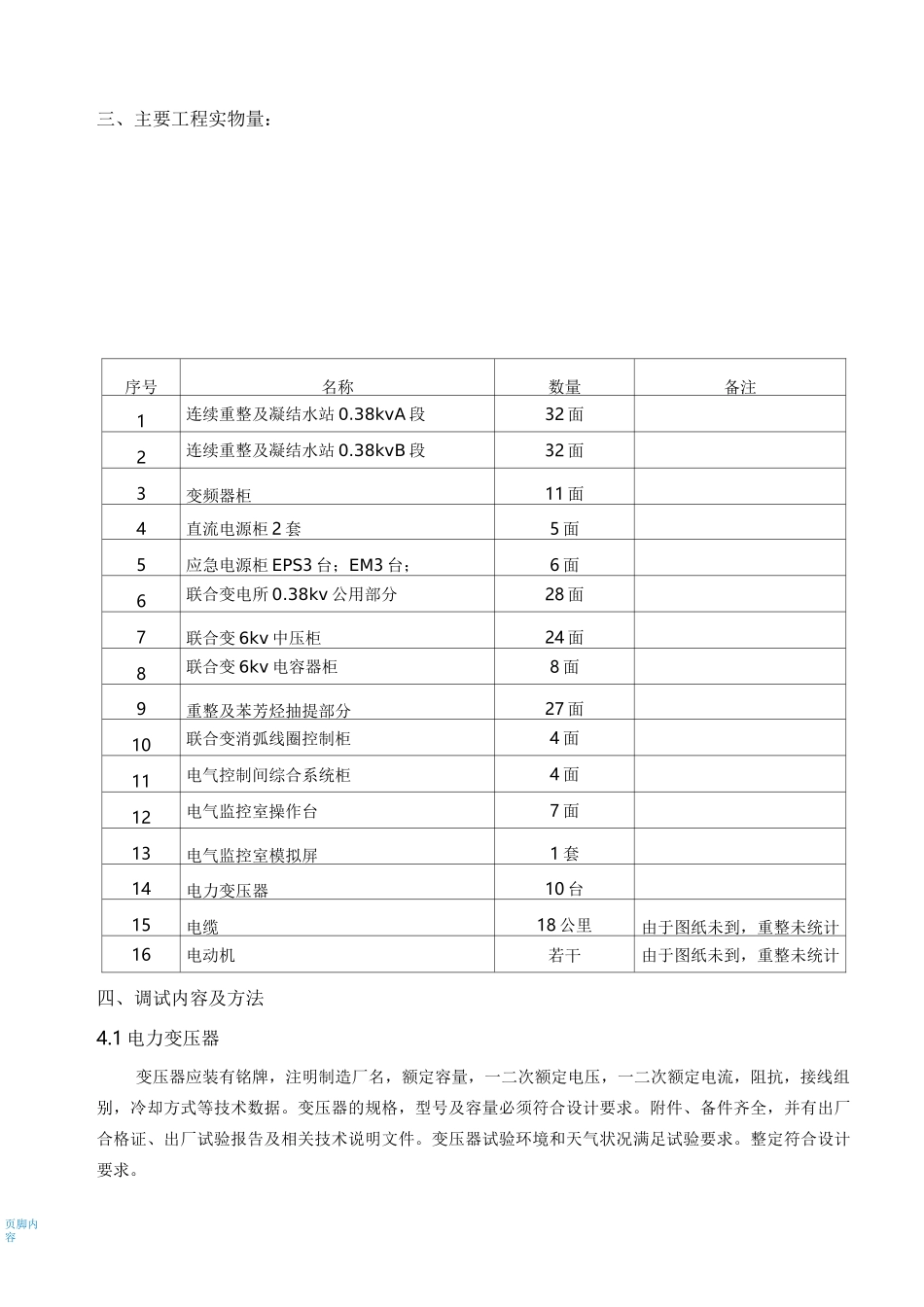
页脚内容目录一、工程概况:21.1 变配电部分 21.2 电动配线部分 21.3 接地系统 21.4 装置环境特征:2二、编制的依据:2三、主要工程实物量:3四、调试内容及方法 34.1 电力变压器 34.2 高压开关柜及其附件试验:54.3 电力电缆交接试验 64.4 高压电动机 74.5 计量仪表现场校验:84.6 综合保护继电器校验 84.7 二次回路检查和试验 94.8 接地装置测试:94.9直流屏、不间断电源的试验要求:94.10控制单元(器)的试验要求:94.11 进线、母联、PT 整组的试验要求:(模拟试验)94.11低压电器的试验要求:104.12微机五防监控柜模拟运行及保护回路试验 10五、质量保证措施 105.1 质量目标 105.2 质量保证体系 105.3 质量控制 115.4 质量控制点:12六、调试安全措施:136.1HSE 管理目标:136.2HSE 管理体系:136.3试验前的安全管理措施 136.4试验过程中的安全管理措施 146.5二次回路传动试验的安全注意事项 14页脚内容6.6试验工作终结时的安全管理措施 156.7 临时用电管理:156.8 配电室管理:15七、调试设备一览表 15一、工程概况:本工程为中国石化九江分公司 150 万吨/年加氢、25 万吨/年苯抽提联合装置以及 120 万吨/年连续重整装置,由九江石化工程建设监理公司作监理,中国石化集团洛阳石油化工工程公司设计总承包。我公司承担该装置的电气安装工程主要包括:联合变配电、电动配线、防雷接地系统等。1.1 变配电部分装置设计一个联合变配电所电源引自上一级 110KV 变电所,此变配电所负责向本单元及中控室、柴油加氢装置、炉区、重整装置等系统单元用电负荷供电。1.2 电动配线部分由变配电所至动力配电箱、照明配电箱等用电设备的配电电缆沿墙穿管暗敷设,至装置区电缆沿槽盒及穿管敷设至用电设备。1.3 接地系统联合装置变配电所、装置区及联合装置控制室的工作接地、保护接地、防雷接地及防静电接地共用一套接地系统,接地极采用铜包钢接地极、L=2.5 米,垂直打入地下,接地极间距不小于 5 米;埋地敷设的接地干线采用接地圆线 TGX014BX,分支接地线采用接地圆线 TGXG12BX,接地线深埋地下 0.8米。总的接地电阻不大于 3 欧姆。接地线过路穿镀锌钢管保护,出地面穿 PVC 管保护。1.4 装置环境特征:联合变电所均为正常环境场所,重整装置区属于防爆环境场所。二、编制的依据:1.120 万吨/年连续重整装置基础设计及到场蓝图以及设备随机到货资料2.《电气装置安装工程 电气设 备交接试验标...

1、当您付费下载文档后,您只拥有了使用权限,并不意味着购买了版权,文档只能用于自身使用,不得用于其他商业用途(如 [转卖]进行直接盈利或[编辑后售卖]进行间接盈利)。
2、本站所有内容均由合作方或网友上传,本站不对文档的完整性、权威性及其观点立场正确性做任何保证或承诺!文档内容仅供研究参考,付费前请自行鉴别。
3、如文档内容存在违规,或者侵犯商业秘密、侵犯著作权等,请点击“违规举报”。

碎片内容

电气调试施工方案

wxg+ 关注
实名认证
内容提供者

该用户很懒,什么也没介绍

确认删除?
VIP
微信客服
  • 扫码咨询
会员Q群
  • 会员专属群点击这里加入QQ群
客服邮箱
回到顶部