电脑桌面
添加小米粒文库到电脑桌面
安装后可以在桌面快捷访问

1_中文版-基站空调通讯协议1.0VIP免费

1_中文版-基站空调通讯协议1.0_第1页
1/22
1_中文版-基站空调通讯协议1.0_第2页
2/22
1_中文版-基站空调通讯协议1.0_第3页
3/22
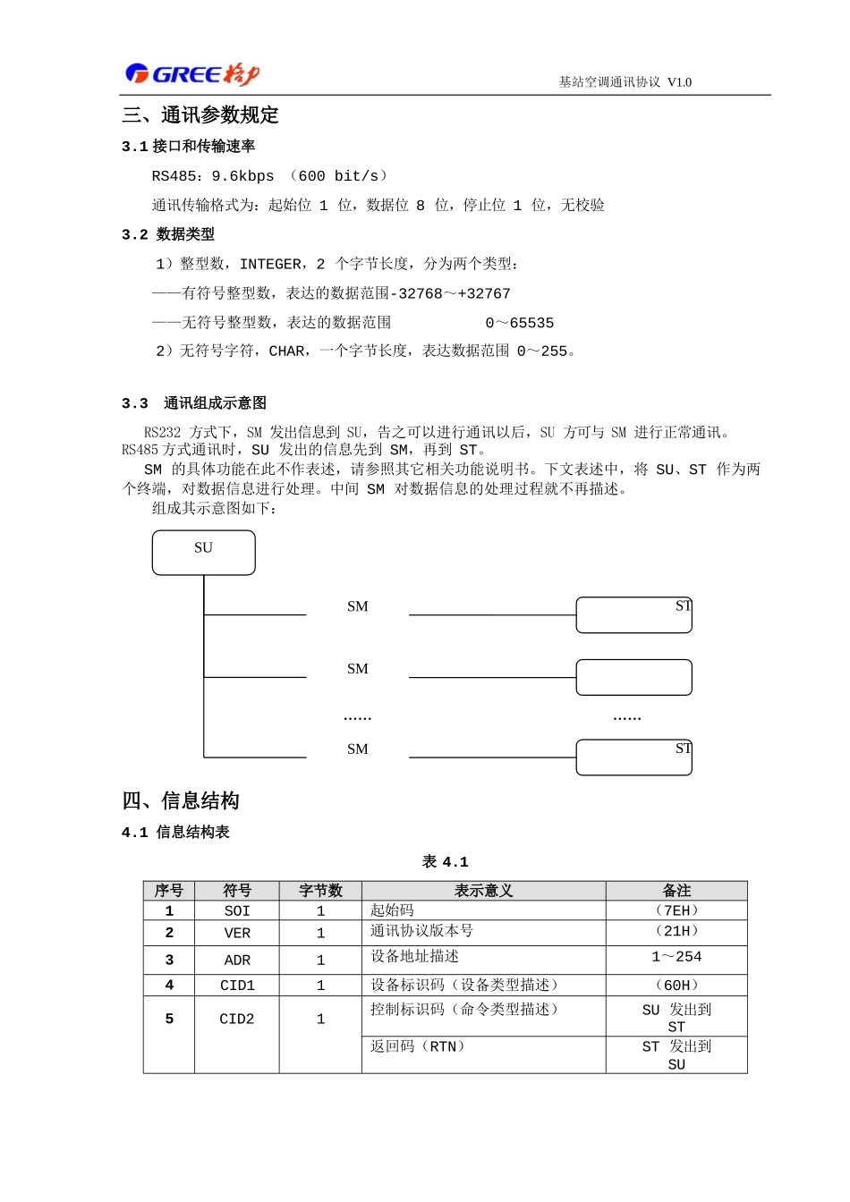
基站空调通讯协议V1.0目录一、前言.........................................................................................................................................................3二、术语和定义.............................................................................................................................................3三、通讯参数规定.........................................................................................................................................43.1接口和传输速率.............................................................................................................................43.2数据类型........................................................................................................................................43.3通讯组成示意图..........................................................................................................................4四、信息结构.................................................................................................................................................44.1信息结构表....................................................................................................................................44.2命令信息结构表.............................................................................................................................54.2.1SOI....................................................................................................................................54.2.2VER...................................................................................................................................54.2.3ADR..................................................................................................................................54.2.4CID1..................................................................................................................................64.2.5CID2..................................................................................................................................64.2.6LENGTH...........................................................................................................................84.2.7INFO.................................................................................................................................84.2.8CHKSUM........................................................................................................................94.2.9EOI................................................................................................................................104.3响应信息结构表...........................................................................................................................104.3.1SOI..................................................................................................................................104.3.2VER.................................................................................................................................104.3.3ADR................................................................................................................................104.3.4CID1................................................................................................................................104.3.5CID2........

1、当您付费下载文档后,您只拥有了使用权限,并不意味着购买了版权,文档只能用于自身使用,不得用于其他商业用途(如 [转卖]进行直接盈利或[编辑后售卖]进行间接盈利)。
2、本站所有内容均由合作方或网友上传,本站不对文档的完整性、权威性及其观点立场正确性做任何保证或承诺!文档内容仅供研究参考,付费前请自行鉴别。
3、如文档内容存在违规,或者侵犯商业秘密、侵犯著作权等,请点击“违规举报”。

碎片内容

1_中文版-基站空调通讯协议1.0

您可能关注的文档

确认删除?
VIP
微信客服
  • 扫码咨询
会员Q群
  • 会员专属群点击这里加入QQ群
客服邮箱
回到顶部