电脑桌面
添加小米粒文库到电脑桌面
安装后可以在桌面快捷访问

剪力墙结构钢筋混凝土灌注桩防水板基础施工组织设计

剪力墙结构钢筋混凝土灌注桩防水板基础施工组织设计_第1页
1/115
剪力墙结构钢筋混凝土灌注桩防水板基础施工组织设计_第2页
2/115
剪力墙结构钢筋混凝土灌注桩防水板基础施工组织设计_第3页
3/115
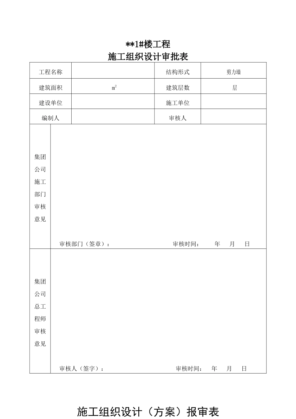
**1#楼工程施工组织设计审批表工程名称 结构形式剪力墙建筑面积 m2建筑层数 层建设单位 施工单位 编制人 审核人 集团公司施工部门审核意见审核部门(签章): 审核时间: 年 月 日集团公司总工程师审核意见审核人(签字): 审核时间: 年 月 日施工组织设计(方案)报审表 工程名称:*1#楼工程 编号:致: ** 监理有限公司 我方已根据施工合同的有关规定完成了 * 1# 楼 工程施工组织设计(方案)的编制,并经我单位上级技术负责人审查批准,请予以审查。附件:施工组织设计承包单位(章) 项目经理 日 期 专业监理工程师审查意见:专业监理工程师 日 期 总监理工程师审核意见:项目监理机构(章) 总监理工程师 日 期 目 录第一章 施工组织设计···········································································1第一节 编制说明·················································································1第二节 工程概况·················································································1第三节 施工部署·················································································4第四节 主要分部分项工程施工方案·························································9第二章 施工进度计划和保证措施及违约责任承诺·····································78第一节 工期安排计划·········································································78第二节 工期保证措施·········································································79第三章 劳动力和材料投入计划及其保证措施···············...

1、当您付费下载文档后,您只拥有了使用权限,并不意味着购买了版权,文档只能用于自身使用,不得用于其他商业用途(如 [转卖]进行直接盈利或[编辑后售卖]进行间接盈利)。
2、本站所有内容均由合作方或网友上传,本站不对文档的完整性、权威性及其观点立场正确性做任何保证或承诺!文档内容仅供研究参考,付费前请自行鉴别。
3、如文档内容存在违规,或者侵犯商业秘密、侵犯著作权等,请点击“违规举报”。

碎片内容

剪力墙结构钢筋混凝土灌注桩防水板基础施工组织设计

您可能关注的文档

确认删除?
VIP
微信客服
  • 扫码咨询
会员Q群
  • 会员专属群点击这里加入QQ群
客服邮箱
回到顶部