电脑桌面
添加小米粒文库到电脑桌面
安装后可以在桌面快捷访问

单层厂房结构课程设计计算书VIP专享

单层厂房结构课程设计计算书_第1页
1/37
单层厂房结构课程设计计算书_第2页
2/37
单层厂房结构课程设计计算书_第3页
3/37
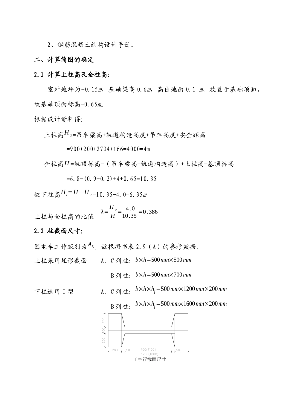
课 程 设 计专业: 土木工程(本科)学号: 061034353 姓名: 杨树国 日期: 2008 年 4 月 16 日 一、设计资料 1、白银有色(集团)公司某单层车间建筑平面图。2、钢筋混凝土结构设计手册。二、计算简图的确定2.1 计算上柱高及全柱高:室外地坪为-0.15m,基础梁高 0.6m,高出地面 0.1 m,放置于基础顶面,故基础顶面标高-0.65m。根据设计资料得:上柱高Hu=吊车梁高+轨道构造高度+吊车高度+安全距离=900+200+2734+166=4000=4m全柱高H =轨顶标高-(吊车梁高+轨道构造高)+上柱高-基顶标高=6.8-(0.9+0.2)+4+0.65=10.35故下柱高Hl=H−Hu=10.35-4.0=6.35m上柱与全柱高的比值 λ=H uH = 4.010.35 =0.3862.2 柱截面尺寸:因电车工作级别为A5,故根据书表 2.9(A)的参考数据,上柱采用矩形截面 A、C 列柱:b×h=500mm×500mm B 列柱:b×h=500mm×700mm下柱选用Ⅰ型 A、C 列柱:b×h×hf=500mm×1200mm×200mm B 列柱:b×h×hf=500mm×1600mm×200mm工字行截面尺寸(其余尺寸见图),根据书表 2.8 关于下柱截面宽度和高度的限值,验算初步确定的截面尺寸,对于下柱截面宽度A、C 列柱: Hl25 =635025=254mm80mm 满足要求。对于中列柱 B c=e−B−h1=750−300−350=100mm>80mm,满足要求。三、荷载计算3.1 屋盖结构自重预应力大形屋面板 1.4 KN /m225mm 厚水泥砂浆找平层 0.5KN /m2一毡而油隔气层 0.5KN /m2100mm 厚珍珠岩制...

1、当您付费下载文档后,您只拥有了使用权限,并不意味着购买了版权,文档只能用于自身使用,不得用于其他商业用途(如 [转卖]进行直接盈利或[编辑后售卖]进行间接盈利)。
2、本站所有内容均由合作方或网友上传,本站不对文档的完整性、权威性及其观点立场正确性做任何保证或承诺!文档内容仅供研究参考,付费前请自行鉴别。
3、如文档内容存在违规,或者侵犯商业秘密、侵犯著作权等,请点击“违规举报”。

碎片内容

单层厂房结构课程设计计算书

确认删除?
VIP
微信客服
  • 扫码咨询
会员Q群
  • 会员专属群点击这里加入QQ群
客服邮箱
回到顶部